特性
- Includes clock recovery servo software, and Synchronization Management Unit (SMU) hardware
- Implements ITU-T Telecom Profiles
- Operates as IEEE 1588/PTP slave or master
- Recovers accurate and stable synchronization signals from packet-based IEEE 1588/PTP master
- Reference trackers filter packet synchronization noise from IEEE 1588 unaware networks
- PTP clocks comply with ITU-T G.8273.2 and G.8263
- Physical layer clocks comply with ITU-T G.8262 for Synchronous Ethernet Equipment Clock (EEC), G.813 for Synchronous Equipment Clock (SEC), and Telcordia GR-253-CORE for Stratum 3 and SONET Minimum Clock (SMC)
- System-wide precise 1PPS (Pulse Per Second) time of day alignment is supported with programmable input-to-input, input-to-output and output-to-output phase delays: sub-ns resolution
- Generates clocks for 10GBASE-R, 10GBASE-W, 40GBASE-R, and CPRI/OBSAI interfaces without external jitter attenuators: jitter generation <0.3 ps RMS (10kHz to 20MHz)
- Eases local oscillator sourcing by supporting any of eight common TCXO/OCXO frequencies for the System Clock: 10MHz, 12.8MHz, 13MHz, 19.44MHz, 20MHz, 24.576MHz, 25MHz, or 30.72MHz
- 144-pin CABGA package
- Supported by Renesas' Timing Commander Software
描述
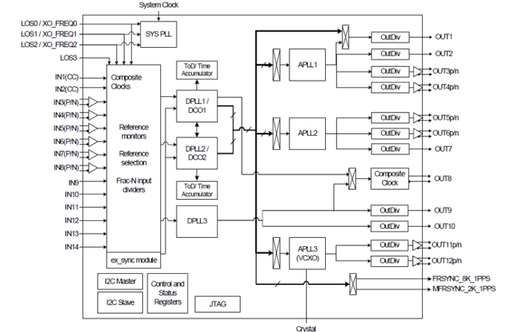
The 82P33931 Synchronization System for IEEE 1588 is comprised of software and hardware designed to meet the needs of IEEE 1588 slave clock and master clock applications. The system includes a clock recovery servo software (Servo) that runs on an external processor and Synchronization Management Unit (SMU) hardware. The Servo recovers accurate and stable electrical synchronization signals from packet-based references generated by IEEE 1588 masters. The Servo is capable of filtering the effects of Packet Delay Variation (PDV) often present in IEEE 1588 unaware networks.
The SMU hardware provides tools to manage timing references, clock sources, and timing paths for IEEE 1588 and Synchronous Ethernet (SyncE) based clocks. The device supports up to three independent timing paths that control: IEEE 1588 clock synthesis; SyncE clock generation; and general-purpose frequency translation. The device supports physical layer timing with Digital PLLs (DPLLs) and it supports packet-based timing with Digitally Controlled Oscillators (DCOs). Input-to-input, input-to-output and output-to-output phase skew can all be precisely managed. The device outputs low-jitter clocks that can directly synchronize 40GBASE-R, 10GBASE-R, and 10GBASE-W and lower-rate Ethernet interfaces; as well as CPRI/OBSAI, SONET/SDH and PDH interfaces, and IEEE 1588 Time Stamp Units (TSUs).
The 82P33931-1 is no longer recommended for new designs. The only difference between the 82P33931-1 and the 82P33931 is that the 82P33931-1 relied on a proprietary PTP stack, whereas the 82P33931 relies on the Linux PTP stack, which is open source.
For more information or to request documentation, please contact your local Renesas sales representative.
产品参数
| 属性 | 值 |
|---|---|
| Diff. Outputs | 6 |
| Output Freq Range (MHz) | 1.0E-6 - 650 |
| Diff. Inputs | 6 |
| Output Type | LVCMOS, LVPECL, LVDS, AMI |
| Package Area (mm²) | 169 |
| Battery Backup | No |
| Battery Seal | No |
| CPU Supervisory Function POR | No |
| Crystal Frequency Trimming | No |
| Frequency Out Pin | No |
| Inputs (#) | 14 |
| Input Freq (MHz) | 1.0E-6 - 650 |
| Channels (#) | 3 |
| Input Type | LVCMOS, LVPECL, LVDS, AMI |
| Core Voltage (V) | 1.8 |
| Product Category | IEEE 1588, Network Synchronization |
封装选项
| Pkg. Type | Pkg. Dimensions (mm) | Lead Count (#) | Pitch (mm) |
|---|---|---|---|
| CABGA | 13.0 x 13.0 x 1.53 | 144 | 1 |
应用
- Access routers, edge routers, core routers
- Carrier Ethernet switches
- Multiservice access platforms
- PON OLT
- LTE eNodeB
- ITU-T G.8265.1 and G.8275.1 Telecom Profile clock synthesizer
- ITU-T G.8273.2 Telecom Boundary Clock (T-BC) and Telecom
- Time Slave Clock (T-TSC)
- ITU-T G.8264 Synchronous Equipment Timing Source (SETS)
- ITU-T G.8263 Packet-based Equipment Clock (PEC)
- ITU-T G.8262 Synchronous Ethernet Equipment Clock (EEC)
- ITU-T G.813 Synchronous Equipment Clock (SEC)
- Telcordia GR-253-CORE Stratum 3 Clock (S3) and SONET Minimum Clock (SMC)
当前筛选条件