跳转到主要内容
瑞萨电子 (Renesas Electronics Corporation)

特性

  • Six LVCMOS outputs
  • Outputs able to drive 12 series terminated lines
  • Crystal oscillator interface
  • Crystal input frequency range: 10MHz to 40MHz
  • Output skew: 95ps (maximum)
  • RMS phase jitter at 25MHz, (100Hz to 1MHz): 0.17ps (typical)
    Offset Noise Power
    100Hz: -115 dBc/Hz
    1kHz: -138 dBc/Hz
    10kHz: -154 dBc/Hz
    100kHz: -160 dBc/Hz
  • Synchronous output enables
  • Power supply modes:
    Full 1.8V, 1.5V, 1.2V
    Mixed 1.8V core/1.5V output operating supply
    Mixed 1.8V core/1.2V output operating supply
    Mixed 1.5V core/1.2V output operating supply
  • 0 °C to 70 °C ambient operating temperature
  • Available in a lead-free (RoHS 6) package

描述

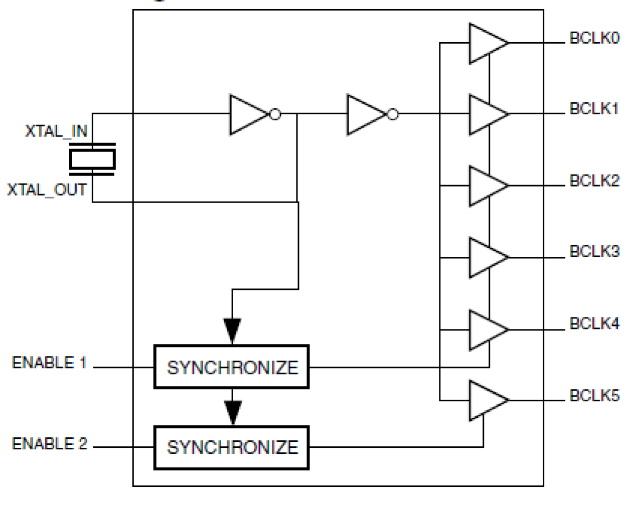
The 83905-01 is a low skew, 1-to-6 LVCMOS fanout buffer. The low-impedance LVCMOS outputs are designed to drive 50Ω series or parallel terminated transmission lines. The effective fanout can be increased from 6 to 12 by utilizing the ability of the outputs to drive two series terminated lines.

The 83905-01 is characterized at full 1.8V, 1.5V, and 1.2V, mixed 1.8V/1.5V, 1.8V/1.2V, and 1.5V/1.2V output operating supply mode. Guaranteed output skew characteristics along with the 1.2V output capabilities make the 83905-01 ideal for high-performance, single-ended applications that also require a limited output voltage.

当前筛选条件