| CAD 模型: | View CAD Model |
| Pkg. Type: | VFQFPN |
| Pkg. Code: | NLG32 |
| Lead Count (#): | 32 |
| Pkg. Dimensions (mm): | 5.0 x 5.0 x 0.9 |
| Pitch (mm): | 0.5 |
| Moisture Sensitivity Level (MSL) | 3 |
| Pb (Lead) Free | Yes |
| ECCN (US) | EAR99 |
| HTS (US) | 8542.39.0090 |
| Lead Count (#) | 32 |
| Carrier Type | Reel |
| Moisture Sensitivity Level (MSL) | 3 |
| Qty. per Reel (#) | 2500 |
| Qty. per Carrier (#) | 0 |
| Pb (Lead) Free | Yes |
| Pb Free Category | e3 Sn |
| Temp. Range (°C) | -40 to 85°C |
| Advanced Features | Reference Output |
| Core Voltage (V) | 3.3 |
| Feedback Input | No |
| Input Freq (MHz) | 25 - 25 |
| Input Type | Crystal |
| Inputs (#) | 1 |
| Length (mm) | 5 |
| MOQ | 2500 |
| Output Banks (#) | 4 |
| Output Freq Range (MHz) | 25 - 25, 50 - 50, 125 - 125 |
| Output Type | LVCMOS, LVDS |
| Output Voltage (V) | 3.3 |
| Outputs (#) | 10 |
| Package Area (mm²) | 25 |
| Phase Jitter Typ RMS (ps) | 0.373 |
| Pitch (mm) | 0.5 |
| Pkg. Dimensions (mm) | 5.0 x 5.0 x 0.9 |
| Pkg. Type | VFQFPN |
| Product Category | FemtoClock, Low Jitter Clocks (<700 fs RMS) |
| Prog. Clock | No |
| Reel Size (in) | 13 |
| Reference Output | Yes |
| Requires Terms and Conditions | Does not require acceptance of Terms and Conditions |
| Spread Spectrum | No |
| Tape & Reel | Yes |
| Thickness (mm) | 0.9 |
| Width (mm) | 5 |
| 已发布 | No |
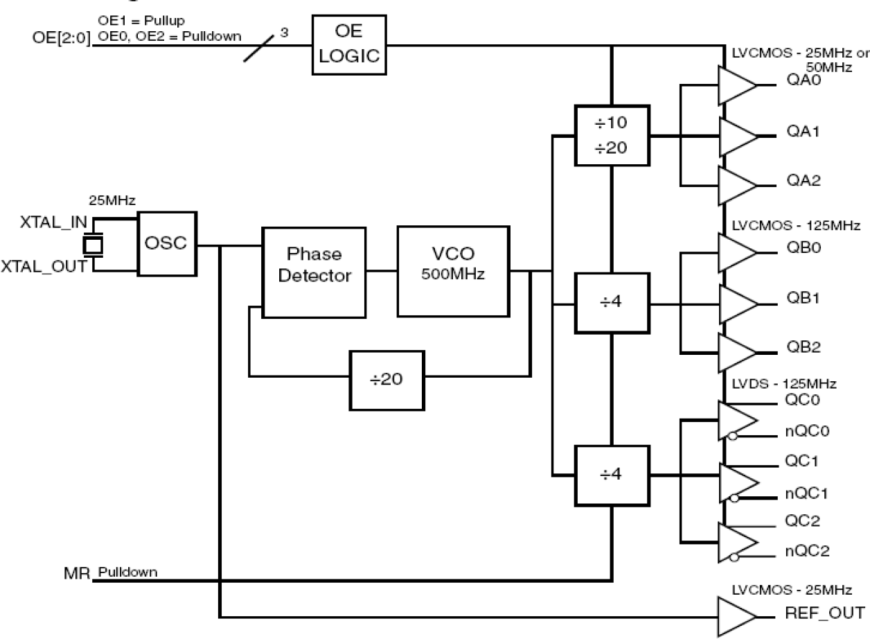
8402015I is a low phase noise clock synthesizer that provides three banks of outputs and a reference clock. Each bank can be enabled by using output enable pins. A 25MHz or 50MHz, 18pF parallel resonant crystal is used to generate 25MHz LVCMOS, 125MHz LVCMOS and 125MHz LVDS outputs. 8402015I is packaged in a small, 32-pin VFQFN package that is optimum for applications with space limitations.