| CAD 模型: | View CAD Model |
| Pkg. Type: | VFQFPN |
| Pkg. Code: | NLG32 |
| Lead Count (#): | 32 |
| Pkg. Dimensions (mm): | 5.0 x 5.0 x 0.9 |
| Pitch (mm): | 0.5 |
| Moisture Sensitivity Level (MSL) | 3 |
| Pb (Lead) Free | Yes |
| ECCN (US) | EAR99 |
| HTS (US) | 8542.39.0090 |
| Lead Count (#) | 32 |
| Carrier Type | Tray |
| Moisture Sensitivity Level (MSL) | 3 |
| Qty. per Reel (#) | 0 |
| Qty. per Carrier (#) | 490 |
| Pb (Lead) Free | Yes |
| Pb Free Category | e3 Sn |
| Temp. Range (°C) | -40 to 85°C |
| App Jitter Compliance | PCIe Gen1, PCIe Gen2 |
| C-C Jitter Max P-P (ps) | 50 |
| Core Voltage (V) | 3.3 |
| Feedback Input | No |
| Input Freq (MHz) | 25 - 25 |
| Input Type | Crystal, LVCMOS |
| Inputs (#) | 2 |
| Length (mm) | 5 |
| MOQ | 490 |
| Output Banks (#) | 1 |
| Output Freq Range (MHz) | 100 - 100, 125 - 125 |
| Output Skew (ps) | 105 |
| Output Type | HCSL |
| Output Voltage (V) | 3.3 |
| Outputs (#) | 8 |
| Package Area (mm²) | 25 |
| Period Jitter Typ P-P (ps) | 23.76 |
| Phase Jitter Typ RMS (ps) | 0.37 |
| Pitch (mm) | 0.5 |
| Pkg. Dimensions (mm) | 5.0 x 5.0 x 0.9 |
| Pkg. Type | VFQFPN |
| Prog. Clock | No |
| Reference Output | No |
| Requires Terms and Conditions | Does not require acceptance of Terms and Conditions |
| Spread Spectrum | No |
| Tape & Reel | No |
| Thickness (mm) | 0.9 |
| Width (mm) | 5 |
| 已发布 | No |
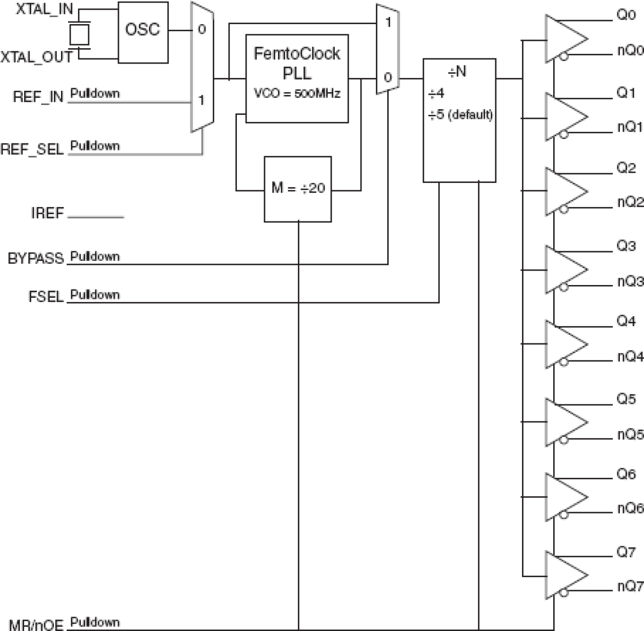
The 841608I is an optimized PCIe and sRIO clock generator. The device uses a 25MHz parallel crystal to generate 100MHz and 125MHz clock signals, replacing solutions requiring multiple oscillator and fanout buffer solutions. The device has excellent phase jitter (<1ps rms) suitable for clock components requiring precise and low-jitter PCIe or sRIO or both clock signals. Designed for telecom, networking and industrial applications, the 841608I can also drive the high-speed sRIO and PCIe SerDes clock inputs of communication processors, DSPs, switches and bridges.