| CAD 模型: | View CAD Model |
| Pkg. Type: | VFQFPN |
| Pkg. Code: | NLG32 |
| Lead Count (#): | 32 |
| Pkg. Dimensions (mm): | 5.0 x 5.0 x 0.9 |
| Pitch (mm): | 0.5 |
| Moisture Sensitivity Level (MSL) | 3 |
| Pb (Lead) Free | Yes |
| ECCN (US) | EAR99 |
| HTS (US) | 8542.39.0090 |
| Lead Count (#) | 32 |
| Carrier Type | Reel |
| Moisture Sensitivity Level (MSL) | 3 |
| Qty. per Reel (#) | 2500 |
| Qty. per Carrier (#) | 0 |
| Pb (Lead) Free | Yes |
| Pb Free Category | e3 Sn |
| Temp. Range (°C) | -40 to 85°C |
| App Jitter Compliance | PCIe Gen1, PCIe Gen2, PCIe Gen3 |
| Core Voltage (V) | 3.3 |
| Divider Value | 1, 2, 20 |
| Feedback Divider | 80 - 80 |
| Feedback Input | No |
| Input Freq (MHz) | 25 - 25 |
| Input Type | Crystal, LVPECL, LVDS, HCSL |
| Inputs (#) | 2 |
| Length (mm) | 5 |
| MOQ | 2500 |
| Output Banks (#) | 4 |
| Output Freq Range (MHz) | 25 - 100 |
| Output Signaling | LVCMOS, LVPECL, HCSL |
| Output Skew (ps) | 50 |
| Output Type | LVCMOS, LVPECL, HCSL |
| Output Voltage (V) | 3.3 |
| Outputs (#) | 6 |
| Package Area (mm²) | 25 |
| Phase Jitter Max RMS (ps) | 0.34 |
| Pitch (mm) | 0.5 |
| Pkg. Dimensions (mm) | 5.0 x 5.0 x 0.9 |
| Pkg. Type | VFQFPN |
| Product Category | FemtoClock, Low Jitter Clocks (<700 fs RMS) |
| Prog. Clock | No |
| Reel Size (in) | 13 |
| Reference Output | Yes |
| Requires Terms and Conditions | Does not require acceptance of Terms and Conditions |
| Spread Spectrum | No |
| Tape & Reel | Yes |
| Thickness (mm) | 0.9 |
| VCO Max Freq (MHz) | 2000 |
| Width (mm) | 5 |
| Xtal Freq (KHz) | 25 - 25 |
| Xtal Inputs (#) | 1 |
| 已发布 | No |
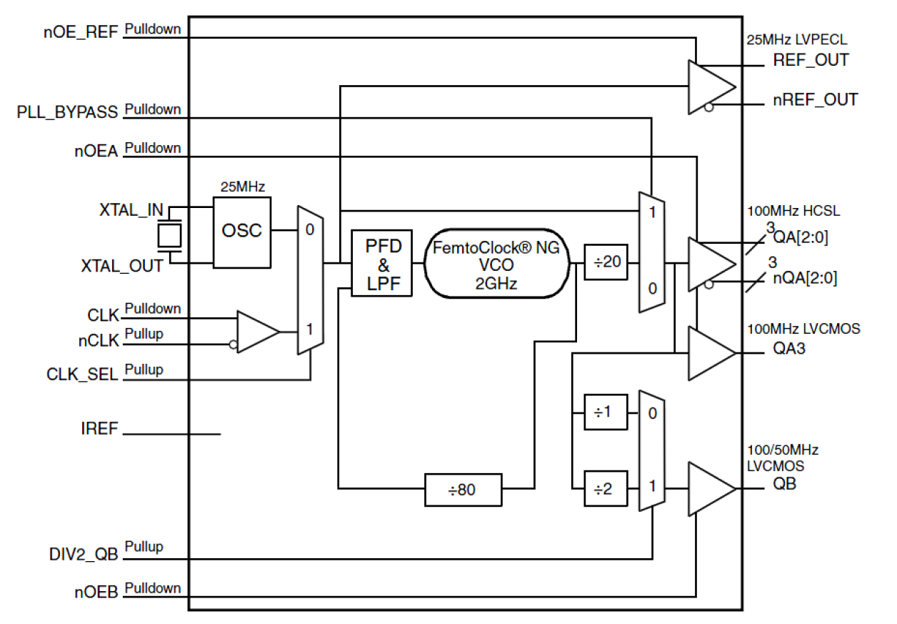
The 841N4830 is a 3 HCSL, 1 LVPECL and 2 LVCMOS output Synthesizer optimized to generate PCI Express reference clock frequencies. The device uses Renesas' fourth generation FemtoClock™ NG technology for synthesis of high clock frequency at very low phase noise. It provides low power consumption with good power supply noise rejection. Using a 25MHz, 12pF parallel resonant crystal, the following frequencies can be generated: 100MHz, 50MHz and 25MHz. Maximum rms phase jitter of 0.27ps, easily meets PCI Express jitter requirements. The 841N4830 is packaged in a small 32-pin VFQFN package.