| CAD 模型: | View CAD Model |
| Pkg. Type: | TSSOP |
| Pkg. Code: | PGG24 |
| Lead Count (#): | 24 |
| Pkg. Dimensions (mm): | 7.8 x 4.4 x 1.0 |
| Pitch (mm): | 0.65 |
| Moisture Sensitivity Level (MSL) | 1 |
| Pb (Lead) Free | Yes |
| ECCN (US) | EAR99 |
| HTS (US) | 8542.39.0090 |
| Lead Count (#) | 24 |
| Carrier Type | Tube |
| Moisture Sensitivity Level (MSL) | 1 |
| Qty. per Reel (#) | 0 |
| Qty. per Carrier (#) | 62 |
| Pb (Lead) Free | Yes |
| Pb Free Category | e3 Sn |
| Temp. Range (°C) | 0 to 70°C |
| Core Voltage (V) | 3.3 |
| Feedback Input | No |
| Input Freq (MHz) | 26.0417 - 26.0417, 31.25 - 31.25 |
| Input Type | Crystal, LVCMOS |
| Inputs (#) | 1 |
| Length (mm) | 7.8 |
| MOQ | 62 |
| Output Banks (#) | 2 |
| Output Freq Range (MHz) | 112 - 175, 280 - 350, 560 - 700 |
| Output Skew (ps) | 35 |
| Output Type | LVPECL |
| Output Voltage (V) | 3.3 |
| Outputs (#) | 3 |
| Package Area (mm²) | 34.3 |
| Phase Jitter Typ RMS (ps) | 0.42 |
| Pitch (mm) | 0.65 |
| Pkg. Dimensions (mm) | 7.8 x 4.4 x 1.0 |
| Pkg. Type | TSSOP |
| Product Category | FemtoClock, Low Jitter Clocks (<700 fs RMS) |
| Prog. Clock | No |
| Reference Output | No |
| Requires Terms and Conditions | Does not require acceptance of Terms and Conditions |
| Spread Spectrum | No |
| Tape & Reel | No |
| Thickness (mm) | 1 |
| Width (mm) | 4.4 |
| 已发布 | No |
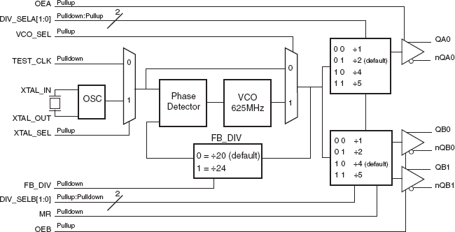
The 843003 is a 3 differential output LVPECL synthesizer designed to generate Ethernet reference clock frequencies. Using a 31.25MHz or 26.041666MHz, 18pF parallel resonant crystal, the following frequencies can be generated based on the settings of 4 frequency select pins (DIV_SEL[A1:A0], DIV_SEL[B1:B0]): 625MHz, 312.5MHz, 156.25MHz, and 125MHz. The 843003 has 2 output banks, Bank A with 1 differential LVPECL output pair and Bank B with 2 differential LVPECL output pairs.
The two banks have their own dedicated frequency select pins and can be independently set for the frequencies mentioned above. The 843003 uses our 3rd generation low phase noise VCO technology and can achieve 1ps or lower typical rms phase jitter, easily meeting Ethernet jitter requirements. The 843003 is packaged in a small 24-pin TSSOP package.