| CAD 模型: | View CAD Model |
| Pkg. Type: | TSSOP |
| Pkg. Code: | PGG20 |
| Lead Count (#): | 20 |
| Pkg. Dimensions (mm): | 6.5 x 4.4 x 1.0 |
| Pitch (mm): | 0.65 |
| Moisture Sensitivity Level (MSL) | 1 |
| Pb (Lead) Free | Yes |
| ECCN (US) | EAR99 |
| HTS (US) | 8542.39.0090 |
| Lead Count (#) | 20 |
| Carrier Type | Reel |
| Moisture Sensitivity Level (MSL) | 1 |
| Qty. per Reel (#) | 3000 |
| Qty. per Carrier (#) | 0 |
| Pb (Lead) Free | Yes |
| Pb Free Category | e3 Sn |
| Temp. Range (°C) | 0 to 70°C |
| Core Voltage (V) | 2.5V, 3.3V |
| Feedback Input | No |
| Input Freq (MHz) | 25 - 25 |
| Input Type | Crystal, LVCMOS |
| Inputs (#) | 2 |
| Length (mm) | 6.5 |
| MOQ | 3000 |
| Output Banks (#) | 1 |
| Output Freq Range (MHz) | 56 - 68, 112 - 136, 140 - 170 |
| Output Skew (ps) | 20 |
| Output Type | LVDS |
| Output Voltage (V) | 2.5V, 3.3V |
| Outputs (#) | 2 |
| Package Area (mm²) | 28.6 |
| Phase Jitter Typ RMS (ps) | 0.41 |
| Pitch (mm) | 0.65 |
| Pkg. Dimensions (mm) | 6.5 x 4.4 x 1.0 |
| Pkg. Type | TSSOP |
| Product Category | FemtoClock, Low Jitter Clocks (<700 fs RMS) |
| Prog. Clock | No |
| Reel Size (in) | 13 |
| Reference Output | No |
| Requires Terms and Conditions | Does not require acceptance of Terms and Conditions |
| Spread Spectrum | No |
| Tape & Reel | Yes |
| Thickness (mm) | 1 |
| Width (mm) | 4.4 |
| 已发布 | No |
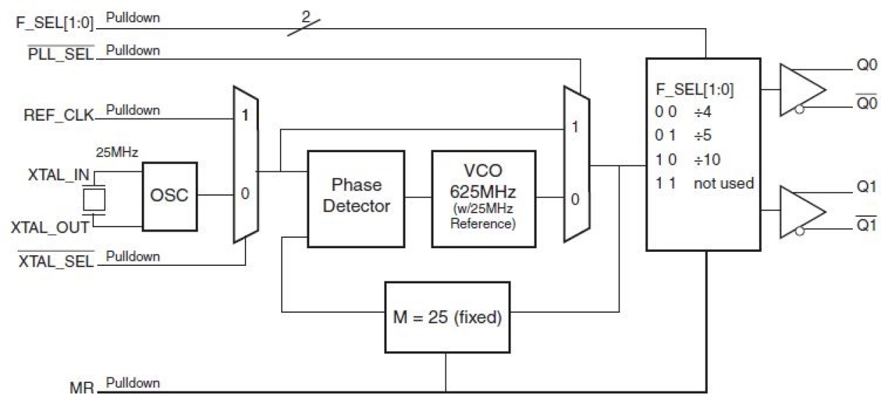
The 844002-01 is a 2 output LVDS Synthesizer optimized to generate Ethernet reference clock frequencies. Using a 25MHz, 18pF parallel resonant crystal, the following frequencies can be generated based on the 2 frequency select pins (F_SEL[1:0]): 156.25MHz, 125MHz and 62.5MHz. The 844002-01 uses IDT's 3rd generation low phase noise VCO technology and can achieve <1ps typical rms phase jitter, easily meeting Ethernet jitter requirements. The 844002-01 is packaged in a small 20-pin TSSOP package.