跳转到主要内容
瑞萨电子 (Renesas Electronics Corporation)

特性

  • Two LVDS output pairs
  • Using a 19.53125MHz or 25MHz crystal, the outputs can be set for 312.5MHz, 156.25MHz or 125MHz
  • Selectable crystal oscillator interface or LVCMOS/LVTTL single-ended input
  • VCO range: 490MHz - 680MHz
  • RMS phase jitter @ 156.25MHz, (1.875MHz - 20MHz): 0.37ps (typical)
  • Full 3.3V supply mode
  • -40°C to 85°C ambient operating temperature
  • Available in lead-free (RoHS 6) package

描述

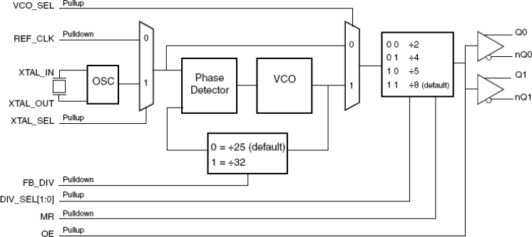
The 844003EI-01 is a 2 differential output LVDS synthesizer designed to generate Ethernet reference clock frequencies. Using a 19.53125MHz or 25MHz, 18pF parallel resonant crystal, the following frequencies can be generated based on the settings of 2 frequency select pins DIV_SEL[1:0]): 312.5MHz, 156.25MHz, and 125MHz. The 844003EI-01 is packaged in a small 24-pin TSSOP package.

当前筛选条件