跳转到主要内容
瑞萨电子 (Renesas Electronics Corporation)

特性

  • Four differential LVDS outputs
  • Selectable crystal oscillator interface or LVCMOS/LVTTL single-ended input
  • Supports the following output frequencies: 212.5MHz, 187.5MHz, 159.375MHz, 106.25MHz and 53.125MHz
  • VCO range: 560MHz - 680MHz
  • RMS phase jitter at 212.5MHz (637kHz – 10MHz), using a 26.5625MHz crystal: <1ps (typical)
  • Full 3.3V or 2.5V output supply modes
  • 0°C to 70°C ambient operating temperature
  • Available in lead-free (RoHS 6) package

描述

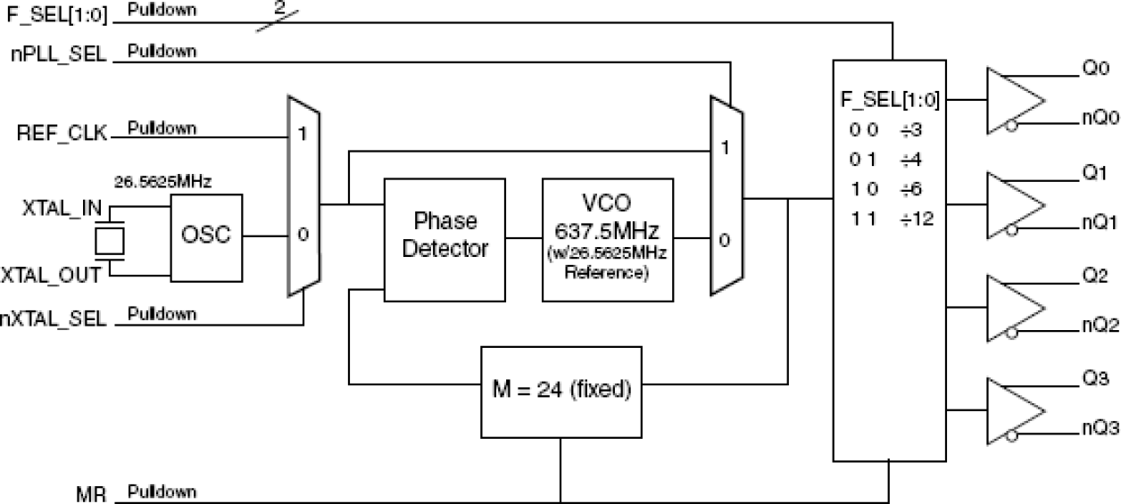
The 844004-104 is a 4 output LVDS synthesizer optimized to generate Fibre Channel reference clock frequencies. Using a 26.5625MHz 18pF parallel resonant crystal, the following frequencies can be generated based on the 2 frequency select pins (F_SEL[1:0]): 212.5MHz, 187.5MHz, 159.375MHz, 106.25MHz and 53.125MHz. The 844004-104 uses our 3rd generation low phase noise VCO technology and can achieve <1ps typical rms phase jitter, easily meeting Fibre Channel jitter requirements. The 844004-104 is packaged in a 32-pin VFQFN package.

当前筛选条件