| Pkg. Type: | TSSOP |
| Pkg. Code: | PGG24 |
| Lead Count (#): | 24 |
| Pkg. Dimensions (mm): | 7.8 x 4.4 x 1.0 |
| Pitch (mm): | 0.65 |
| Pb (Lead) Free | Yes |
| ECCN (US) | EAR99 |
| HTS (US) | 8542.39.0090 |
| Moisture Sensitivity Level (MSL) | 1 |
| Pkg. Type | TSSOP |
| Lead Count (#) | 24 |
| Pb (Lead) Free | Yes |
| Carrier Type | Tube |
| Core Voltage (V) | 3.3 |
| Feedback Input | No |
| Input Freq (MHz) | 17.5 - 21.25 |
| Input Type | Crystal, LVCMOS |
| Inputs (#) | 2 |
| Length (mm) | 7.8 |
| MOQ | 62 |
| Moisture Sensitivity Level (MSL) | 1 |
| Output Banks (#) | 4 |
| Output Freq Range (MHz) | 140 - 170, 560 - 680 |
| Output Type | LVDS |
| Output Voltage (V) | 3.3 |
| Outputs (#) | 4 |
| Package Area (mm²) | 34.3 |
| Pb Free Category | e3 Sn |
| Phase Jitter Typ RMS (ps) | 0.51 |
| Pitch (mm) | 0.65 |
| Pkg. Dimensions (mm) | 7.8 x 4.4 x 1.0 |
| Prog. Clock | No |
| Qty. per Carrier (#) | 62 |
| Qty. per Reel (#) | 0 |
| Requires Terms and Conditions | Does not require acceptance of Terms and Conditions |
| Tape & Reel | No |
| Temp. Range (°C) | -40 to 85°C |
| Thickness (mm) | 1 |
| Width (mm) | 4.4 |
| 已发布 | No |
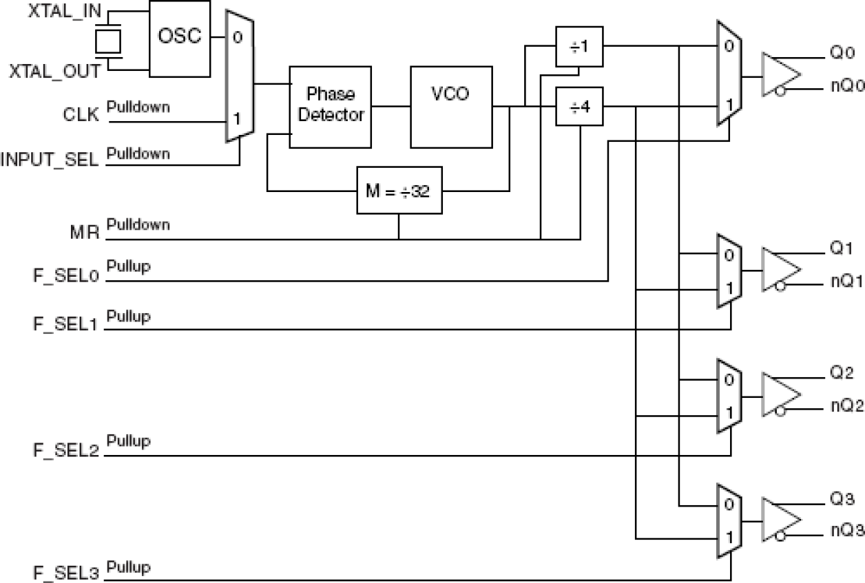
The 844004I-04 is a 4 output LVDS Synthesizer optimized to generate clock frequencies for a variety of high performance applications and is a member of the family of high performance clock solutions from IDT. This device can select its input reference clock from either a crystal input or a single-ended clock signal. It can be configured to generate 4 outputs with individually selectable divide-by-one or divide-by-four function via the 4 frequency select pins (F_SEL[3:0]). The 844004I-04 uses IDT's 3rd generation low phase noise VCO technology and can achieve 1ps or lower typical rms phase jitter. This ensures that it will easily meet clocking requirements for SDH (STM-1/ STM-4/STM-16) and SONET (OC-3/OC12/OC-48). This device is suitable for multi-rate and multiple port line card applications. The 844004I-04 is conveniently packaged in a small 24-pin TSSOP package.