| CAD 模型: | View CAD Model |
| Pkg. Type: | PTQFP |
| Pkg. Code: | DXG32 |
| Lead Count (#): | 32 |
| Pkg. Dimensions (mm): | 7.0 x 7.0 x 1.0 |
| Pitch (mm): | 0.8 |
| Moisture Sensitivity Level (MSL) | 3 |
| Pb (Lead) Free | Yes |
| ECCN (US) | EAR99 |
| HTS (US) | 8542.39.0090 |
| Lead Count (#) | 32 |
| Carrier Type | Tray |
| Moisture Sensitivity Level (MSL) | 3 |
| Qty. per Carrier (#) | 250 |
| Package Area (mm²) | 49 |
| Pitch (mm) | 0.8 |
| Pkg. Dimensions (mm) | 7.0 x 7.0 x 1.0 |
| Qty. per Reel (#) | 0 |
| Pb (Lead) Free | Yes |
| Pb Free Category | e3 Sn |
| Temp. Range (°C) | -40 to 85°C |
| C-C Jitter Max P-P (ps) | 25 |
| Core Voltage (V) | 3.3 |
| Feedback Input | No |
| Input Freq (MHz) | 25 - 25 |
| Input Type | Crystal |
| Inputs (#) | 1 |
| Length (mm) | 7 |
| MOQ | 250 |
| Output Banks (#) | 2 |
| Output Freq Range (MHz) | 125 - 125, 156.25 - 156.25 |
| Output Skew (ps) | 110 |
| Output Type | LVDS |
| Output Voltage (V) | 3.3 |
| Outputs (#) | 8 |
| Phase Jitter Typ RMS (ps) | 0.38 |
| Pkg. Type | PTQFP |
| Product Category | FemtoClock, Low Jitter Clocks (<700 fs RMS) |
| Prog. Clock | No |
| Reference Output | No |
| Requires Terms and Conditions | Does not require acceptance of Terms and Conditions |
| Spread Spectrum | No |
| Tape & Reel | No |
| Thickness (mm) | 1 |
| Width (mm) | 7 |
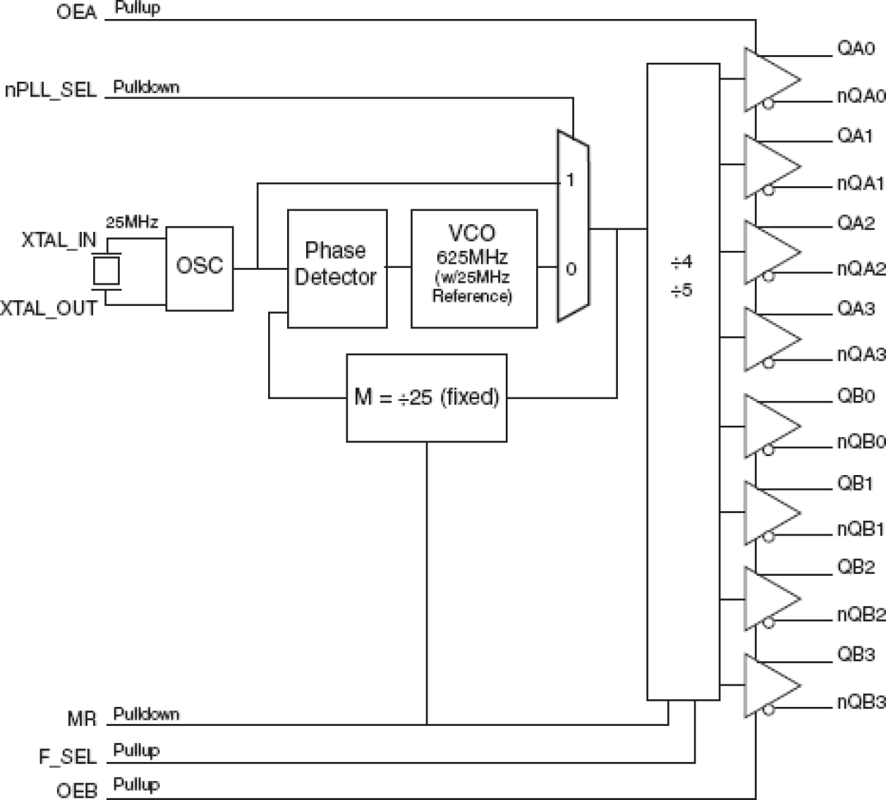
The 844008I-01 is an 8 output LVDS synthesizer optimized to generate GbE/10GbE reference clock frequencies and is a member of the HiPerClocks™ family of high performance clock solutions. Using a 25MHz parallel resonant crystal, the following frequencies can be generated based on the F_SEL pin: 125MHz or 156.25MHz. The 844008I-01 uses our 3rd generation low phase noise VCO technology and can achieve <1ps typical rms phase jitter, easily meeting GbE/10GbE jitter requirements. The 844008I-01 is packaged in a 32-pin TQFP or 32 VFQFN packages.