跳转到主要内容
瑞萨电子 (Renesas Electronics Corporation)

特性

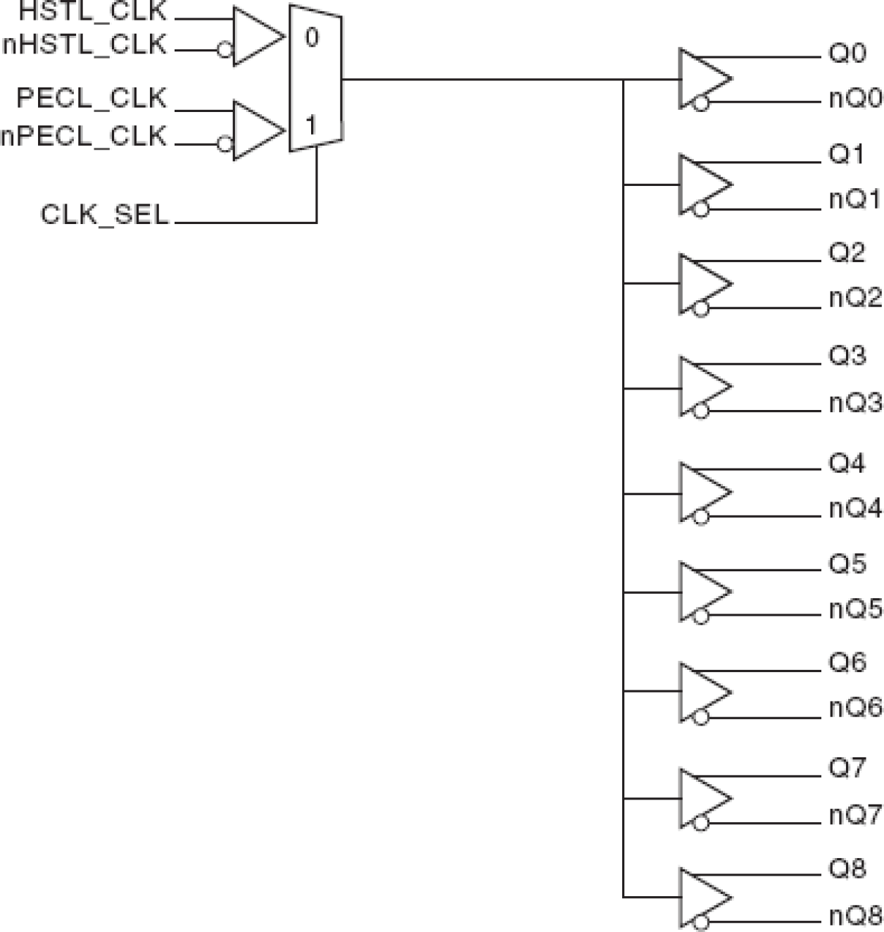
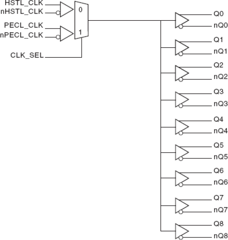
  • 9 HSTL outputs
  • Selectable differential CLK, nCLK, or LVPECL clock inputs
  • HSTL_CLK, nHSTL_CLK pair can accept the following differential input levels:
    LVPECL, LVDS, HSTL, SSTL, HCSL
  • PECL_CLK, nPECL_CLK supports the following input types:
    LVPECL, CML, SSTL
  • Maximum output frequency: 500MHz
  • Output skew: 100ps (maximum)
  • Part-to-part skew: 300ps (maximum)
  • Propagation delay: 1.7ns (maximum)
  • VOH = 1.4V (maximum)
  • 3.3V core, 1.6V to 3.6V output supply range
  • -40 °C to 85 °C ambient operating temperature​

描述

The 852911I is a low-skew, 1-to-9 differential-to-HSTL fanout buffer. The 852911I has two selectable clock inputs which can accept most differential input levels.

Guaranteed output skew, part-to-part skew, and crossover voltage characteristics make the 852911I ideal for today’s most advanced applications, such as IA64 and static RAMs.

当前筛选条件