跳转到主要内容
瑞萨电子 (Renesas Electronics Corporation)

特性

  • 4 differential 3.3V LVPECL outputs
  • Selectable differential CLK, nCLK or crystal inputs
  • CLK, nCLK pair can accept the following differential input levels: LVPECL, LVDS, LVHSTL, SSTL, HCSL
  • Maximum output frequency: 650MHz
  • Translates any single-ended input signal to 3.3V LVPECL levels with resistor bias on nCLK input
  • Output skew: 30ps (maximum)
  • Part-to-part skew: 150ps (maximum)
  • Propagation delay: 2ns (maximum)
  • 3.3V operating supply
  • 0°C to 70°C ambient operating temperature
  • Industrial temperature information available upon request
  • Lead-Free package fully RoHS compliant

描述

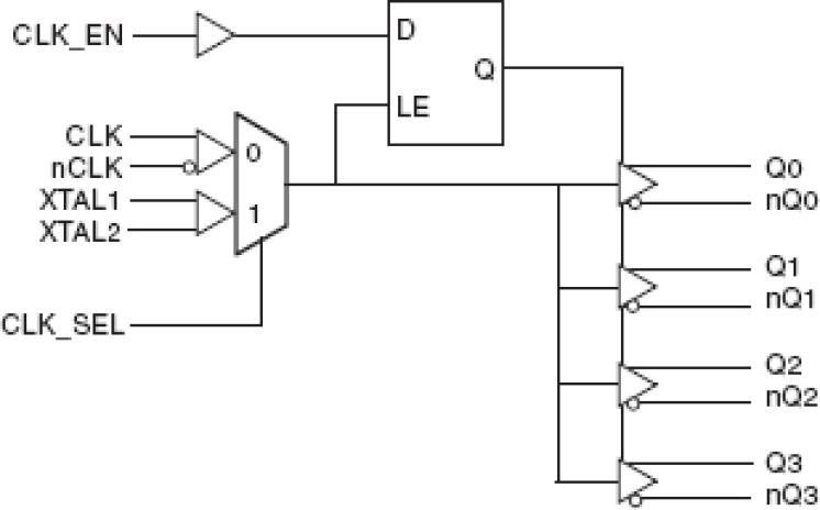
The 8533-11 is a low skew, high performance 1-to-4 Crystal Oscillator/Differential-to-3.3V LVPECL fanout buffer. The 8533-11 has selectable differential clock or crystal inputs. The CLK, nCLK pair can accept most standard differential input levels. The clock enable is internally synchronized to eliminate runt pulses on the outputs during asynchronous assertion/deassertion of the clock enable pin. Guaranteed output and part-to-part skew characteristics make the 8533-11 ideal for those applications demanding well defined performance and repeatability.

当前筛选条件