特性
- High speed 4:1 differential multiplexer
- One differential 3.3V, 2.5V LVPECL/ECL output
- Four differential CLKx/nCLKx input pairs
- Differential CLKx/nCLKx pairs can accept the following interface levels: LVPECL, LVDS, CML, SSTL
- Maximum input/output frequency: 3GHz
- Additive phase jitter, RMS @ 622.08MHz: 0.073ps (typical)
- Part-to-part skew: 250ps (maximum)
- Propagation delay: 615ps (maximum)
- LVPECL mode operating voltage supply range: VCC = 2.375V to 3.465V, VEE = 0V
- ECL mode operating voltage supply range: VCC = 0V, VEE = -3.465V to -2.375V
- -40°C to 85°C ambient operating temperature
- Available in lead-free (RoHS 6) packages
描述
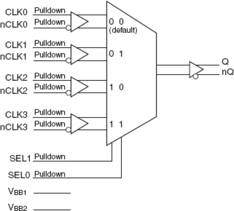
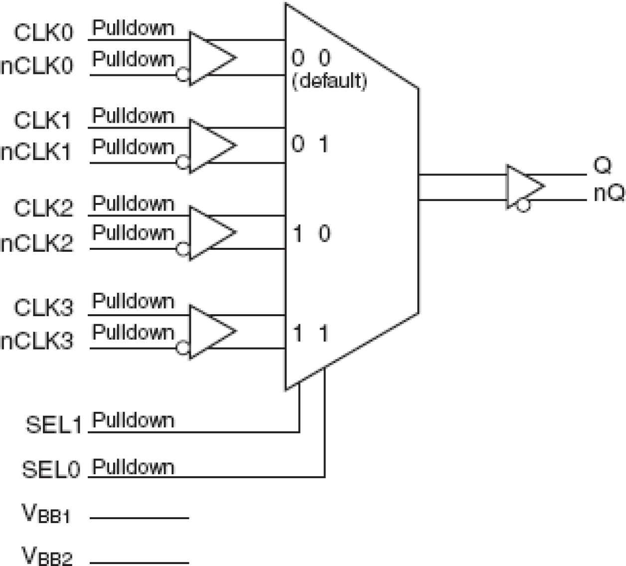
The 853S057I is a 4:1 Differential-to-3.3V or 2.5V LVPECL/ECL Clock/Data Multiplexer which can operate up to 3GHz and is a member of the HiPerClockS ™ family of High Performance Clock Solutions from IDT. The 853S057I has 4 differential selectable clock input pairs. The CLK/nCLK input pairs can accept LVPECL, LVDS, CML or SSTL levels. The fully differential architecture and low propagation delay make it ideal for use in clock distribution circuits. The multiplexer select control inputs have ECL/LVPECL interface levels. The select pins have internal pulldown resistors.
产品参数
| 属性 | 值 |
|---|---|
| Function | Multiplexer |
| Outputs (#) | 1 |
| Output Type | LVPECL |
| Output Freq Range (MHz) | 3000 |
| Input Freq (MHz) | 3000 |
| Inputs (#) | 4 |
| Input Type | CML, LVDS, LVPECL, SSTL |
| Output Banks (#) | 1 |
| Core Voltage (V) | 2.5V, 3.3V |
| Output Voltage (V) | 2.5V, 3.3V |
| Additive Phase Jitter Typ RMS (fs) | 73 |
封装选项
| Pkg. Type | Pkg. Dimensions (mm) | Lead Count (#) | Pitch (mm) |
|---|---|---|---|
| TSSOP | 6.5 x 4.4 x 1.0 | 20 | 0.65 |
当前筛选条件
加载中