| CAD 模型: | View CAD Model |
| Pkg. Type: | VFQFPN |
| Pkg. Code: | NLG24 |
| Lead Count (#): | 24 |
| Pkg. Dimensions (mm): | 4.0 x 4.0 x 0.9 |
| Pitch (mm): | 0.5 |
| Moisture Sensitivity Level (MSL) | 1 |
| Pb (Lead) Free | Yes |
| ECCN (US) | EAR99 |
| HTS (US) | 8542.39.0090 |
| Lead Count (#) | 24 |
| Carrier Type | Reel |
| Moisture Sensitivity Level (MSL) | 1 |
| Qty. per Reel (#) | 2500 |
| Qty. per Carrier (#) | 0 |
| Pb (Lead) Free | Yes |
| Pb Free Category | e3 Sn |
| Temp. Range (°C) | -40 to 85°C |
| Additive Phase Jitter Typ RMS (fs) | 73 |
| Additive Phase Jitter Typ RMS (ps) | 0.073 |
| Adjustable Phase | No |
| Advanced Features | Mux/Demux with loopback |
| Channels (#) | 2 |
| Core Voltage (V) | 3.3 |
| Function | Buffer, Multiplexer |
| Input Freq (MHz) | 1750 |
| Input Type | LVDS, LVPECL, SSTL |
| Inputs (#) | 3 |
| Length (mm) | 4 |
| MOQ | 1000 |
| Output Banks (#) | 3 |
| Output Freq Range (MHz) | 1750 |
| Output Type | LVDS |
| Output Voltage (V) | 3.3 |
| Outputs (#) | 3 |
| Package Area (mm²) | 16 |
| Pitch (mm) | 0.5 |
| Pkg. Dimensions (mm) | 4.0 x 4.0 x 0.9 |
| Pkg. Type | VFQFPN |
| Product Category | Clock Buffers & Drivers, Clock Multiplexers, RF Buffers |
| Reel Size (in) | 13 |
| Requires Terms and Conditions | Does not require acceptance of Terms and Conditions |
| Supply Voltage (V) | 3.3 - 3.3 |
| Tape & Reel | Yes |
| Thickness (mm) | 0.9 |
| Width (mm) | 4 |
| 已发布 | No |
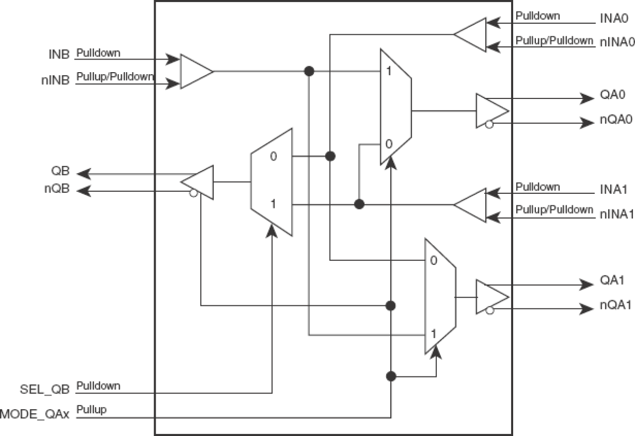
The 854S54I-02 is a dual 2:1 and 1:2 Multiplexer. The 2:1 Multiplexer allows one of 2 inputs to be selected onto one output pin and the 1:2 MUX switches one input to one of two outputs. This device is useful for allowing direct Advanced Mezzanine Card (AMC) to Advanced Mezzanine Card communication connected to an Advanced TCA Backplane via Fabric Hub Board. The 854S54I-02 is optimized for applications requiring very high performance and has a maximum operating frequency of 1.75GHz. The device is packaged in a small, 4mm x 4mm VFQFN package, making it ideal for use on space-constrained boards.