跳转到主要内容
瑞萨电子 (Renesas Electronics Corporation)

特性

  • Sixteen LVCMOS/LVTTL outputs (4 banks of 4 outputs)
  • Selectable differential CLK1/CLK1 or LVCMOS/LVTTL clock input
  • CLK1, CLK1 pair can accept the following differential input levels: LVPECL, LVDS, LVHSTL, SSTL, HCSL
  • CLK0 supports the following input types: LVCMOS, LVTTL
  • Maximum output frequency: 250MHz
  • Independent bank control for ÷1 or ÷2 operation
  • Independent output bank voltage settings for 3.3V, 2.5V, or 1.8V operation
  • Asynchronous clock enable/disable
  • Output skew: 170ps (maximum)
  • Bank skew: 50ps (maximum
  • Part-to-Part Skew: 800ps (maximum)
  • Supply modes: Core/Output 3.3V/3.3V 3.3V/2.5V 3.3V/1.8V 2.5V/2.5V 2.5V/1.8V
  • -40°C to 85°C ambient operating temperature
  • Available in both standard (RoHS 5) and lead-free (RoHS 6) packages

描述

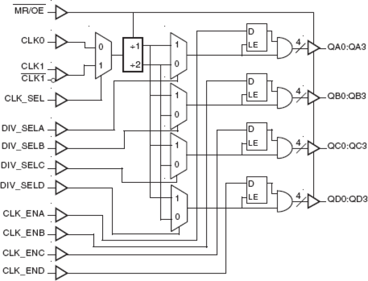
The 87016I is a low skew, 1:16 LVCMOS/LVTTL Clock Generator and is a member of the HiPerClockS family of High Performance Clock Solutions. The device has 4 banks of 4 outputs and each bank can be independently selected for ÷1 or ÷2 frequency operation. Each bank also has its own power supply pins so that the banks can operate at the following different voltage levels: 3.3V, 2.5V, and 1.8V. The low impedance LVCMOS/LVTTL outputs are designed to drive 50? series or parallel terminated transmission lines. The divide select inputs, DIV_SELA:DIV_SELD, control the output frequency of each bank. The output banks can be independently selected for ÷1 or ÷2 operation. The bank enable inputs, CLK_ENA:CLK_END, support enabling and disabling each bank of outputs individually. The CLK_ENA:CLK_END circuitry has a synchronizer to prevent runt pulses when enabling or disabling the clock outputs. The master reset input, MR/OE, resets the ÷1/÷2 flip flops and also controls the active and high impedance states of all outputs. This pin has an internal pull-up resistor and is normally used only for test purposes or in systems which use low power modes. The 87016I is characterized to operate with the core at 3.3V or 2.5V and the banks at 3.3V, 2.5V, or 1.8V. Guaranteed bank, output, and part-to-part skew characteristics make the 87016I ideal for those clock applications demanding well-defined performance and repeatability.

当前筛选条件