| CAD 模型: | View CAD Model |
| Pkg. Type: | SOIC |
| Pkg. Code: | DCG8 |
| Lead Count (#): | 8 |
| Pkg. Dimensions (mm): | 4.9 x 3.9 x 1.5 |
| Pitch (mm): | 1.27 |
| Moisture Sensitivity Level (MSL) | 1 |
| Pb (Lead) Free | Yes |
| ECCN (US) | EAR99 |
| HTS (US) | 8542.39.0090 |
| Lead Count (#) | 8 |
| Carrier Type | Tube |
| Moisture Sensitivity Level (MSL) | 1 |
| Input Type | LVDS, LVPECL, LVHSTL, SSTL, HCSL, LVCMOS, GTL |
| Qty. per Reel (#) | 0 |
| Qty. per Carrier (#) | 97 |
| Pb (Lead) Free | Yes |
| Pb Free Category | e3 Sn |
| Temp. Range (°C) | -40 to 85°C |
| Additive Phase Jitter Typ RMS (fs) | 170 |
| Additive Phase Jitter Typ RMS (ps) | 0.17 |
| Core Voltage (V) | 3.3 |
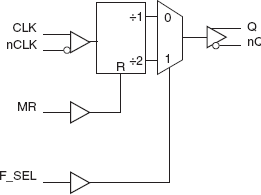
| Divider Value | 1, 2 |
| Function | Divider |
| Input Freq (MHz) | 1000 |
| Inputs (#) | 1 |
| Length (mm) | 4.9 |
| MOQ | 97 |
| Output Banks (#) | 1 |
| Output Freq Range (MHz) | 1000 |
| Output Type | LVDS |
| Output Voltage (V) | 3.3 |
| Outputs (#) | 1 |
| Package Area (mm²) | 19.1 |
| Pitch (mm) | 1.27 |
| Pkg. Dimensions (mm) | 4.9 x 3.9 x 1.5 |
| Pkg. Type | SOIC |
| Product Category | Clock Buffers & Drivers |
| Requires Terms and Conditions | Does not require acceptance of Terms and Conditions |
| Tape & Reel | No |
| Thickness (mm) | 1.5 |
| Width (mm) | 3.9 |
| 已发布 | No |
The 87421I is a high performance ÷1/÷2 Differential-to-LVDS Clock Generator. The CLK, nCLK pair can accept most standard differential input levels. The 87421I is characterized to operate from a 3.3V power supply. Guaranteed part-to-part skew characteristics make the 87421I ideal for those clock distribution applications demanding well defined performance and repeatability.