跳转到主要内容
瑞萨电子 (Renesas Electronics Corporation)

特性

  • Fully integrated PLL
  • Seventeen LVCMOS/LVTTL outputs, 15? typical output impedance
  • Selectable crystal oscillator interface or LVCMOS/LVTTL REF_CLK
  • Maximum output frequency: 166.67MHz
  • Maximum crystal input frequency: 38MHz
  • Maximum REF_CLK input frequency: 83.33MHz
  • Individual banks with selectable output dividers for generating 33.333MHz, 66.66MHz, 100MHz and 133.333MHz simultaneously
  • Separate feedback control for generating PCI / PCI-X frequencies from a 20MHz or 25MHz crystal or 33.333MHz or 66.666MHz reference frequency
  • Cycle-to-cycle jitter: 70ps (maximum)
  • Period jitter, RMS: 17ps (maximum)
  • Output skew: 230ps (maximum)
  • Bank skew: 40ps (maximum)
  • Static phase offset: 0 ± 150ps (maximum)
  • Full 3.3V or 3.3V core, 2.5V multiple output supply modes
  • 0°C to 85°C ambient operating temperature
  • Available in lead-free RoHS-compliant package

描述

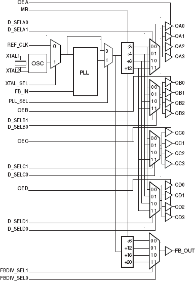
The 8761 is a low voltage, low skew PCI / PCI-X Clock Generator. The 8761 has a selectable REF_CLK or crystal input. The REF_CLK input accepts LVCMOS or LVTTL input levels. The 8761 has a fully integrated PLL along with frequency configurable clock and feedback outputs for multiplying and regenerating clocks with "zero delay". Using a 20MHz or 25MHz crystal or a 33.333MHz or 66.666MHz reference frequency, the 8761 will generate output frequencies of 33.333MHz, 66.666MHz, 100MHz and 133.333MHz simultaneously. The low impedance LVCMOS/LVTTL outputs of the 8761 are designed to drive 50Ω series or parallel terminated transmission lines.

当前筛选条件