| Pkg. Type: | TQFP |
| Pkg. Code: | PRG32 |
| Lead Count (#): | 32 |
| Pkg. Dimensions (mm): | 7.0 x 7.0 x 1.4 |
| Pitch (mm): | 0.8 |
| Moisture Sensitivity Level (MSL) | 3 |
| Pb (Lead) Free | Yes |
| ECCN (US) | EAR99 |
| HTS (US) | 8542.39.0090 |
| Lead Count (#) | 32 |
| Carrier Type | Reel |
| Moisture Sensitivity Level (MSL) | 3 |
| Qty. per Reel (#) | 2000 |
| Qty. per Carrier (#) | 0 |
| Pb (Lead) Free | Yes |
| Pb Free Category | e3 Sn |
| Temp. Range (°C) | -40 to 85°C |
| C-C Jitter Typ P-P (ps) | 100 |
| Core Voltage (V) | 3.3 |
| Feedback Input | No |
| Input Freq (MHz) | 100 |
| Input Type | HCSL, HSTL, LVCMOS, LVDS, LVPECL, SSTL |
| Inputs (#) | 2 |
| Length (mm) | 7 |
| MOQ | 1000 |
| Output Banks (#) | 4 |
| Output Freq Range (MHz) | 25 - 180 |
| Output Skew (ps) | 375 |
| Output Type | LVCMOS |
| Output Voltage (V) | 3.3 |
| Outputs (#) | 9 |
| Package Area (mm²) | 49 |
| Pitch (mm) | 0.8 |
| Pkg. Dimensions (mm) | 7.0 x 7.0 x 1.4 |
| Pkg. Type | TQFP |
| Prog. Clock | No |
| Reel Size (in) | 13 |
| Requires Terms and Conditions | Does not require acceptance of Terms and Conditions |
| Tape & Reel | Yes |
| Thickness (mm) | 1.4 |
| Width (mm) | 7 |
| 已发布 | No |
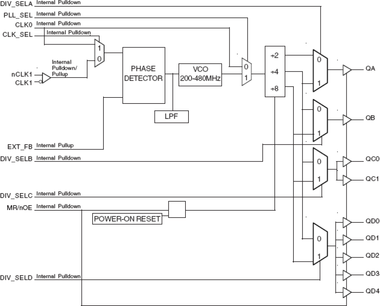
The 87951I is a low voltage, low skew 1-to-9 Differential-to-LVCMOS/LVTTL Cock Generator. The CS87951I has two selectable clock inputs. The single ended clock input accepts LVCMOS or LVTTL input levels. The CLK1, nCLK1 pair can accept most standard differential input levels. With output frequencies up to 180MHz, the 87951I is targeted for high performance clock applications. Along with a fully integrated PLL, the 87951I contains frequency configurable outputs and an external feedback input for regenerating clocks with "zero delay".