特性
- 四个独立的定时通道
- 抖动输出低于 150fs RMS(典型值)
- 数字 PLL(DPLL)可锁定 0.5Hz 至 1GHz 范围内的任何频率
- DPLL/数控振荡器(DCO)可产生 0.5Hz 至 1GHz 的任意频率
- DCO 输出可与任何 DPLL 或 DCO 的输出在相位和频率上保持一致
- DPLL 符合 ITU-T G.8262 同步以太网(SyncE)标准
- IEEE 1588 支持:
- DCO 可由外部 IEEE 1588 软件控制,以合成频率分辨率小于 1.11x10-16 的精密时间协议 (PTP) / IEEE 1588 时钟
- 组合总线简化了符合 ITU-T G.8273.2 的标准程序
- 用于相位测量和控制的精确(1ps)分辨率
- 所有输出/输入均可配置为 PWM 时钟信号的解码/编码
- PWM 可用于发送和接收嵌入式帧脉冲和同步脉冲,以及每日时间 (ToD) 和其他数据
- 该器件需要晶体振荡器或基模晶体:25MHz 至 54MHz
- 可选 XO_DPLL 输入允许更广的 XO、TCXO 或 OCXO 频率范围(1MHz 至 150MHz),适用于需要高稳定性本地振荡器的应用。
- 串行处理器端口支持 1MHz I2C 或 50MHz SPI
描述
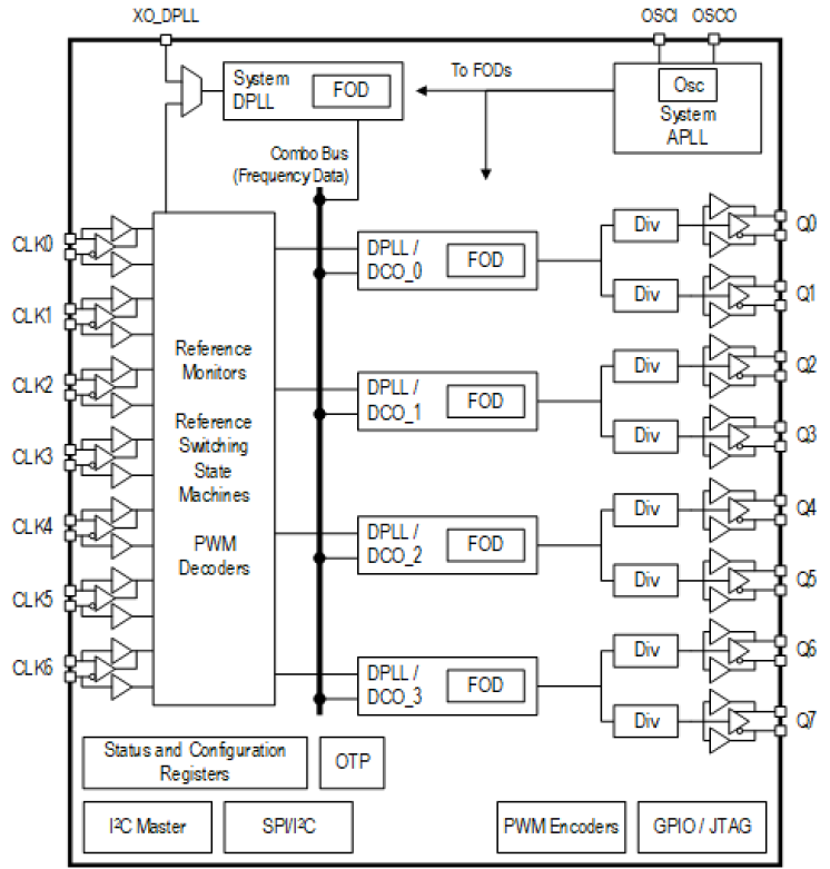
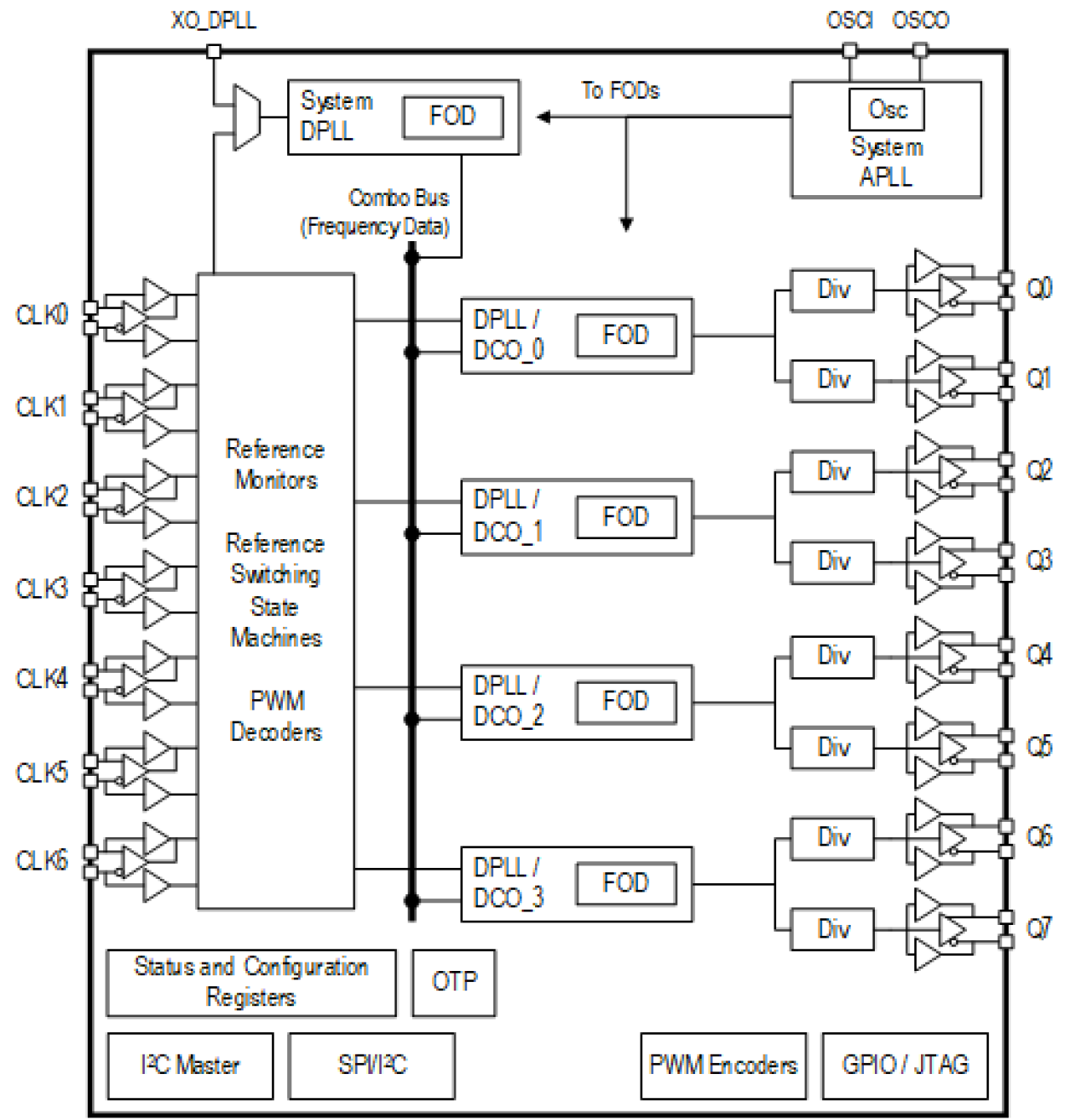
8A34002 IEEE 1588 系统同步器根据 IEEE 1588 精确时间协议(PTP)和同步以太网(SyncE)生成超低抖动的精确定时信号。 该器件可用作系统的单个定时和同步源,也可以将两个器件用作冗余对,以提高系统可靠性。 数控振荡器(DCO)可由运行在外部处理器上的 IEEE 1588 时钟恢复伺服软件进行控制。 该器件支持使用数字 PLL(DPLL)和其他时序模块实现同步设备时序源(SETS)以实现 SyncE 的物理层时序。 DCO 可单独使用 IEEE 1588 信息进行控制,也可根据 ITU-T G.8273.2 将 IEEE 1588 时间信息与来自 SyncE 的物理层频率信息相结合。 该器件可用于主动测量和补偿跨背板和跨电路板的时钟传播延迟,以确保系统中 IEEE 1588 时间戳单元(TSU)之间以最小的时间误差准确分配时间和相位。 该器件支持多个独立通道,用于控制 IEEE 1588 时钟合成、SyncE 时钟生成、抖动衰减和通用频率转换。 输入到输入、输入到输出、输出到输出的相位偏移都可以精确管理。 该器件输出超低抖动时钟,可直接同步运行速度高达 28Gbps 的 SERDES,以及 CPRI/OBSAI、SONET/SDH 和 PDH 接口和 IEEE 1588 TSU。
如需查看该产品系列中的其他器件,请访问 ClockMatrix 定时解决方案 页面。
为了在 IEEE 1588 系统中轻松实现同步,瑞萨电子经许可免费提供 PTP 时钟管理器软件 。
产品参数
| 属性 | 值 |
|---|---|
| Diff. Outputs | 8 |
| Output Freq Range (MHz) | 5.0E-7 - 1000 |
| Diff. Inputs | 7 |
| Output Type | HSTL, LVCMOS, LVDS, LVHSTL, LVPECL, LVTTL |
| Battery Backup | No |
| Battery Seal | No |
| CPU Supervisory Function POR | No |
| Crystal Frequency Trimming | No |
| Frequency Out Pin | No |
| Inputs (#) | 14 |
| Input Freq (MHz) | 5.0E-7 - 1000 |
| Channels (#) | 4 |
| Function | System Synchronizer |
| Input Type | HCSL, LVDS, LVHSTL, LVPECL, SSTL |
| Output Banks (#) | 4 |
| Core Voltage (V) | 2.5V, 3.3V |
| Output Voltage (V) | 1.2V, 1.5V, 1.8V, 2.5V, 3.3V |
封装选项
| Pkg. Type | Pkg. Dimensions (mm) | Lead Count (#) | Pitch (mm) |
|---|---|---|---|
| VFQFPN | 10.0 x 10.0 x 1.0 | 72 | 0.5 |
当前筛选条件
筛选
软件与工具
样例程序
模拟模型
Introducing the IDT ClockMatrix™ family of devices - high-performance, precision timing solutions designed to simplify clock designs for applications with up to 100 Gbps interface speeds.
They can be used anywhere in a system to perform critical timing functions, such as clock generation, frequency translation, jitter attenuation and phase alignment. A range of devices in the family support BBU, OTN, SyncE, synthesizer and jitter attenuator applications with several density options for each.
For more information, visit the ClockMatrix™ Timing Solutions page.