特性
- Ten LVCMOS/LVTTL outputs up to 200MHz
- Differential input pair can accept the following differential input levels: LVPECL, LVDS, HCSL
- Crystal oscillator interface
- Crystal input frequency range: 8MHz to 50MHz
- Output skew: 63ps (typical)
- Additive RMS phase jitter: 22fs (typical)
- Power supply modes:
Core/Output
3.3V/3.3V
3.3V/2.5V
3.3V/1.8V
3.3V/1.5V
2.5V/2.5V
2.5V/1.8V
2.5V/1.5V - -40 °C to 85 °C ambient operating temperature
- Lead-free (RoHS 6) packaging
描述
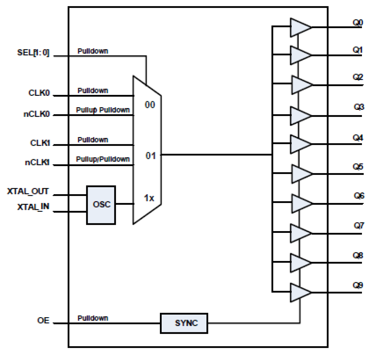
The 8L30110 is a low skew, 1-to-10 LVCMOS/LVTTL fanout buffer. The low impedance LVCMOS/LVTTL outputs are designed to drive 50Ω series or parallel terminated transmission lines.
The 8L30110 is characterized at full 3.3V and 2.5V, mixed 3.3V/2.5V, 3.3V/1.8V, 3.3V/1.5V, 2.5V/1.8V and 2.5V/1.5V output operating supply modes. The input clock is selected from two differential clock inputs or a crystal input. The differential input can be wired to accept a single-ended input. The internal oscillator circuit is automatically disabled if the crystal input is not selected.
产品参数
| 属性 | 值 |
|---|---|
| Function | Buffer, Multiplexer |
| Outputs (#) | 10 |
| Output Type | LVCMOS |
| Output Freq Range (MHz) | 200 |
| Input Type | LVCMOS, LVPECL, LVDS, HCSL, Crystal |
| Output Banks (#) | 1 |
| Output Voltage (V) | 3.3V, 2.5V, 1.8V, 1.5V |
| Output Skew (ps) | 63 |
| Additive Phase Jitter Typ RMS (fs) | 22 |
封装选项
| Pkg. Type | Pkg. Dimensions (mm) | Lead Count (#) | Pitch (mm) |
|---|---|---|---|
| VFQFPN | 5.0 x 5.0 x 0.9 | 32 | 0.5 |
当前筛选条件
加载中
筛选
软件与工具
样例程序
模拟模型
新闻和博客
博客
2018年12月15日
|