跳转到主要内容
瑞萨电子 (Renesas Electronics Corporation)

特性

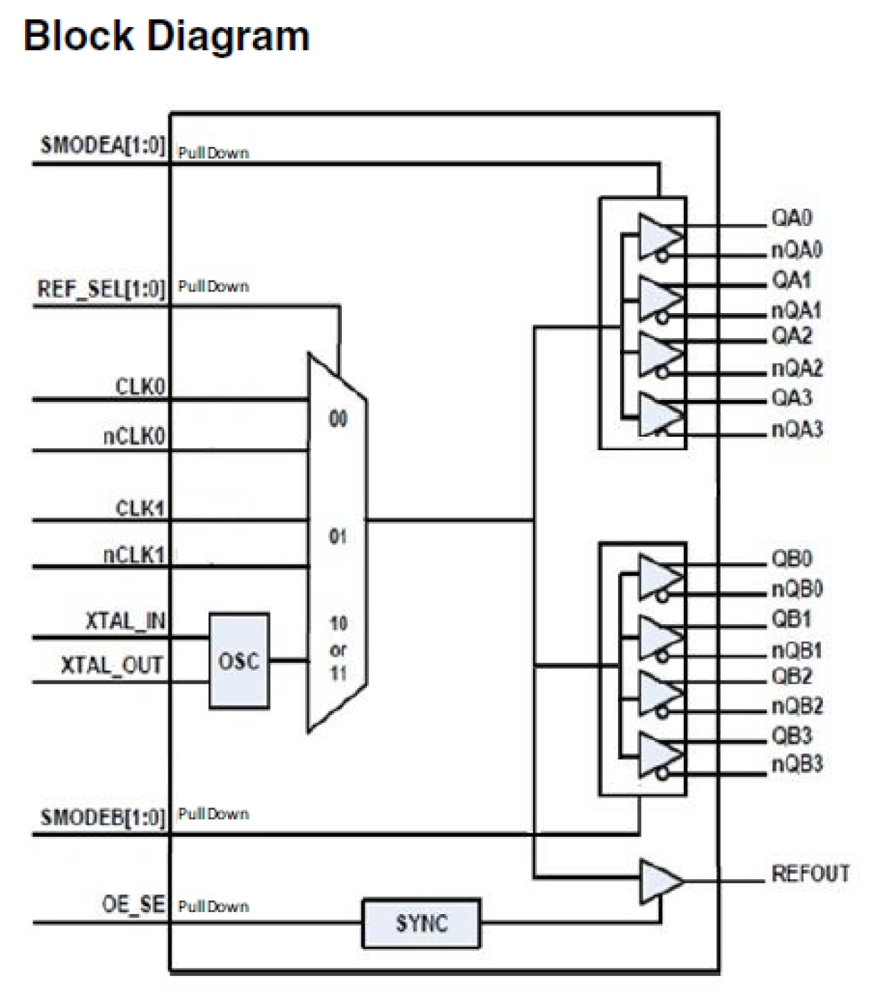
  • Two differential reference clock input pairs
  • Differential input pairs can accept the following input levels: LVPECL, LVDS, HCSL, HSTL, and single-ended
  • Crystal oscillator interface
  • Crystal input frequency range: 10MHz to 40MHz
  • Maximum output frequency
    LVPECL - 2GHz
    LVDS - 2GHz
    HCSL - 250MHz
    LVCMOS - 250MHz
  • Two banks, each has four differential output pairs that can be configured as LVPECL, LVDS, or HCSL
  • One single-ended reference output with synchronous enable to avoid clock glitch
  • Output skew: 80ps (maximum)
    (Bank A and Bank B at the same output level)
  • Part-to-part skew: 200ps (typical)
  • Additive RMS phase jitter at 156.25MHz, (12kHz to 20MHz):
    34.7fs (typical), 3.3V/3.3V
  • Supply voltage modes:
    VDD/VDDO
    3.3V/3.3V
    3.3V/2.5V
    2.5V/2.5V
  • -40 °C to 85 °C ambient operating temperature
  • Lead-free (RoHS 6) packaging

描述

The 8T39S08A is a high-performance clock fanout buffer. The input clock can be selected from two differential inputs or one crystal input. The internal oscillator circuit is automatically disabled if the crystal input is not selected. The crystal pin can be driven by a single-ended clock. The selected signal is distributed to eight differential outputs which can be configured as LVPECL, LVDS, and HCSL outputs. In addition, an LVCMOS output is provided. All outputs can be disabled into a high-impedance state. The device is designed for a signal fanout of high-frequency, low phase-noise clock and data signal. The outputs are at a defined level when inputs are open or tied to ground. It is designed to operate from a 3.3V or 2.5V core power supply, and either a 3.3V or 2.5V output operating supply.

产品参数

属性
Temp. Range (°C)-40 to 85°C
Product CategoryClock Buffers & Drivers

封装选项

Pkg. TypePkg. Dimensions (mm)Lead Count (#)Pitch (mm)
VFQFPN6.0 x 6.0 x 0.9400.5

当前筛选条件