跳转到主要内容
瑞萨电子 (Renesas Electronics Corporation)

特性

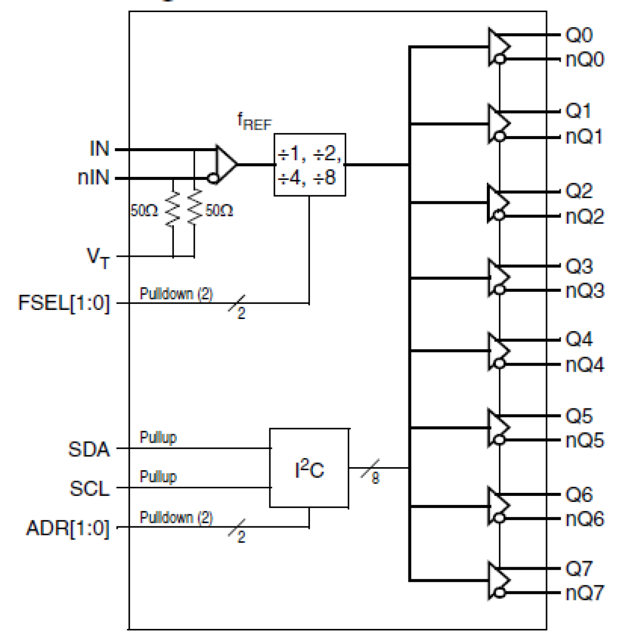
  • One differential input reference clock
  • Differential pair can accept the following differential input levels: LVDS, LVPECL, CML
  • Integrated input termination resistors
  • Eight LVPECL outputs
  • Selectable clock frequency division of ÷1, ÷2, ÷4, and ÷8
  • Maximum input clock frequency: 1GHz
  • LVCMOS interface levels for the control inputs
  • Individual output enable/disabled by I2C interface
  • Power-up state: all outputs disabled
  • Output skew: 60ps (maximum)
  • Output rise/fall times: 350ps (maximum)
  • Low additive phase jitter, RMS: 182fs (typical)
  • Full 2.5V and 3.3V supply voltages
  • Lead-free (RoHS 6) 32-lead VFQFN packaging
  • -40 °C to 85 °C ambient operating temperature

描述

The 8T73S208A-01 is a high-performance differential LVPECL clock divider and fanout buffer. The device is designed for the frequency division and signal fanout of high-frequency, low phase noise clocks. The 8T73S208A-01 is characterized to operate from a 2.5V and 3.3V power supply. Guaranteed output-to-output and part-to-part skew characteristics make the 8T73S208A-01 ideal for those clock distribution applications demanding well-defined performance and repeatability. The integrated input termination resistors make interfacing to the reference source easy and reduce passive component count. Each output can be individually enabled or disabled in the high-impedance state controlled by an I2C register. On power-up, all outputs are disabled.

当前筛选条件