特性
- High-performance, flexible clock/data/1PPS fanout buffer
- Low phase noise floor: -160dBc/Hz (156.56MHz clock)
- Integrated phase noise of 50fs RMS typical (12kHz–20MHz)
- Flexible input selection (single fanout, dual buffer, switch)
- Eight differential outputs, organized in two banks of four outputs
- Low-power LVPECL/LVDS outputs
- Individually configured outputs through an I2C interface (style, amplitude, enable)
- Supported clock frequency range: 0 to 3GHz
- 3.3V/2.5V core and 3.3V/2.5V/1.8V output supply voltage
- Selectable I2C I/O interface voltage: 1.8V and VDD
- Integrated low dropout regulators (LDOs) for excellent power supply noise rejection
- Package: 6 × 6 mm 40-VFQFPN
- Temperature range: -40°C to +105°C
描述
The 8T79S308 is a fully integrated signal fanout buffer for high-performance, low additive phase noise applications. The main function of the device is the distribution and fanout of high-frequency clocks or low-frequency synchronization signals. The 8T79S308 is optimized to deliver very low phase noise clocks and precise, low-skew outputs, low device-to-device skew characteristics and fast output rise/fall times help the system design to achieve deterministic clock phase relationship across devices.
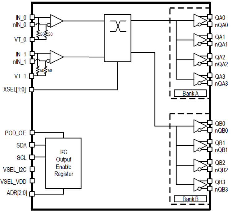
The device distributes the input signals (IN_0, IN_1) to two fanout banks. A input select logic allows the device to operate as 1:8 buffer, dual 1:4 buffers, and to cross the input signals. The propagation delay in both outputs banks is designed for equal delay to support fixed phase relationships between both banks. All outputs are very flexible in LVPECL/LVDS output style configuration, output signal termination, and allow both DC and AC coupling. Outputs can be individually disabled through a serial interface.
The device is packaged in a lead-free (RoHS 6) 40-VFQFPN package. The extended temperature range supports wireless infrastructure, telecommunication, and networking end equipment requirements. The 8T79S308 is a member of the high-performance clock family from IDT.
产品参数
| 属性 | 值 |
|---|---|
| Function | Buffer |
| Outputs (#) | 8 |
| Output Type | LVPECL, LVDS |
| Output Freq Range (MHz) | 3000 |
| Input Type | LVPECL, LVDS |
| Output Banks (#) | 2 |
| Output Voltage (V) | 2.5V, 3.3V, 1.8V |
| Output Skew (ps) | 35 |
| Additive Phase Jitter Typ RMS (fs) | 50 |
| Prog. Interface | I2C |
封装选项
| Pkg. Type | Pkg. Dimensions (mm) | Lead Count (#) | Pitch (mm) |
|---|---|---|---|
| VFQFPN | 6.0 x 6.0 x 0.9 | 40 | 0.5 |
当前筛选条件