特性
- 高性能时钟 RF-PLL,支持 JESD204B
- 针对低相位噪声进行了优化:-150dBc/Hz(800kHz 偏移;245.76MHz 时钟)
- 积分相位噪声:52fs RMS(典型值,12kHz–20MHz)
- 双 PLL 架构
- 带外部 VCXO 的第一级 PLL 级,可衰减时钟抖动
- 带内部 FemtoClock NG PLL 的第二级 PLL:2949.12MHz
- 3932.16MHz:参见 8V19N492-39
- 3686.4MHz:参见 8V19N491-36
- 2457.6MHz:参见 8V19N490-24 和 8V19N491-24
- 1966.08MHz:参见 8V19N490-19
- 六个输出通道,共 19 个输出,分为:
- 四个 JESD204B 通道(器件时钟和 SYSREF 输出),具有二路、四路和六路输出
- 一个时钟通道,两个输出
- 一个 VCXO 输出
- 可配置整数时钟分频器
- 支持的时钟输出频率包括:2949.12、1474.56、983.04、491.52、245.76、122.88
- 低功耗 LVPECL/LVDS 输出支持可配置的信号幅度、直流和交流耦合以及 LVPECL、LVDS 线路端接技术
- 相位延迟电路:
- 时钟相位延迟,256 步 339ps,范围 0 至 86.466ns
- 具有八级 169ps 的独立 SYSREF 相位延迟
- 额外的单个 SYSREF 精细相位延迟,步长 25ps
- 全局 SYSREF 信号延迟,256 步 339ps,范围 0 至 86.466ns
- 冗余输入时钟架构有四个输入端,包括:
- 输入活动监控
- 手动和自动、故障触发时钟选择模式
- 优先控制时钟选择
- 数字保持和无中断切换
- 差分输入接受 LVDS 和 LVPECL 信号
- SYSREF 生成模式包括 JESD204B 的内部和外部触发模式
- 供电电压:3.3V
- SPI 和控制 I/O 电压:1.8V/3.3V(可选)
- 封装:11 x 11 mm 100-CABGA
描述
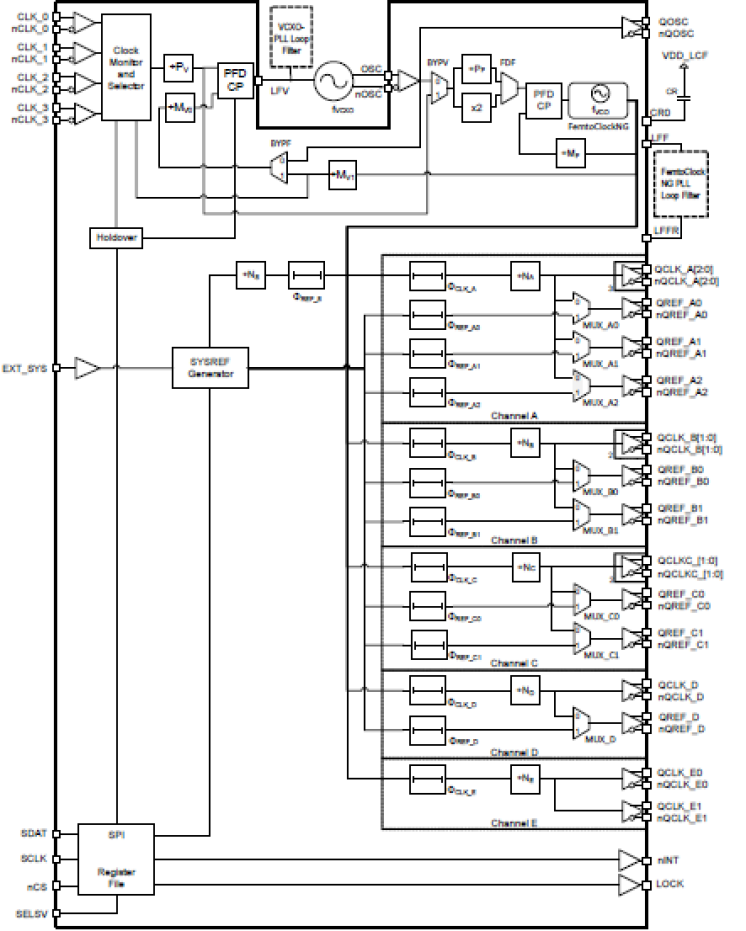
8V19N490 是一款完全集成的 FemtoClock® NG 抖动衰减器和时钟合成器,是用于无线基站无线电设备板的调理和频率/相位管理的高性能时钟解决方案。 该器件经过优化,可提供出色的相位噪声性能,满足 GSM、WCDMA、LTE 和 LTE-A 无线电板实施的要求。 该器件支持 JESD204B 子类 0 和 1 时钟。
两级 PLL 架构支持抖动衰减和倍频。 第一级 PLL 是抖动衰减器,使用外部 VCXO 来实现最佳的相位噪声特性。 第二级 PLL 锁定 VCXO-PLL 输出信号并合成目标频率。
该器件支持从所选 VCO 和低频同步信号(SYSREF)生成高频时钟。 SYSREF 信号在内部与时钟信号同步。 另外还具有延时功能,可实现系统参考信号和时钟信号之间的调整和可控相位延迟,并能调整/延迟个别输出信号。 对四个冗余输入端进行活动监控。 该器件提供了四种可选的时钟切换模式,用于处理时钟输入故障情况。 增加了自动锁定、单独可编程的输出分频器和相位调整功能,以提高灵活性。 该器件通过三线 SPI 接口进行配置,并通过内部寄存器和锁定检测(LOCK)输出报告锁定和信号丢失状态。 内部状态位变化也可通过 nINT 输出报告。 8V19N490 是无线基础设施、雷达/成像和仪器/医疗应用中驱动转换器电路的理想之选。
有关评估板和材料的信息,请联系您当地的销售代表。
产品参数
| 属性 | 值 |
|---|---|
| Output Freq Range (MHz) | 18.432 - 2949.12 |
| Accepts Spread Spec Input | No |
| Supply Voltage (V) | 3.3 - 3.3 |
| Output Type | LVDS, LVPECL |
| Package Area (mm²) | 64 |
| Battery Backup | No |
| Battery Seal | No |
| CPU Supervisory Function POR | No |
| Crystal Frequency Trimming | No |
| Frequency Out Pin | No |
| Inputs (#) | 4 |
| Input Freq (MHz) | 1.92 - 2000 |
| DPLL Channels (#) | 0 |
| JESD204B/C Compliant | Yes |
| Frequency Plan | 2949.12 / Output_Divider |
| Adjustable Phase | Yes |
| Noise Floor (dBc/Hz) | -160 |
| Phase Noise Supports GSM | Yes |
| Synthesis Mode | Integer |
| Input Ref. Divider Resolution (bits) | 12 |
| Feedback Divider Resolution (bits) | 12 |
| Output Divider Resolution (bits) | 8 |
| Input Redundancy | Input Monitor, Auto-switch, Manual switch, Revertive and non-revertive switch, Holdover |
| Channels (#) | 1 |
| Additive Phase Jitter Typ RMS (fs) | 52 |
| Input Type | LVDS, LVPECL |
| Output Banks (#) | 5 |
| Core Voltage (V) | 3.3 |
| Output Voltage (V) | 3.3 |
封装选项
| Pkg. Type | Pkg. Dimensions (mm) | Lead Count (#) | Pitch (mm) |
|---|---|---|---|
| CABGA | 11.0 x 11.0 x 1.2 | 100 | 1 |
当前筛选条件
加载中
筛选
软件与工具
样例程序
模拟模型
新闻和博客
新闻 2021年11月10日 |
博客 2021年4月27日 |
博客 2018年4月27日 |
新闻 2017年12月18日 |