特性
- 时钟和 SYSREF 信号的分配、扇出、相位延迟
- 极低的输出本底噪声:-158.8dBc/Hz 本底噪声(245.76MHz)
- 支持高达 3GHz 的时钟频率,包括 983.04MHz、491.52MHz、245.76MHz 和 122.88MHz 的时钟输出频率
- 4 个输出通道,共 16 个差分输出
- 每个通道都包含分频器和时钟相位延迟电路
- 跨多个缓冲器的相位对齐模式,具有任何分频器设置
- 灵活的差分输出(LVDS/LVPECL/幅度可配置)
- 通过 3 线 SPI 接口进行配置
- 电源电压:- 3.3V 内核和信号 I/O
- 1.8V 数字控制 SPI I/O(3.3V 容限输入)
 
- 64-VFQFPN 封装(9 × 9 × 0.85 mm)
- 环境温度范围:-40°C 至 +105°C(外壳)
描述
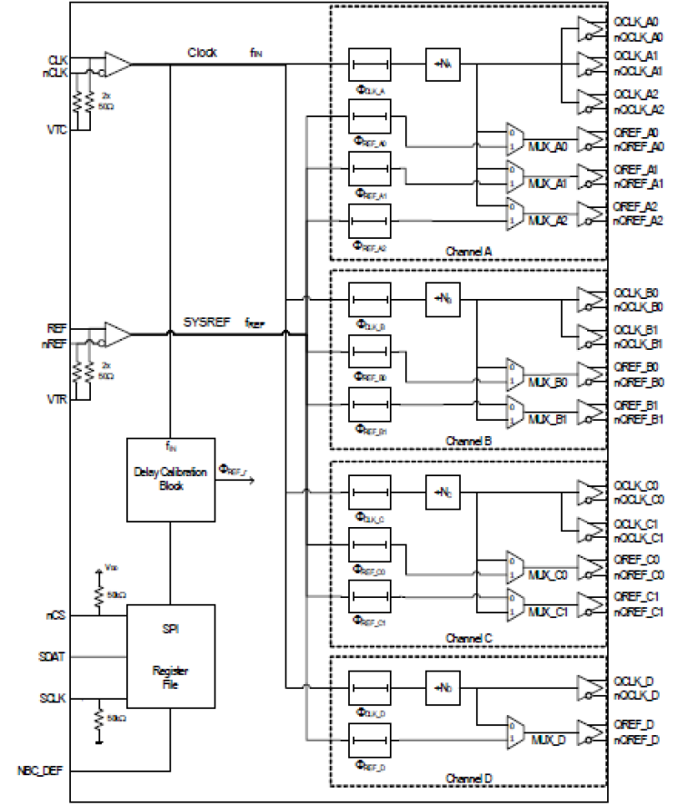
8V79S683 是一款完全集成的时钟和 SYSREF 信号扇出缓冲器,适用于 JESD204B/C 应用。 该器件是专为无线基站无线电设备电路板设计的高性能时钟和转换器同步解决方案,符合 JESD204B/C 子类 0、1 和 2 标准。 该器件的主要功能是分配和扇出由 JESB204B 时钟发生器(如 IDT 8V19N490)生成的高频时钟和低频系统参考信号,从而扩展其扇出功能并提供额外的相位延迟。 8V79S683 经过优化,可提供相位噪声极低的时钟和精确的相位可调 SYSREF 同步信号。 低偏移输出、低器件间偏移特性和快速输出上升/下降时间有助于系统设计实现跨器件的确定性时钟和 SYSREF 相位关系。
该器件将输入时钟(CLK)和 JESD204B SYSREF 信号(REF)分配到四个扇出通道。 输入时钟信号可以进行分频,并扇出到多个时钟(QCLK_y)和 SYSREF(QREF_r)输出。 可配置的相位延迟电路可用于时钟和 SYSREF 信号。 所有信号路径中的传播延迟都是完全确定的,以支持一个器件内时钟和 SYSREF 信号之间的固定相位关系。 该器件可辅助实现器件内部分频器之间以及多个器件之间的同步,消除分频器在电源和配置周期之间引入的相位模糊性。
产品参数
| 属性 | 值 | 
|---|---|
| Outputs (#) | 16 | 
| Inputs (#) | 2 | 
| Divider Value | 1, 2, 3, 4, 6, 8, 12, 16, 24 | 
| Channels (#) | 2 | 
| Input Freq (MHz) | 0 - 3000 | 
| Output Freq Range (MHz) | 0 - 3000 | 
| Output Skew (ps) | 100 | 
| Adjustable Phase | Yes | 
| Noise Floor (dBc/Hz) | -158.8 | 
| Output Type | LVPECL, LVDS | 
| Supply Voltage (V) | 3.3 - 3.3 | 
| Advanced Features | JESD204B, Dual Buffer, Individual output bank enable, Individual output enable, Per-bank divider, Universal outputs | 
| 105°C Max. Case Temp. | 1 | 
封装选项
| Pkg. Type | Pkg. Dimensions (mm) | Lead Count (#) | Pitch (mm) | 
|---|---|---|---|
| VFQFPN | 9.0 x 9.0 x 0.9 | 64 | 0.5 | 
当前筛选条件
加载中