| CAD 模型: | View CAD Model |
| Pkg. Type: | TSSOP |
| Pkg. Code: | PAG56 |
| Lead Count (#): | 56 |
| Pkg. Dimensions (mm): | 14.0 x 6.1 x 1.0 |
| Pitch (mm): | 0.5 |
| Moisture Sensitivity Level (MSL) | 1 |
| Pb (Lead) Free | Yes |
| ECCN (US) | EAR99 |
| HTS (US) | 8542.39.0090 |
| Lead Count (#) | 56 |
| Carrier Type | Tube |
| Moisture Sensitivity Level (MSL) | 1 |
| App Jitter Compliance | PCIe Gen1, PCIe Gen2, FBD |
| Qty. per Reel (#) | 0 |
| Qty. per Carrier (#) | 34 |
| Pb (Lead) Free | Yes |
| Pb Free Category | e3 Sn |
| Temp. Range (°C) | 0 to 70°C |
| 100M Non-SSC Outputs | 0 |
| 100M SSC Outputs | 4 |
| 25M Outputs | 0 |
| Advanced Features | 14.318M output(s), 48M output(s), 100M output(s), 133.33M output(s), 200M output(s), 266.67M output(s), 333.33M output(s), 400M output(s) |
| Chipset Manufacturer | Intel |
| Clock Spec. | CK410B+ |
| Diff. Termination Resistors | 36 |
| Function | Clock Generator |
| Length (mm) | 14 |
| MOQ | 170 |
| Output Type | HCSL, LVTTL |
| PCI 33.33M Outputs (#) | 7 |
| Package Area (mm²) | 85.4 |
| Pitch (mm) | 0.5 |
| Pkg. Dimensions (mm) | 14.0 x 6.1 x 1.0 |
| Pkg. Type | TSSOP |
| Power Consumption Typ (mW) | 1156 |
| Price (USD) | $11.41 |
| Product Category | Processor Clock Generators |
| Requires Terms and Conditions | Does not require acceptance of Terms and Conditions |
| Supply Voltage (V) | 3.3 - 3.3 |
| Tape & Reel | No |
| Thickness (mm) | 1 |
| Width (mm) | 6.1 |
| Xtal Freq (MHz) | 14.318 - 14.318 |
| 已发布 | No |
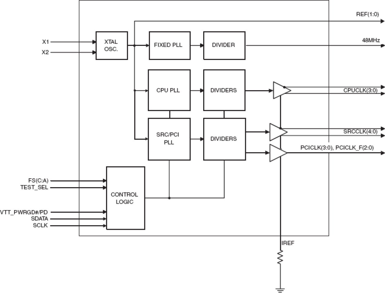
The IDT932S421 is a main clock synthesizer for CK410B+ generation Intel server platforms. The IDT932S421 is driven with a 14.318MHz crystal. It generates 4 CPU outputs up to 400MHz and 5 PCIe Gen2 PCI-Express clocks. The 48 MHz USB clock is an exact 48.000 MHz clock.