跳转到主要内容
K8 Clock Chip For Serverworks GC-HT 2-Way Servers

封装信息

CAD 模型: View CAD Model
Pkg. Type: SSOP
Pkg. Code: PVG48
Lead Count (#): 48
Pkg. Dimensions (mm): 15.9 x 7.5 x 2.3
Pitch (mm): 0.64

环境和出口类别

Pb (Lead) Free Yes
ECCN (US) EAR99
HTS (US) 8542.39.0090
Moisture Sensitivity Level (MSL) 1

产品属性

Pkg. Type SSOP
Lead Count (#) 48
Pb (Lead) Free Yes
Carrier Type Tube
Accepts Spread Spec Input No
App Jitter Compliance PCIe Gen1
C-C Jitter Max P-P (ps) 125
Core Voltage (V) 3.3
Diff. Output Signaling HCSL
Input Freq (MHz) 14.32 - 14.32
Length (mm) 15.9
MOQ 150
Moisture Sensitivity Level (MSL) 1
Output Freq Range (MHz) 14.32 - 220
Output Skew (ps) 250
Output Type 3.3V LVCMOS, HCSL
Output Voltage (V) 0.7V, 3.3V
Outputs (#) 17
PCIe Generation Gen1
Package Area (mm²) 119.3
Pb Free Category e3 Sn
Pitch (mm) 0.64
Pkg. Dimensions (mm) 15.9 x 7.5 x 2.3
Platform Name Serverworks GC-HT
Qty. per Carrier (#) 30
Qty. per Reel (#) 0
Reference Output Yes
Requires Terms and Conditions Does not require acceptance of Terms and Conditions
Spread Spectrum Yes
Supply Voltage (V) 3.3 - 3.3
Tape & Reel No
Temp. Range (°C) 0 to 70°C
Thickness (mm) 2.3
Width (mm) 7.5
Xtal Freq (KHz) 14.32 - 14.32
Xtal Inputs (#) 1
已发布 No

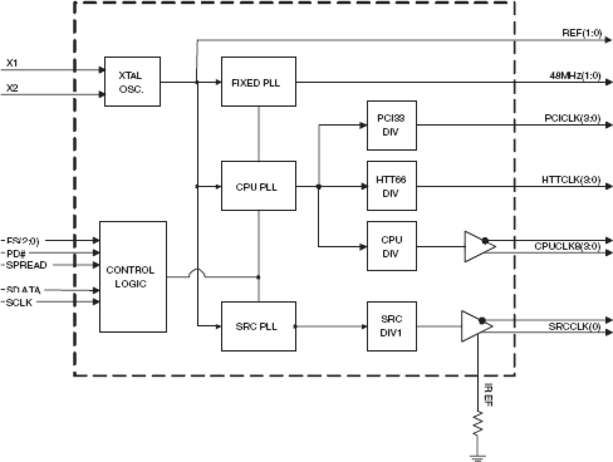
描述

The 932S801 is a main clock synthesizer chip that, when paired with 9DB108, provides all clocks required by Serverworks GC-HT-based servers. An SMBus interface allows full control of the device.