跳转到主要内容
瑞萨电子 (Renesas Electronics Corporation)

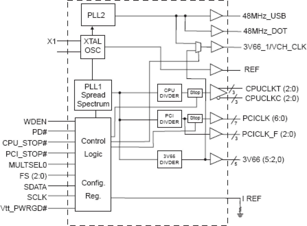
特性

  • 3 Differential CPU Clock Pairs @ 3.3V
  • 7 PCI (3.3V) @ 33.3MHz
  • 3 PCI_F (3.3V) @ 33.3MHz
  • 1 USB (3.3V) @ 48MHz
  • 1 DOT (3.3V) @ 48MHz
  • 1 REF (3.3V) @ 14.318MHz
  • 5 3V66 (3.3V) @ 66.6MHz
  • 1 VCH/3V66 (3.3V) @ 48MHz or 66.6MHz
  • Programmable output frequency.
  • Programmable output divider ratios.
  • Programmable output rise/fall time.
  • Programmable output skew.
  • Programmable spread percentage for EMI control.
  • Watchdog timer technology to reset system if system malfunctions.
  • Programmable watch dog safe frequency.
  • Support I2C Index read/write and block read/write operations.
  • Uses external 14.318MHz crystal.
  • CPU Output Jitter <150ps
  • 3V66 Output Jitter <250ps
  • CPU Output Skew <100ps

描述

Programmable Timing Control Hub™ for P4™

当前筛选条件