特性
- Direct connection to 100 ohm transmission lines; saves 16 resistors compared to standard PCIe devices
- 39 mW typical power consumption; reduced thermal concerns
- OE# pins; support DIF power management
- Programmable Slew rate for each output; allows tuning for various line lengths.
- Programmable output amplitude; allows tuning for various application environments.
- DIF outputs blocked until PLL is locked; clean system start-up
- Selectable 0%, -0.25% or -0.5% spread on DIF outputs; reduces EMI
- External 25 MHz crystal; supports tight ppm with 0 ppm synthesis error.
- Configuration can be accomplished with strapping pins; SMBus interface not required for device control.
- 3.3 V tolerant SMBus interface works with legacy controllers.
- Space saving 5x5 mm 32-pin VFQFPN; minimal board space
- Selectable SMBus addresses; multiple devices can easily share an SMBus segment.
描述
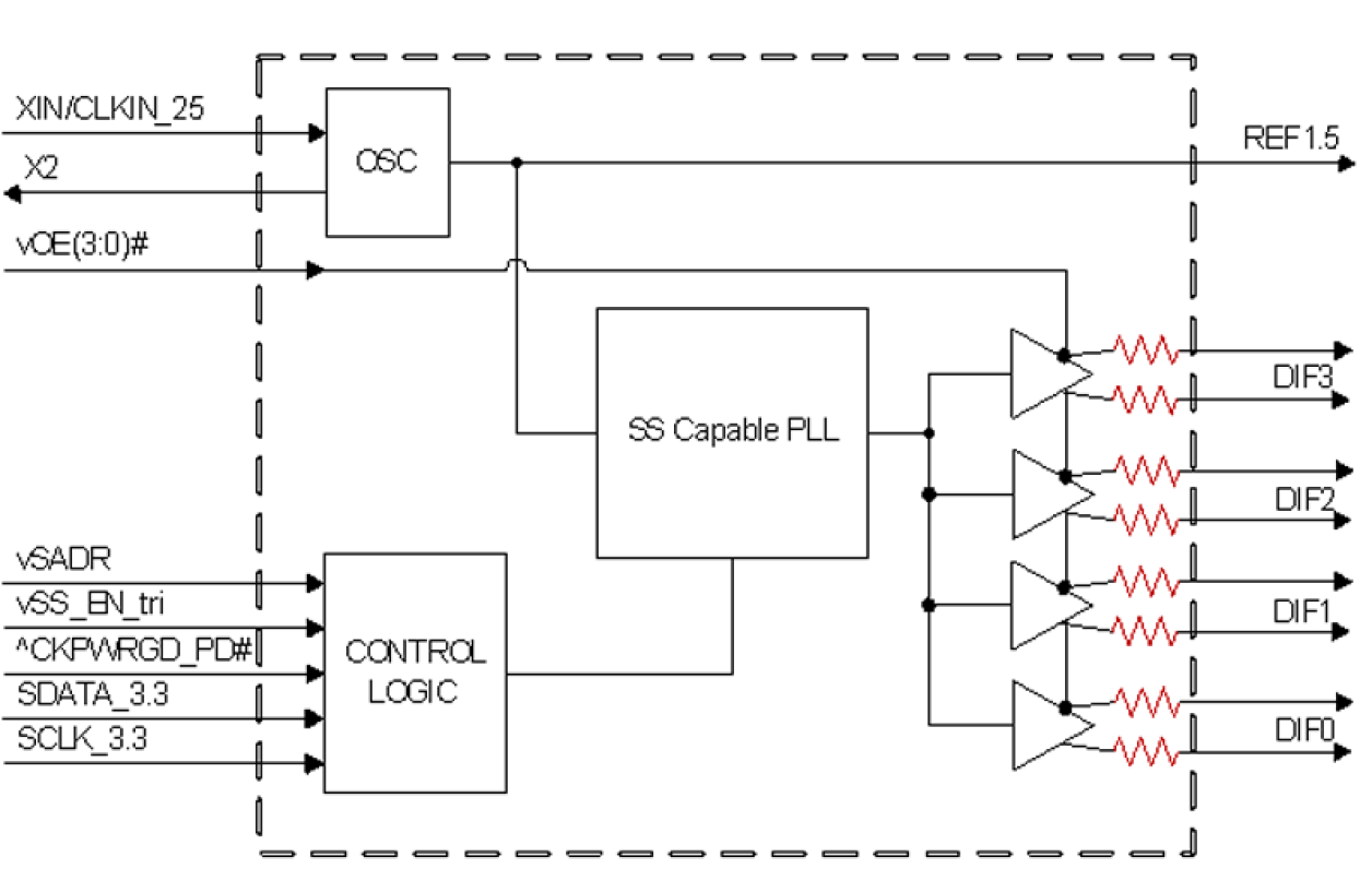
The 9FGU0441 is a member of IDT's 1.5 V Ultra-Low-Power PCIe clock family with integrated output terminations providing Zo=100 Ω. The device has 4 output enables for clock management, 2 different spread spectrum levels in addition to spread off, and 2 selectable SMBus addresses.
产品参数
| 属性 | 值 |
|---|---|
| Temp. Range (°C) | -40 to 85°C, 0 to 70°C |
封装选项
| Pkg. Type | Pkg. Dimensions (mm) | Lead Count (#) | Pitch (mm) |
|---|---|---|---|
| VFQFPN | 5.0 x 5.0 x 0.9 | 32 | 0.5 |
当前筛选条件
筛选
软件与工具
样例程序
模拟模型
This is the first video in our PCIe series. In this video, we define PCIe architectures, focusing on common and separate clock architectures. Watch the rest of the video series below where Ron will cover the impact of different timing architectures.
In this episode, Ron Wade from IDT (acquired by Renesas) explains PCIe common clocking and its impact on timing solutions. Learn about using a single clock source, fan-out buffers, and the considerations for spread spectrum and non-spread spectrum clocking in PCIe systems.
In this video, we explore PCIe with separate reference clocks and the effects of clock selection. Learn how separate reference clocks work and their impact on system performance and stability.
This video provides a high-level overview of Separate Reference Clock with Independent Spread (SRIS) architectures for PCI Express systems, additional performance requirements that this clocking architecture imposes on the reference clocks, and some system implications encountered trying to implement the architecture.
IDT provides a brief overview of the timing solutions optimized for various configurations using the NXP (Freescale) QorIQ / Layerscape processors.
Resources
IDT provides a brief tutorial on the timing solutions required for NXP (Freescale) QorIQ / Layerscape processor-based systems.
Presented by Ron Wade, PCI Express timing expert.
IDT (acquired by Renesas) engineer provides a brief tutorial describing the main differences between standard HCSL and low-power HCSL (LP-HCSL).
Presented by Ron Wade, PCI Express timing expert.
Related Resources
An overview of IDT's full-featured PCI Express (PCIe) clock generators addressing PCIe Gen 1, Gen 2, Gen 3, and Gen 4.
Presented by Ron Wade, System Architect at IDT.
An overview of PCI Express applications and how IDT's industry-leading portfolio of PCIe clock products addresses the requirements. The video briefly discusses PCIe riser cards, embedded SOC, and PCIe storage (NVME) examples.
Presented by Ron Wade, System Architect at IDT.
A brief overview of how data rates have changed from PCI Express (PCIe) Generation 1, Gen 2, Gen 3, Gen 4 and Gen 5.
Presented by Ron Wade, system architect at IDT. For more information about IDT's PCIe timing solutions, visit the PCI Express (PCIe) Clocks page.
A brief overview of how clock and timing specifications have changed from PCI Express (PCIe) Generation 1, Gen 2, Gen 3, Gen 4 and Gen 5.
Presented by Ron Wade, system architect at IDT (acquired by Renesas). For more information, visit Renesas's PCIe Timing Solutions page.
A brief overview of the PCI Express common clock (CC) jitter model, and the transfer functions as they relate to the timing PLLs. This model applies to PCI Express (PCIe) Gen 2, Gen 3, Gen 4 and Gen 5. The equations would be slightly different for other PCIe architectures, such as SRIS, SRnS, or data clocked.
Presented by Ron Wade, system architect at IDT (acquired by Renesas). For more information about Renesas's PCIe timing solutions, visit the PCI Express (PCIe) Clocks page.