跳转到主要内容
64-Pin CK505 Compatible Clock with Fully Integrated Voltage Regulator + Integrated Series Resistor

封装信息

CAD 模型: View CAD Model
Pkg. Type: TSSOP
Pkg. Code: PAG64
Lead Count (#): 64
Pkg. Dimensions (mm): 17.0 x 6.1 x 1.0
Pitch (mm): 0.5

环境和出口类别

Pb (Lead) Free Yes
ECCN (US) EAR99
HTS (US) 8542.39.0090
Moisture Sensitivity Level (MSL) 1

产品属性

Pkg. Type TSSOP
Lead Count (#) 64
Pb (Lead) Free Yes
Carrier Type Tube
100M Non-SSC Outputs 1
100M SSC Outputs 12
25M Outputs 1
Advanced Features CPU 100M-400M output pair(s), SRC/DOT96 output pair(s), SRC/SE output pair(s), 14.318M output(s), 48M output(s), Integrated VREG
App Jitter Compliance PCIe Gen1, PCIe Gen2
C-C Jitter Max P-P (ps) 85
Chipset Manufacturer Intel
Clock Spec. CK505 Derivative
Core Voltage (V) 3.3
Die Form No
Diff. Output Signaling HCSL
Diff. Termination Resistors 0
Freq. Accuracy Init. (± PPM) 100
Function Clock Generator
Input Freq (MHz) 14.3182 - 14.3182
Input Type Crystal
Length (mm) 17
MOQ 112
Moisture Sensitivity Level (MSL) 1
Output Freq Range (MHz) 14.32 - 400
Output Skew (ps) 100
Output Voltage (V) 3.3V, 0.7V
Outputs (#) 21
PCI 33.33M Outputs (#) 5
PCIe Generation Gen1, Gen2
Package Area (mm²) 103.7
Pb Free Category e3 Sn
Phase Jitter Max RMS (ps) 3.1
Pitch (mm) 0.5
Pkg. Dimensions (mm) 17.0 x 6.1 x 1.0
Power Consumption Typ (mW) 383
Price (USD) $6.27607
Qty. per Carrier (#) 28
Qty. per Reel (#) 0
Reference Output Yes
Requires Terms and Conditions Does not require acceptance of Terms and Conditions
Spread Spectrum Yes
Supply Voltage (V) 1.05 - 3.3
Tape & Reel No
Temp. Range (°C) 0 to 70°C
Thickness (mm) 1
Width (mm) 6.1
Xtal Freq (MHz) 14.32 - 14.32
Xtal Inputs (#) 1
已发布 No

描述

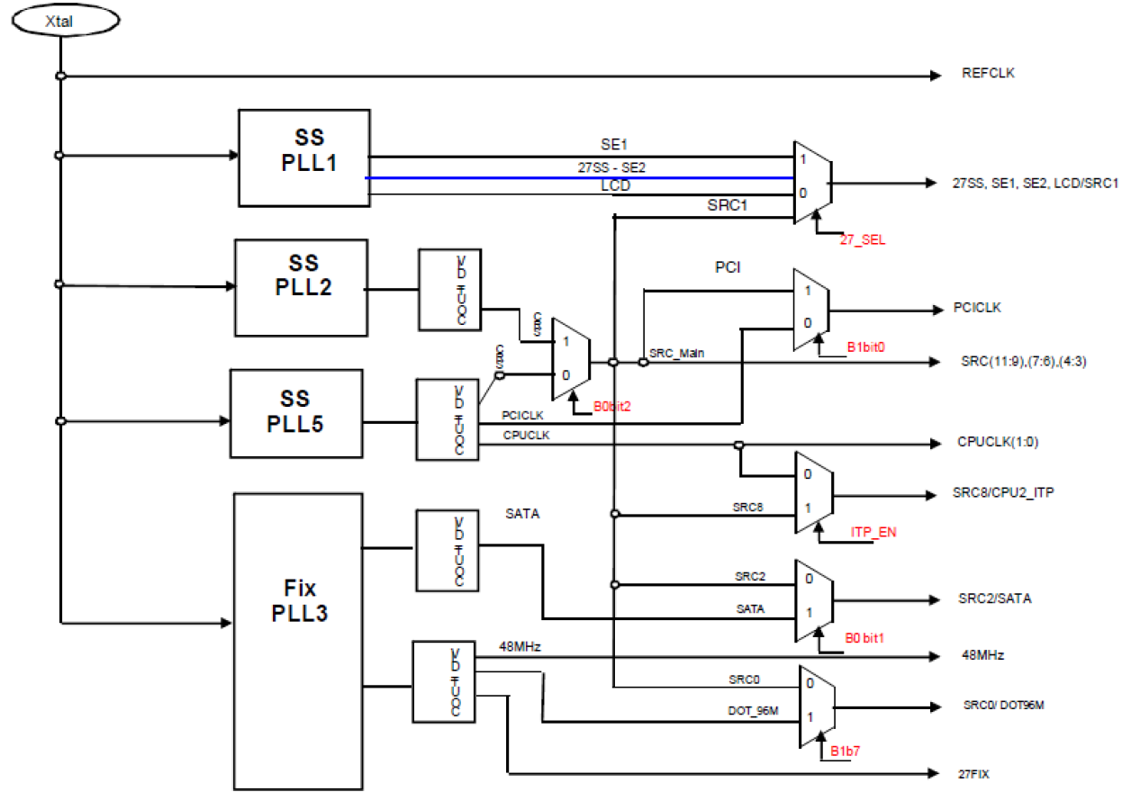
The 9LRS3165 is a CK505-compatible clock with fully integrated voltage regulator and internal series resistor on differential outputs.

Output Features:

  • 2 - CPU differential low-power push-pull pairs
  • 9 - SRC differential low-power push-pull pairs
  • 1 - CPU/SRC selectable differential low-power push-pull pair
  • 1 - SRC/DOT selectable differential low-power push-pull pair
  • 5 - PCI, 33MHz
  • 1 - PCI_F, 33MHz free running
  • 1 - USB, 48MHz
  • 1 - REF, 14.318MHz