跳转到主要内容
瑞萨电子 (Renesas Electronics Corporation)

特性

  • MOSFET Input Stage provides
  • Very High ZI: 1.5TΩ (1.5 x 1012Ω) (Typ)
  • Very Low II: 5pA (Typ) at 15V Operation 2pA (Typ) at 5V Operation
  • Ideal for Single Supply Applications
  • Common Mode Input Voltage Range Includes Negative Supply Rail; Input Terminals Can be Swung 0.5V Below Negative Supply Rail
  • CMOS Output Stage Permits Signal Swing to Either (or Both) Supply Rails
  • CA5260A, CA5260 Have Full Military Temperature Range Guaranteed Specifications for V+ = 5V
  • CA5260A, CA5260 are Guaranteed to Operate Down to 4.5V for AOL
  • Fully Guaranteed to Operate from -55°C to +125°C at V+ = 5V, V- = GND
  • Pb-Free Available (RoHS Compliant)

描述

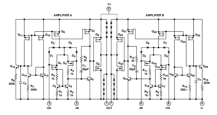
The CA5260A and CA5260 are integrated-circuit operational amplifiers that combine the advantage of both CMOS and bipolar transistors on a monolithic chip. The CA5260 series circuits are dual versions of the popular CA5160 series. They are designed and guaranteed to operate in microprocessor or logic systems that use +5V supplies. Gate-protected P-Channel MOSFET (PMOS) transistors are used in the input circuit to provide very-high-input impedance, very-low-input current, and exceptional speed performance. The use of PMOS field-effect transistors in the input stage results in common-mode input-voltage capability down to 0. 5V below the negative-supply terminal, an important attribute in single-supply applications. A complementary-symmetry MOS (CMOS) transistor-pair, capable of swinging the output voltage to within 10mV of either supply-voltage terminal (at very high values of load impedance), is employed as the output circuit. The CA5260 Series circuits operate at supply voltages ranging from 4. 5V to 16V, or ±2. 25V to ±8V when using split supplies. The CA5260, CA5260A have guaranteed specifications for 5V operation over the full military temperature range of -55°C to +125°C.

应用

  • Ground Referenced Single Supply Amplifiers Fast Sample-Hold Amplifiers Long Duration Timers/Monostables Ideal Interface with Digital CMOS High Input Impedance Wideband Amplifiers Voltage Followers (eg, Follower for Single Supply D/A Converter) Voltage Regulators (Permits Control of Output Voltage Down to 0V) Wien Bridge Oscillators Voltage Controlled Oscillators Photo Diode Sensor Amplifiers 5V Logic Systems Microprocessor Interface

当前筛选条件