| CAD 模型: | View CAD Model |
| Pkg. Type: | CFP |
| Pkg. Code: | KBG |
| Lead Count (#): | 16 |
| Pkg. Dimensions (mm): | 10.41 x 6.86 x 0.00 |
| Pitch (mm): | 1.27 |
| Pb (Lead) Free | No |
| Moisture Sensitivity Level (MSL) | |
| ECCN (US) | |
| HTS (US) |
| Pkg. Type | CFP |
| Lead Count (#) | 16 |
| Carrier Type | Tray |
| Pitch (mm) | 1.3 |
| Pkg. Dimensions (mm) | 10.4 x 6.9 x 0.00 |
| DLA SMD | 5962-96651 |
| Pb (Lead) Free | No |
| MOQ | 15 |
| Temp. Range (°C) | -55 to +125°C |
| Length (mm) | 10.4 |
| Qualification Level | QML Class V (space) |
| Rating | Space |
| TID HDR (krad(Si)) | 100 |
| Width (mm) | 6.9 |
Support is limited to customers who have already adopted these products.
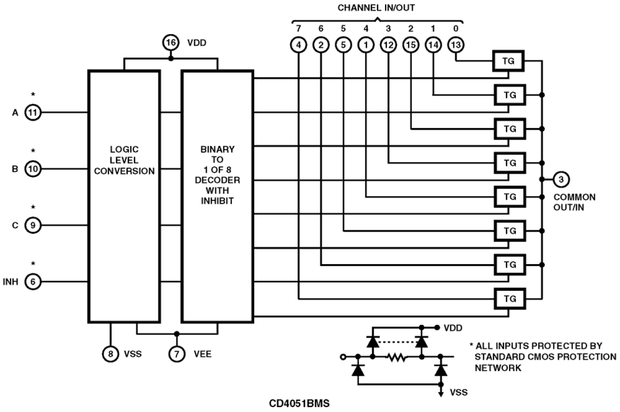
CD4051BMS, CD4052BMS and CD4053BMS analog multiplexers/ demultiplexers are digitally controlled analog switches having low ON impedance and very low OFF leakage current. Control of analog signals up to 20V peak-to-peak can be achieved by digital signal amplitudes of 4. 5V to 20V (if VDD-VSS = 3V, a VDD-VEE of up to 13V can be controlled; for VDD-VEE level differences above 13V, a VDDVSS of at least 4. 5V is required). For example, if VDD = +4. 5V, VSS = 0, and VEE = -13. 5V, analog signals from - 13. 5V to +4. 5V can be controlled by digital inputs of 0 to 5V. These multiplexer circuits dissipate extremely low quiescent power over the full VDD-VSS and VDD-VEE supply voltage ranges, independent of the logic state of the control signals. When a logic 1 is present at the inhibit input terminal all channels are off. The CD4051BMS is a single 8 channel multiplexer having three binary control inputs, A, B, and C, and an inhibit input. The three binary signals select 1 of 8 channels to be turned on, and connect one of the 8 inputs to the output. The CD4052BMS is a differential 4 channel multiplexer having two binary control inputs, A and B, and an inhibit input. The two binary input signals select 1 of 4 pairs of channels to be turned on and connect the analog inputs to the outputs. The CD4053BMS is a triple 2 channel multiplexer having three separate digital control inputs, A, B, and C, and an inhibit input. Each control input selects one of a pair of channels which are connected in a single pole double-throw con- figuration. The CD4051BMS, CD4052BMS and CD4053BMS are supplied in these 16 lead outline packages: Braze Seal DIP *H4X †H4T Frit Seal DIP H1E Ceramic Flatpack H6W *CD4051B Only †CD4052B, CD4053 Only