特性
- 双核:64MHz 的 Cortex-M33F 作为应用内核,64MHz 的 Cortex-M0+ 作为可配置 MAC
- 接收灵敏度 -97dBm,发射 +5.5dBm
- 96kB RAM(+16kB 缓存)、256kB 闪存、288kB ROM(包括堆栈)、QSPI 外部闪存/RAM 扩展
- 8 通道、15 Sigma-Delta ADC
- 功耗:RadioRx = 1.2mA,RadioTx = 2.3mA,主动 = 34uA/MHz,休眠 <100nA
- 支持 3 轴的四解码器(休眠时处于活动状态)
- 分辨率为 10ms 的 RTC
- 18mm x 14mm x 2.5mm 封装(带有齿形引脚,便于原型设计)
描述
DA14592MOD 基于 DA14592 低功耗蓝牙® 5.2 片上系统 (SoC),并发挥了其所有硬件特性和功能。 该模块集成了所有无源器件和天线,并由用户友好的软件提供支持。 该DA14592MOD面向广泛的市场使用,并获得了跨地区的认证,从而显著降低了开发成本、风险和上市时间。 各种标准和高级外围设备可实现与其他系统组件之间的交互以及高级用户界面和多功能应用的开发。
DA14592 是一款多核无线微控制器,将最新的 Arm® Cortex-M33®™ 应用处理器与浮点单元、高级电源管理功能、加密安全引擎、模拟和数字外设以及软件可配置的协议引擎与符合蓝牙 5.2 低功耗标准的无线电相结合。 它包括 256kB 的嵌入式闪存和 96kB 的 RAM。
产品参数
| 属性 | 值 |
|---|---|
| Wireless Standard | BLE 5.2 Core specification |
| Proprietary 2G4 protocol | Yes |
| CPU | M33 & M0+ |
| Flash Memory (KB) | 256 |
| ROM (KB) | 288 |
| Memory Size (OTP) (KB) | 2 |
| RAM (KB) | 96 |
| GPIOs (#) | 32 |
| Supply Voltage Vcc Range | 1.7-3.6 |
| Integrated DCDC | Integrated Buck DC-DC converter |
| Integrated Battery Charger | No |
| External Rails and Load Capacity | None |
| Tx Current (mA) | 2.3 |
| Rx current (mA) | 1.2 |
| Output Power Range (dBm) | -23 - 5.5 |
| Sensitivity (dBm) (dBm) | -97 |
| Clock Rate (MHz) | 64 |
| Flexible System Clock | Yes |
| Execute from FLASH | Yes |
| Hardware Crypto Engine | Yes |
| QSPI Interface (#) | 1 |
| SPI (#) | 1 |
| I2C (#) | 1 |
| UART (#) | 2 |
| ADC | 15-bit x 8-ch, 10-bit x 8-ch |
| USB Ports (#) | 0 |
| LE Data Length Extensions | Supported |
| 2Mbps | Supported |
| LE Coded PHY (Long Range) | Not Supported |
| Extended Advertising | Supported |
| Periodic Advertising | Not Supported |
| AoA | TX Supported |
| AoD | TX Supported |
| GATT Caching | Not Supported |
| Bluetooth® Mesh | Not Supported |
| Temp. Range (°C) | -40 to +85°C |
封装选项
| Pkg. Type | Pkg. Dimensions (mm) | Lead Count (#) | Pitch (mm) |
|---|---|---|---|
| Module | 18 x 14.5 x 2.5 | 45 | 1.5 |
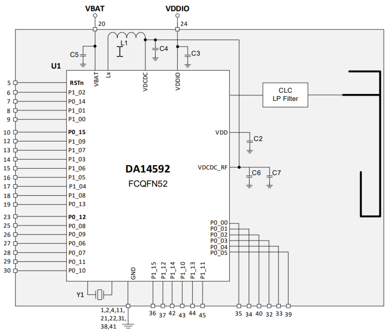
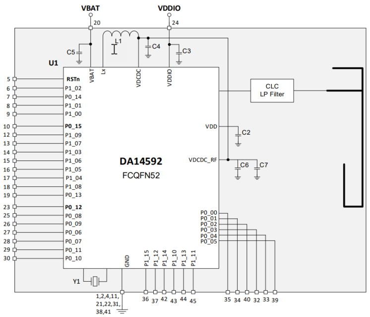
应用方框图
|
|
游戏键盘
一款高能效、高度集成且设计紧凑的键盘系统,具有可自定义的 RGB 灯光和稳定、低延迟的无线性能。
|
|
|
游戏鼠标
一款高能效、高度集成且设计紧凑的鼠标系统,具有可自定义的 RGB 灯光和稳定、低延迟的无线性能。
|
|
|
众包位置跟踪低功耗蓝牙标签
超低功耗蓝牙 LE 资产定位追踪器标签,用于众包位置跟踪。
|
|
|
低功耗蓝牙标签,用于近程和资产定位追踪
超精确、超低功耗蓝牙 LE 资产定位追踪器标签
|
其他应用
- 众包位置追踪
- 资产追踪
- 互联健康
- 人机接口设备
- 活动跟踪器
- 数据记录器
- PoS 读卡器
- 计量仪
- 高端语音 RCU
- 物联网终端节点
- 玩具
当前筛选条件