跳转到主要内容
瑞萨电子 (Renesas Electronics Corporation)

特性

  • Electrically screened to DLA SMD # 5962-99547
  • Superior temperature stability
  • Overcurrent and over-temperature protection
  • Wide input voltage range 4.25V to 40V
  • Operating temperature range -55°C to +125°C
  • QML qualified per MIL-PRF-38535 requirements
  • Radiation environment
  • SEL/SEB LETTH (VS = 40V) 87.4 MeV•cm2/mg
  • Total Dose, High Dose Rate 300krad(Si)
  • Total Dose, Low Dose Rate 100krad(Si)*
    * Product capability established by initial characterization. The EH version is acceptance tested on a wafer-by-wafer basis to 50krad(Si) at low dose rate.

描述

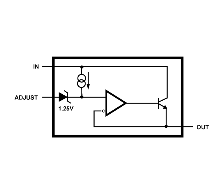
The radiation hardened HS-117RH and HS-117EH are adjustable positive voltage linear regulators capable of operating with input voltages up to 40VDC. The HS-117EH encompasses all of the production testing of the HS-117RH and additionally is tested in the Enhanced Low Dose Rate Sensitivity (ELDRS) product manufacturing flow. The output voltage is adjustable from 1.25V to 37V with two external resistors. The device is capable of sourcing from 5mA to 1.25A max (0.5A max for the TO-39 package). Current protection is provided by the on-chip thermal shutdown and output current limiting circuitry. The HS-117xH's advantage over other industry types is its incorporated circuitry that minimizes the effects of radiation and temperature on device stability. The HS-117RH and HS-117EH are constructed in the dielectrically isolated Rad Hard Silicon Gate (RSG) process and are immune to single event latch-up and are specifically designed to provide highly reliable performance in harsh radiation environments.

产品参数

属性
RatingSpace
IOUT (A)1.25
Supply Voltage (min) (V)4.25 - 4.25
Supply Voltage (max) (V)40 - 40
VDO @ IOUTMAX (Typ) (mV)4000
VOUT (min) (V)1.25
VOUT (max) (V)37
Temp. Range (°C)-55 to +125°C
TID HDR (krad(Si))300
TID LDR (krad(Si))Report Available
DSEE (MeV·cm2/mg)87.4
FlowRH Hermetic
Qualification LevelClass Q, Class V, EM
Die Sale Availability?Yes
PROTO Availability?Yes

封装选项

Pkg. TypePkg. Dimensions (mm)Lead Count (#)Pitch (mm)
CAN9.1 x 9.1 x 0.0035.1
CAN16.6 x 10.5 x 3.0532.5
CLCC10.2 x 7.5 x 2.9733.8
DIE

应用

  • Adjustable Linear Voltage Regulators
  • Adjustable Linear Current Regulators

当前筛选条件