跳转到主要内容
瑞萨电子 (Renesas Electronics Corporation)

特性

  • Electrically Screened to SMD # 5962-97512
  • QML Qualified per MIL-PRF-38535 Requirements
  • High Input Impedance 65MΩ (Min)
  • High Gain 80kV/V (Min)
  • High Slew Rate 20V/µs (Min)
  • Low Input Bias Current 50nA (Max)
  • Low Input Offset Voltage 6mV (Max)
  • Wide Gain Bandwidth Product (AV ≥ 10) 100MHz (Typ)
  • Output Short Circuit Protection
  • Total Dose 3 x 105 RAD(Si)

描述

Support is limited to customers who have already adopted these products.

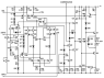
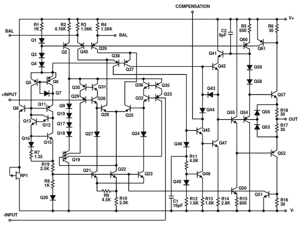
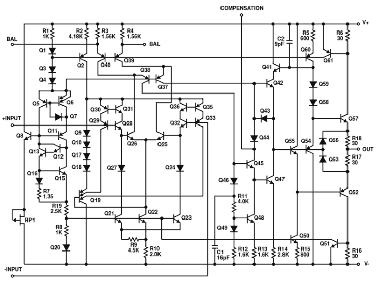
The HS-22620RH is a radiation hardened, dual bipolar operational amplifier that features very high input impedance coupled with wideband AC performance. The high resistance of the input stage is complemented by low offset voltage (6mV Max at 25°C) and low bias current (50nA Max at 25°C) to facilitate accurate signal processing. Offset voltage can be reduced further by means of an external nulling potentiometer. The stable closed loop gains greater than 10, the 20V/µs minimum slew rate at 25°C and the 80kV/V minimum open loop gain at 25°C, enable the HS-22620RH to perform high gain amplification of very fast, wideband signals. These dynamic characteristics, coupled with fast settling times, make these amplifiers ideally suited to pulse amplification designs as well as high frequency or video applications. The frequency response of the amplifier can be tailored to exact design requirements by means of an external bandwidth control capacitor. Specifications for Rad Hard QML devices are controlled by the Defense Logistics Agency Land and Maritime (DLA). The SMD numbers listed here must be used when ordering. Detailed Electrical Specifications for these devices are contained in SMD 5962-97512.

应用

  • Video and RF Amplifiers
  • Pulse Amplifiers
  • High-Q Active Filters
  • High Speed Comparators

当前筛选条件