| CAD 模型: | View CAD Model |
| Pkg. Type: | CFP |
| Pkg. Code: | KBK |
| Lead Count (#): | 18 |
| Pkg. Dimensions (mm): | 11.18 x 8.38 x 0.00 |
| Pitch (mm): | 1.27 |
| Moisture Sensitivity Level (MSL) | Not Applicable |
| Pb (Lead) Free | Exempt |
| ECCN (US) | 9A515.e.1 |
| HTS (US) | 8542.33.0001 |
| Pkg. Type | CFP |
| Lead Count (#) | 18 |
| Carrier Type | Tray |
| Moisture Sensitivity Level (MSL) | Not Applicable |
| DLA SMD | 5962-97512 |
| Pb (Lead) Free | Exempt |
| Pb Free Category | Gold Plate over compliant Undercoat-e4 |
| MOQ | 45 |
| Temp. Range (°C) | -55 to +125°C |
| CAGE code | 34371 |
| Length (mm) | 11.2 |
| Pitch (mm) | 1.3 |
| Pkg. Dimensions (mm) | 11.2 x 8.4 x 0.00 |
| Qualification Level | Class V |
| Rating | Space |
| SMD URL | 5962-97512 |
| TID HDR (krad(Si)) | 300 |
| Width (mm) | 8.4 |
Support is limited to customers who have already adopted these products.
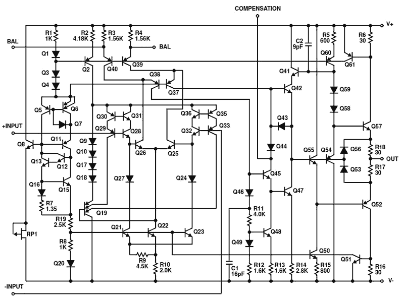
The HS-22620RH is a radiation hardened, dual bipolar operational amplifier that features very high input impedance coupled with wideband AC performance. The high resistance of the input stage is complemented by low offset voltage (6mV Max at 25°C) and low bias current (50nA Max at 25°C) to facilitate accurate signal processing. Offset voltage can be reduced further by means of an external nulling potentiometer. The stable closed loop gains greater than 10, the 20V/µs minimum slew rate at 25°C and the 80kV/V minimum open loop gain at 25°C, enable the HS-22620RH to perform high gain amplification of very fast, wideband signals. These dynamic characteristics, coupled with fast settling times, make these amplifiers ideally suited to pulse amplification designs as well as high frequency or video applications. The frequency response of the amplifier can be tailored to exact design requirements by means of an external bandwidth control capacitor. Specifications for Rad Hard QML devices are controlled by the Defense Logistics Agency Land and Maritime (DLA). The SMD numbers listed here must be used when ordering. Detailed Electrical Specifications for these devices are contained in SMD 5962-97512.