跳转到主要内容
瑞萨电子 (Renesas Electronics Corporation)

特性

  • Electrically screened to DLA SMD# 5962-95813
  • QML, per MIL-PRF-38535
  • No latch-up, dielectrically isolated device islands
  • Pinout and functionally compatible with the HS-303RH series of analog switches
  • Analog signal range equal to the supply voltage range
  • Low leakage : 150nA (max, post-rad)
  • Low rON : 60Ω (max, post-rad)
  • Low standby supply current : ±150µA (max, post-rad)
  • Radiation assurance
    • High dose rate (50 to 300rad(Si)/s) : 100krad(Si)
    • Low dose rate (0.01rad(Si)/s) : 50krad(Si) (Note 1)
  • Single event effects
    • For LET = 60MeV·cm2/mg at 60° incident angle, <150pC charge transferred to the output of an off switch (based on SOI design calculations)

描述

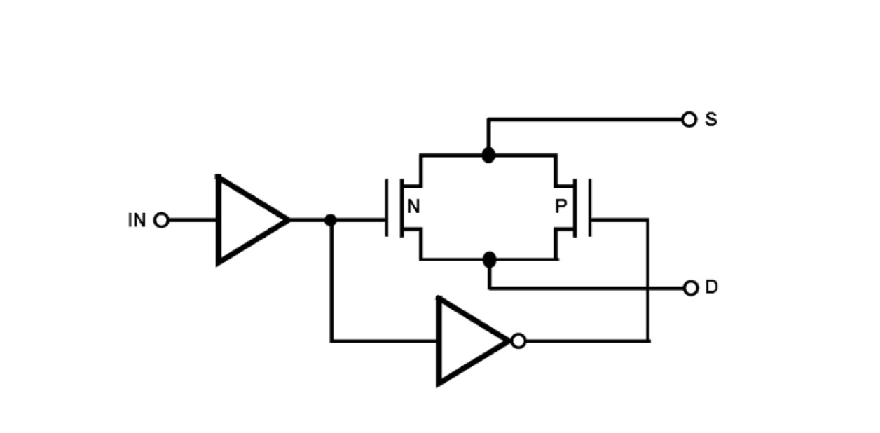
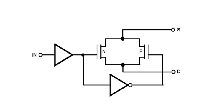
The HS-303CEH is an analog switch and a monolithic device that is fabricated using the Renesas dielectrically isolated Radiation Hardened Silicon Gate (RSG) process technology to ensure latch-up free operation. The HS-303CEH is pinout compatible and functionally equivalent to the HS-303RH. The HS-303CEH offers low-resistance switching performance for analog voltages up to the supply rails. ON-resistance is low and stays reasonably constant across the full range of operating voltage and current. ON-resistance also stays reasonably constant when exposed to radiation. Break-before-make switching is controlled by 5V digital inputs. The HS-303CEH can operate with ±15V rails. Specifications See SMD 5962-95813 for detailed electrical specifications.

产品参数

属性
RatingSpace
Switches (#)2
RON (max) (ohms)60
Supply Voltage (min) (V)-15 - -15
Supply Voltage (max) (V)15 - 15
Turn-Off Time (max) (ns)450
tOFF (max, post-rad) (ns)1000
Turn-On Time (max) (ns)500
Temp. Range (°C)-40 to +85°C, -55 to +125°C
TID HDR (krad(Si))100, 300
TID LDR (krad(Si))50
DSEE (MeV·cm2/mg)DSEE Free (DI)
FlowRH Hermetic
Qualification LevelClass V, EM
Die Sale Availability?Yes

封装选项

Pkg. TypePkg. Dimensions (mm)Lead Count (#)Pitch (mm)
CFP9.9 x 6.6 x 0.00141.3
DIE

当前筛选条件