特性
- Embedded 32.768kHz Quartz Crystal in the Package
 - 20 Ld SOIC Package (for DFN version, refer to the ISL12020M)
 - Calendar
 - On-chip Oscillator Temperature Compensation
 - 10-bit Digital Temperature Sensor Output
 - 15 Selectable Frequency Outputs
 - Interrupt for Alarm or 15 Selectable Frequency Outputs
 - Automatic Backup to Battery or Supercapacitor
 - VDD and Battery Status Monitors
 - Battery Reseal™ Function to Extend Battery Shelf Life
 - Power Status Brownout Monitor
 - Time Stamp for Battery Switchover
 - 128 Bytes Battery-Backed User SRAM
 - 1.6µA Max Battery Current
 - I2C Bus™
 - RoHS Compliant
 
描述
The ISL12022MA device is a low power real time clock (RTC) with an embedded temperature sensor and crystal. Device functions include oscillator compensation, clock/calendar, power fail and low battery monitors, brownout indicator, one-time, periodic or polled alarms, intelligent battery backup switching, Battery Reseal™ function and 128 bytes of battery-backed user SRAM. Backup battery current draw is less than 1. 6µA over the temperature range. The device is offered in a 20 Ld SOIC module that contains the RTC and an embedded 32. 768kHz quartz crystal. The calibrated oscillator provides less than ±5ppm drift over the full -40°C to +85°C temperature range. The RTC tracks time with separate registers for hours, minutes, and seconds. The calendar registers track date, month, year and day of the week and are accurate through 2099, with automatic leap year correction. Daylight Savings time adjustment is done automatically, using parameters entered by the user. Power fail and battery monitors offer user-selectable trip levels. The time stamp function records the time and date of switchover from VDD to VBAT power, and also from VBAT to VDD power. The ISL12022MA features enhanced immunity to ESD per the IEC61000-4-2 standard, and also provides improved resistance to system leakage related to environmental moisture.
产品参数
| 属性 | 值 | 
|---|---|
| Interface | I2C | 
| Alarms (#) | 1 | 
| Supply Voltage Vcc (Min) (V) | 2.7 | 
| Battery Backup | Yes | 
| Battery Seal | Yes | 
| CPU Supervisory Function POR | No | 
| Crystal Frequency Trimming | Yes | 
| Frequency Out Pin | Yes | 
| Battery Current (nA) | 1000 | 
| Time Keeping Current (µA) | 3.5 | 
| SRAM | 128 Bytes | 
| Selectable Frequency Output | 15 | 
| Oscillator Compensation | -336 to +337 | 
| TRIP Voltage for POR | 6 Select VTRIP Levels | 
| Accuracy | ±5 ppm | 
| Other Functions | Battery Switchover Time Stamp, Battery Status Monitor, Brown-out Alarm, Daylight Savings | 
封装选项
| Pkg. Type | Pkg. Dimensions (mm) | Lead Count (#) | Pitch (mm) | 
|---|---|---|---|
| SOICW | 12.8 x 7.5 x 0.00 | 20 | 1.3 | 
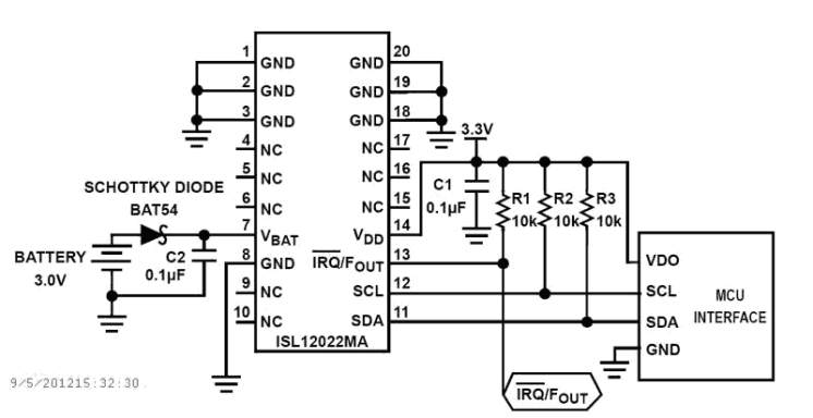
应用方框图
| 
             | 
              Android 系统互联车载仪表
 采用 Android 系统的汽车驾驶舱,具有无线连接和实时显示功能。 
 | 
            
其他应用
- Utility Meters
 - POS Equipment
 - Printers and Copiers
 - Digital Cameras
 
当前筛选条件