跳转到主要内容

特性

  • Dual Audio Control - Two 32 Taps Log Pots
  • Buffered Wiper Outputs
  • Audio Detection with Threshold Input and Controlled Delay
  • Zero Amplitude Wiper Switching (ZAWS)
  • Simple Push-button Interface
  • Auto Increment/decrement After 1s Button Press
  • Standby Mode
  • Mute Function
  • Total Resistance: 18.5kΩ each DCP (Typical)
  • Voltage Operation
  • VCC = 2.7V to 5.5V
  • AVCC = 2.7V to 5.5V
  • Temp Range = -40°C to +85°C
  • Package Options
  • 20 Ld TSSOP
  • 20 Ld QFN
  • Pb-Free (RoHS Compliant) Audio Performance
  • 0dB to -72dB Volume Control
  • -90dB Mute
  • SNR: -90dB
  • THD+N: 0.01% @ 1kHz
  • Crosstalk Rejection: -100dB @ 1kHz
  • Channel-to-Channel Variation: ±0.1dB
  • Mid point 3dB-Cutoff: 100kHz

描述

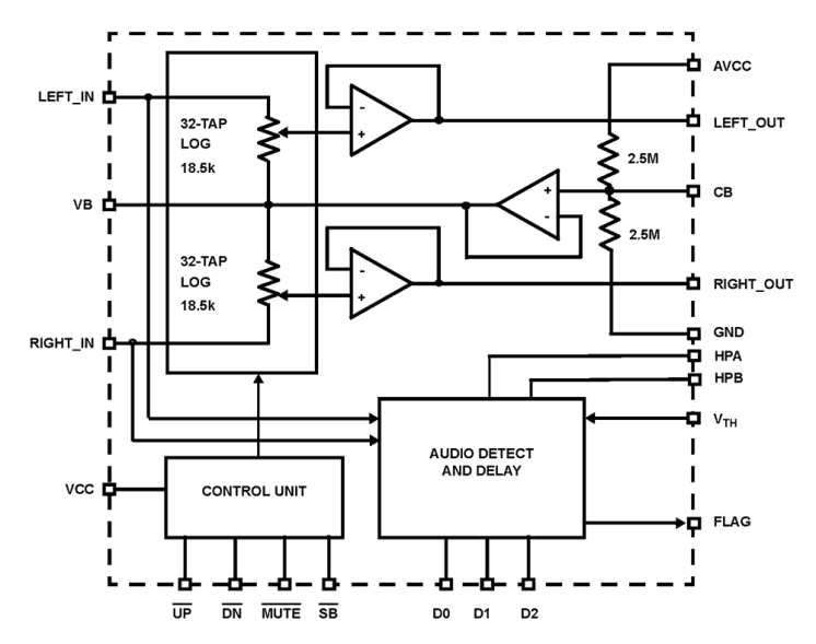
The ISL22102 integrates two digitally controlled potentiometers (DCP) with buffered wiper outputs and an internal bias voltage generator (VB) on a monolithic CMOS integrated circuit. The wiper position is adjusted by the user through simple Up and Down push buttons, ideal for stereo volume control in audio applications. Each potentiometer is implemented using 31 polysilicon resistors in a logarithmic array. Between each of the resistors are tap points connected to the wiper terminal through switches. When powered up, the wipers are reset to the -20dB position. In addition to the ISL22102's low noise design, the ISL22102 also contains a zero-crossing detection circuitry to further minimize click and pop noise during volume transition. The internal VB generator of the ISL22102 provides a precision middle scale voltage reference that reduces external circuitry and simplifies application design. The ISL22102 implements two power saving techniques for power critical applications. It is a Standby Mode that can be enabled to reduce the power consumption of the part when DCP is not in use. The part also has an Audio Detection circuitry that provides an indication FLAG to external devices and services. The FLAG can be delayed through D0, D1 and D2 pin configuration. By connecting the FLAG to the standby pin (SB), it will automatically put the part into Standby Mode.

应用

  • Set Top Boxes
  • Stereo Amplifiers
  • DVD Players
  • Portable Audio Products

当前筛选条件