跳转到主要内容

特性

  • IEC61000 ESD protection on RS-422 outputs: ±16.5kV
  • Class 3 ESD level on all other pins: 12kV HBM
  • High machine model ESD level on all pins: 700V
  • Wide supply range: 3.0V to 5.5V
  • Specified for +125°C operation
  • Available in industry standard pinouts (ISL32172E, ISL32272E, ISL32174E) or in a space saving QFN (ISL32179E) with added features
  • Logic supply pin (VL) eases operation in mixed supply systems (ISL32179E only)
  • User-selectable data rate (ISL32179E only)
  • Hot plug Tx outputs remain tri-stated during power-up and power-down
  • Low Tx leakage allows > 256 devices on the bus
  • High data rates: up to 32Mbps
  • Low quiescent supply current: 0.8mA (maximum)
  • Low shutdown supply current: 60µA
  • Current limiting and thermal shutdown for driver overload protection
  • Tri-statable Tx outputs
  • 5V tolerant logic inputs when VCC ≤ 5V
  • Pb-free (RoHS compliant)

描述

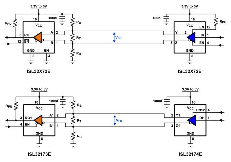
The ISL32172E, ISL32272E, ISL32174E, and ISL32179E are ±16. 5kV IEC61000-4-2 ESD protected, 3. 0V to 5. 5V powered, QUAD transmitters for balanced communication using the RS-422 standard. These drivers have very low output leakage currents (±10µA), so they present a low load to the RS-422 bus. The driver (Tx) outputs are tri-statable and incorporate a hot plug feature to keep them disabled during power-up and power-down. The ISL32172E and ISL32272E have a common EN/EN, the ISL32174E has a two channel EN12/EN34, and the ISL32179E has a versatile combination of individual and group channel enables (see Table 1). Only the ISL32179E driver can be slew-rate limited, and only at the data rate of 0. 46Mbps. Drivers on the other versions are not limited, so they can achieve 10Mbps or 32Mbps data rates. All versions are offered in industrial and extended industrial (-40°C to +125°C) temperature ranges. The ISL32179E's QFN package has a 50% smaller footprint compared to the TSSOP. The ISL32179E also features a logic supply pin (VL) that sets the switching points of the enable and DI inputs to be compatible with a lower supply voltage in mixed voltage systems. Two speed select pins allow the ISL32179E to be configured for 460kbps, 10Mbps, or 32Mbps data rates. Individual channel and group enable pins increase the ISL32179E's flexibility.

产品参数

属性
Transmitters (#) 4
Receivers (#) 0
Devices Allowed on Bus 256
Supply Voltage Vcc Range 3-5.5
High ESD Protection Yes-IEC61000
Hot Plug Yes
Data Rate (Mbps) 0.46
Slew Rate Limited Yes
Tx/Rx Enable Yes - Group & Indiv. Enables
IS Enabled/Disabled 600 µA
SHDN ICC 60 µA
VL Pin Yes
Advanced Features High Speed

封装选项

Pkg. Type Pkg. Dimensions (mm) Lead Count (#) Pitch (mm)
QFN 4.0 x 4.0 x 0.90 24 0.5

应用方框图

9-Axis Industrial High Voltage Motor Control with Ethernet Block Diagram
配备以太网的 9 轴工业电机控制装置
高精度、高效率的 9 轴电机控制装置,专为机器人和工业应用而设计。
Interactive block diagram an industrial motor control system features an MPU and MCU for mutual monitoring, power supply ICs, and delta-sigma modulators.
具备工业网络和功能性安全支持的电机控制系统
该电机控制系统集成了 MPU 和 MCU,可实现高效的工业电机控制和联网。
AC Servo block diagram integrates motor control with EtherCAT design and utilizes a high-performance MPU.
交流伺服
该交流伺服系统采用 EtherCAT 设计,提供经济高效的高速电机控制。

其他应用

  • Telecom Equipment
  • Motor Controllers / Encoders
  • Programmable Logic controllers
  • Industrial/Process Control Networks

当前筛选条件