跳转到主要内容

特性

  • Available in near chip scale QFN (5mmx5mm) package, which is 40% smaller than a 20 Ld TSSOP
  • ESD protection for RS-232 I/O pins to ±15kV (IEC61000)
  • Meets EIA/TIA-232 and V.28/V.24 specifications at 3V
  • RS-232 compatible with VCC = 2.7V
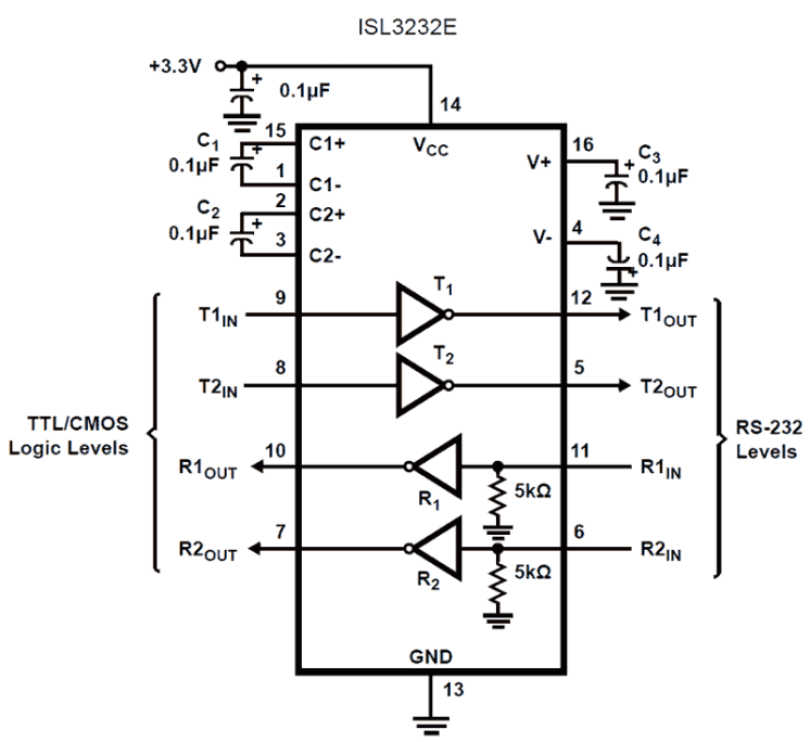
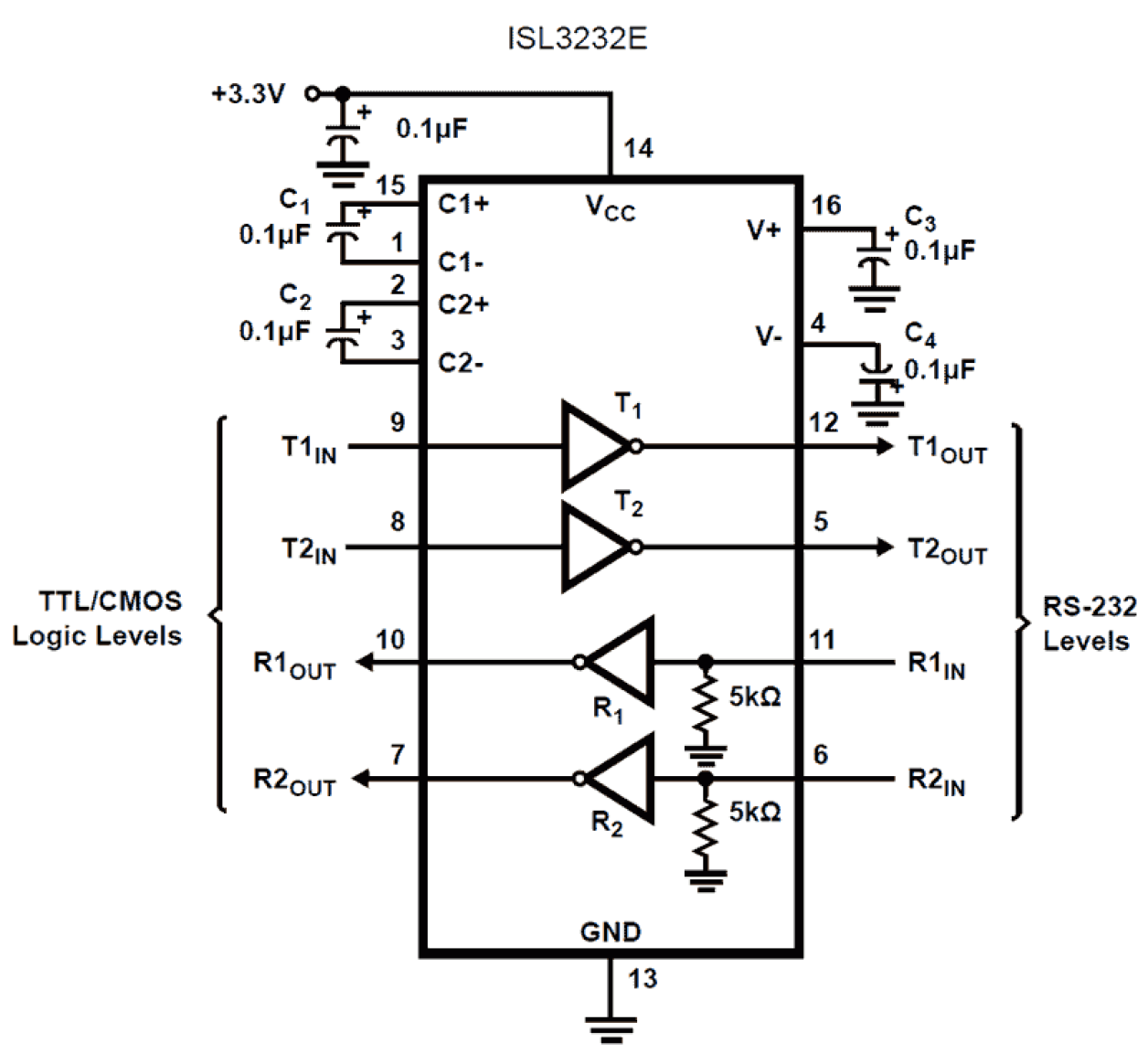
  • On-chip voltage converters require only four external 0.1µF capacitors
  • Manual and automatic powerdown features (except ISL3232E)
  • Receiver hysteresis for improved noise immunity
  • Assured minimum data rate: 250kbps
  • Wide power supply range: single +2.7V to +5.5V
  • Low supply current in powerdown state: 150nA
  • Pb-free (RoHS compliant)

描述

The ISL3232E, ISL4221E, and ISL4223E devices are 2. 7V to 5. 5V powered RS-232 transmitters/receivers that meet ElA/TIA-232 and V. 28/V. 24 specifications, even at VCC = 3. 0V. They provide ±15kV ESD protection (IEC61000-4-2 Air Gap and Human Body Model) on transmitter outputs and receiver inputs (RS-232 pins). Targeted applications are PDAs, Palmtops, and hand-held products where the low operational power consumption and even lower standby power consumption are critical. Efficient on-chip charge pumps, coupled with manual and automatic powerdown functions, reduce the standby supply current to a 150nA trickle. The 5mmx5mm Quad Flat No-Lead (QFN) packaging and the use of small, low value capacitors ensure board space savings. Data rates greater than 250kbps are ensured at worst case load conditions. The ISL4221E is a 1 driver, 1 receiver device and the ISL3232E and ISL4223E are 2 driver, 2 receiver devices that, coupled with the 5mmx5mm QFN package, provide the industry's smallest, lowest power serial port suitable for PDAs, and hand-held applications. The 5mmx5mm QFN requires 40% less board area than a 20 Ld TSSOP, and is nearly 20% thinner. The ISL4221E and ISL4223E versions feature an automatic powerdown function that powers down the on-chip power supply and driver circuits. Automatic powerdown occurs when an attached peripheral device is shut off or the RS-232 cable is removed, and conserves system power automatically without changes to the hardware or operating system. The ISL4221E and ISL4223E power back up automatically when a valid RS-232 voltage is applied to any receiver input.

产品参数

属性
Transmitters (#) 2
Receivers (#) 2
High ESD Protection Yes
Data Rate (Mbps) 0.5
Supply Voltage Vcc Range 2.7-5.5
Manual Shutdown No
Auto Shutdown No
Rx Disable No
Charge-pump Capacitance Value (µF) 0.1
IS Enabled (mA) 0.3

封装选项

Pkg. Type Pkg. Dimensions (mm) Lead Count (#) Pitch (mm)
QFN 5.0 x 5.0 x 0.90 16 0.8

应用方框图

Cloud Gateway Module Block Diagram
云网关模块
云网关模块可实现安全的数据传输、可靠的通信和灵活的电源兼容性。
Fleet Tracking Block Diagram
车队追踪
配备 GPS 和 LTE Cat-M1 的车队追踪系统,用于资产监控、远程信息处理、运输和物流。

其他应用

  • Any Space Constrained System Requiring RS-232 Ports Battery Powered, and Portable Equipment Hand-Held Products (GPS Receivers, Bar Code Scanners, etc) PDAs and Palmtops, Data Cables Cellular/Mobile Phones, Digital Cameras

当前筛选条件