跳转到主要内容
瑞萨电子 (Renesas Electronics Corporation)

特性

  • Wide Supply Voltage Range +9V to +75V
  • Transient Rating to +100V
  • Reverse Current Fault Isolation
  • Internal Charge Pump Allows the use of N-Channel MOSFET
  • HS Comparator Provides Very Fast <0.3µs Response Time to Dead Shorts on Sourcing Supply. HS Comparator also has Resistor-adjustable Trip Level
  • HR Amplifier allows Quiet, <100µs MOSFET Turn-off for Power Supply Slow Shut Down
  • Open Drain, Active Low Fault Output with 120µs Delay
  • Provided in Packages Compliant to UL60950 (UL1950) Creepage Requirements
  • QFN Package:
  • Compliant to JEDEC PUB95 MO-220 QFN - Quad Flat No Leads - Package Outline
  • Near Chip Scale Package footprint, which improves PCB efficiency and has a thinner profile
  • Pb-Free (RoHS Compliant)

描述

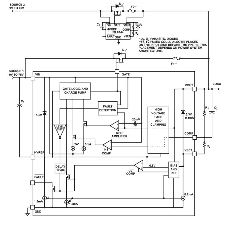
The ISL6144 ORing MOSFET Controller and a suitably sized N-Channel power MOSFET(s) increases power distribution efficiency and availability when replacing a power ORing diode in high current applications. In a multiple supply, fault tolerant, redundant power distribution system, paralleled similar power supplies contribute equally to the load current through various power sharing schemes. Regardless of the scheme, a common design practice is to include discrete ORing power diodes to protect against reverse current flow should one of the power supplies develop a catastrophic output short to ground. In addition, reverse current can occur if the current sharing scheme fails and an individual power supply voltage falls significantly below the others. Although the discrete ORing diode solution has been used for some time and is inexpensive to implement, it has some drawbacks. The primary downside is the increased power dissipation loss in the ORing diodes as power requirements for systems increase. Another disadvantage when using an ORing diode would be failure to detect a shorted or open ORing diode, jeopardizing power system reliability. An open diode reduces the system to single point of failure while a diode short might pose a hazard to technical personnel servicing the system while unaware of this failure. The ISL6144 can be used in 9V to 75V systems having similar power sources and has an internal charge pump to provide a floating gate drive for the N-Channel ORing MOSFET. The High Speed (HS) Comparator protects the common bus from individual power supply shorts by turning off the shorted feed's ORing MOSFET in less than 300ns and ensuring low reverse current. An external resistor-programmable detection level for the HS Comparator allows users to set the N-Channel MOSFET VOUT - VIN trip point to adjust control sensitivity to power supply noise. The Hysteretic Regulating (HR) Amplifier provides a slow turnoff of the ORing MOSFET. This turn-off is achieved in less than 100µs when one of the sourcing power supplies is shutdown slowly for system diagnostics, ensuring zero reverse current. This slow turn-off mechanism also reacts to output voltage droop, degradation, or power-down. An open drain FAULT pin will indicate that a fault has occurred. The fault detection circuitry covers different types of failures; including dead short in the sourcing supply, a short of any two ORing MOSFET terminals, or a blown fuse in the power distribution path.

产品参数

属性
Bias Voltage Range (V)9 - 75
Transient Voltage Withstanding (V)100
Response Time Dead Short&lt;300 ns
Response Time to PS Slow Turn Off&lt;100 μs
RampVoltage
Reverse Voltage ThresholdResistor-Adjustable (0V to 5.3V)

封装选项

Pkg. TypePkg. Dimensions (mm)Lead Count (#)Pitch (mm)
QFN5.0 x 5.0 x 0.65200.7
TSSOP5.0 x 4.4 x 0.00160.7

应用方框图

Functional safety network with safety drive system block diagram features two independent 32‑bit MCUs ensuring precise control and reliable emergency power cutoff in hazardous conditions.
带安全驱动系统的功能安全网络
双安全 MCU 可在工厂环境中实现精确的电机控制和可靠的紧急断电保护。

其他应用

  • ORing MOSFET Control in Power Distribution Systems
  • N + 1 Redundant Distributed Power Systems
  • File and Network Servers (12V and 48V)
  • Telecom/Datacom Systems

当前筛选条件