特性
- Supports AMD SVI 2.0 serial data bus interface
- Serial VID clock frequency range: 100kHz to 25MHz
- Dual output controller with PWM output
- Precision voltage regulation
- 0.5% system accuracy over-temperature
- 0.5V to 1.55V in 6.25mV steps
- Enhanced load-line accuracy
- Supports multiple current sensing methods
- Lossless inductor DCR current sensing
- Precision resistor current sensing
- Programmable phase operation for both Core and SOC VR outputs
- Superior noise immunity and transient response
- Output current and voltage telemetry
- Differential remote voltage sensing
- High efficiency across entire load range
- Programmable slew rate
- Programmable VID offset and droop on both outputs
- Programmable switching frequency for both outputs
- Excellent dynamic current balance between phases
- Protection: OCP/WOC, OVP, PGOOD, and thermal monitoring
- Small footprint 40 Ld 5x5 TQFN package
- Pb-free (RoHS compliant)
描述
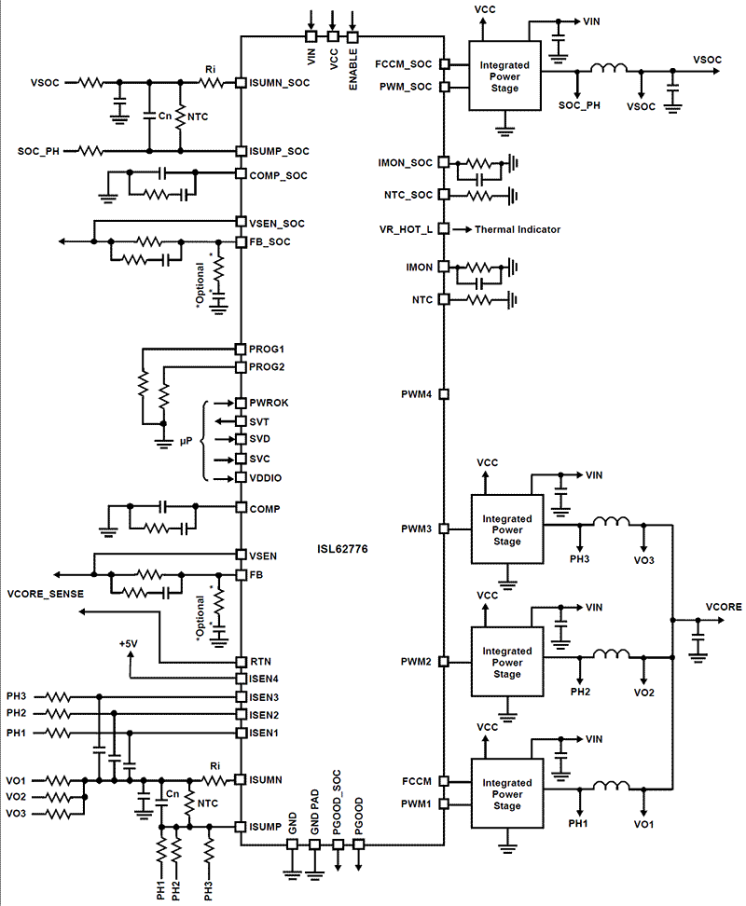
The ISL62776 is fully compliant with AMD Serial VID Interface 2. 0 (SVI2) and provides a complete solution for microprocessor and graphics processor core power. The ISL62776 controller supports two Voltage Regulators (VRs) that use external drivers for maximum flexibility. The Core VR can be configured for 4-, 3-, 2-, or 1-phase operation and the SOC VR supports 1-phase operation. The two VRs share a serial control bus to communicate with the AMD CPU and achieve lower cost and smaller board area compared with two-chip solutions. The R3™ modulator, based on the Renesas Robust Ripple Regulator (R3) technology, has many advantages compared to traditional modulators. These include faster transient settling time, variable switching frequency in response to load transients, and improved light-load efficiency due to diode emulation mode with load-dependent, low-switching frequency. Both outputs of the ISL62776 support DC Resistance (DCR) current sensing with single NTC thermistor for DCR temperature compensation or accurate resistor current sensing. Both outputs use remote voltage sense, adjustable switching frequency, Overcurrent Protection (OCP), and power-good.
产品参数
| 属性 | 值 |
|---|---|
| Outputs (Max) (#) | 2 |
| Phases (Max) | 4 |
| Input Voltage (Min) (V) | 4.5 |
| Input Voltage (Max) (V) | 25 |
| Output Voltage (Min) (V) | 0.5 |
| Output Voltage (Max) (V) | 1.55 |
| Output Current (Max) [Rail 1] (A) | 120 |
| Bias Voltage Range (V) | 4.75 to 5.25 - 4.75 to 5.25 |
| Parametric Applications | AMD SVI2 CPU/GPU core power, Notebook computers |
| Qualification Level | Standard |
| Temp. Range (°C) | -10 to +100°C, -40 to +100°C |
封装选项
| Pkg. Type | Pkg. Dimensions (mm) | Lead Count (#) | Pitch (mm) |
|---|---|---|---|
| TQFN | 5.0 x 5.0 x 0.75 | 40 | 0.4 |
应用
- AMD CPU/GPU core power
- Notebook computers
当前筛选条件