特性
- Supports AMD SVI 2.0 serial data bus interface
- Serial VID clock frequency range 100kHz to 25MHz
- Dual output controller with integrated drivers
- Two dedicated core drivers
- One programmable driver for either Core or Northbridge
- Precision voltage regulation
- 0.5% system accuracy over-temperature
- 0.5V to 1.55V in 6.25mV steps
- Enhanced load line accuracy
- Supports multiple current sensing methods
- Lossless inductor DCR current sensing
- Precision resistor current sensing
- Programmable 1-, 2- or 3-phase for the core output and 1- or 2-phase for the Northbridge output
- Adaptive body diode conduction time reduction
- Superior noise immunity and transient response
- Output current and voltage telemetry
- Differential remote voltage sensing
- High efficiency across entire load range
- Programmable slew rate
- Programmable VID offset and droop on both outputs
- Programmable switching frequency for both outputs
- Excellent dynamic current balance between phases
- Protection: OCP/WOC, OVP, PGOOD and thermal monitor
- Small footprint 48 Ld 6x6 QFN package
- Pb-free (RoHS compliant)
描述
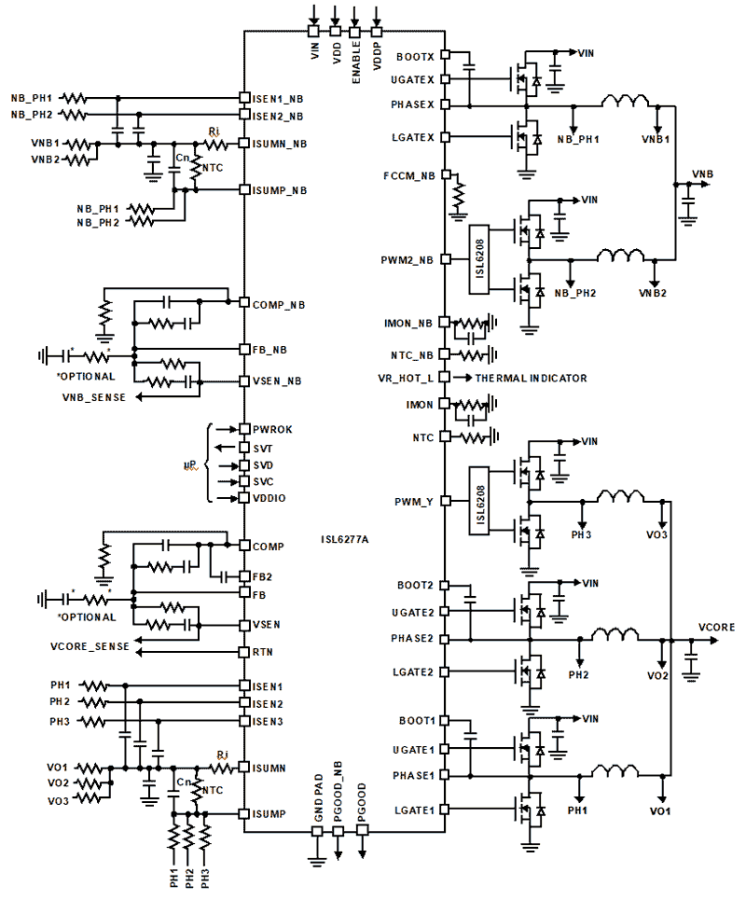
The ISL6277A is fully compliant with AMD Fusion SVI 2. 0 and provides a complete solution for microprocessor and graphics processor core power. The ISL6277A controller supports two Voltage Regulators (VRs) with three integrated gate drivers and two optional external drivers for maximum flexibility. The Core VR can be configured for 3-, 2-, or 1-phase operation while the Northbridge VR supports 2- or 1-phase configurations. The two VRs share a serial control bus to communicate with the AMD CPU and achieve lower cost and smaller board area compared with two-chip solutions. The PWM modulator is based on the Renesas Robust Ripple Regulator R3™ Technology. Compared to traditional modulators, the R3 modulator can automatically change switching frequency for faster transient settling time during load transients and improved light load efficiency. The ISL6277A has several other key features. Both outputs support DCR current sensing with single NTC thermistor for DCR temperature compensation or accurate resistor current sensing. Both outputs utilize remote voltage sense, adjustable switching frequency, OC protection and power-good.
产品参数
| 属性 | 值 |
|---|---|
| Outputs (Max) (#) | 2 |
| Phases (Max) | 3 |
| Input Voltage (Min) (V) | 4.5 |
| Input Voltage (Max) (V) | 25 |
| Output Voltage (Min) (V) | 0.5 |
| Output Voltage (Max) (V) | 1.55 |
| Output Current (Max) [Rail 1] (A) | 90 |
| Bias Voltage Range (V) | 4.75 - 5.25 |
| Parametric Applications | AMD Fusion CPU/GPU Core Power |
| Qualification Level | Standard |
| Temp. Range (°C) | -10 to +100°C, -40 to +85°C |
封装选项
| Pkg. Type | Pkg. Dimensions (mm) | Lead Count (#) | Pitch (mm) |
|---|---|---|---|
| QFN | 6.0 x 6.0 x 0.90 | 48 | 0.4 |
应用
- AMD fusion CPU/GPU core power
- Notebook computers
当前筛选条件