跳转到主要内容
瑞萨电子 (Renesas Electronics Corporation)

特性

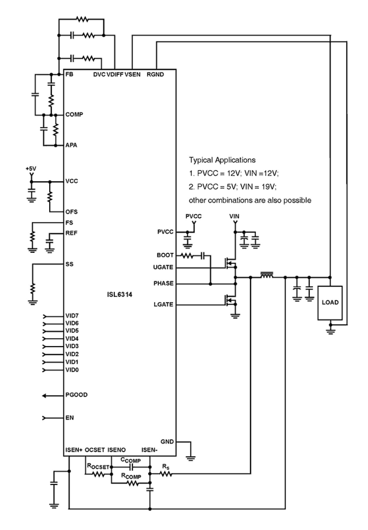
  • Integrated-driver Single-Phase Power Conversion
  • Precision Core Voltage Regulation
  • Differential Remote Voltage Sensing
  • ±0.5% System Accuracy Over-Temperature
  • Adjustable Reference-Voltage Offset
  • Optimal Transient Response
  • Adaptive Phase Alignment (APA)
  • Active Pulse Positioning (APP) Modulation
  • Fully Differential, Continuous DCR Current Sensing
  • Accurate Load Line Programming
  • Variable Gate Drive Bias: 5V to 12V
  • Multi-Processor Compatible
  • Intel VR11 Mode of Operation
  • AMD Mode of Operation
  • Microprocessor Voltage Identification Inputs
  • 8-Bit DAC
  • Selectable between Intel VR11, AMD 5-bit, and AMD 6-bit DAC tables
  • Dynamic VID Technology
  • Overcurrent Protection
  • Multi-tiered Overvoltage Protection
  • Digital Soft-Start
  • Selectable Operation Frequency up to 1.0MHz
  • Pb-free plus anneal available (RoHS compliant)

描述

The ISL6314 single-phase PWM control IC provides a precision voltage regulation system for advanced microprocessors. This controller IC maintains the same features as the multi-phase product family, but reduces the output to a single-phase, for lower current systems. By reducing the number of external parts, this integration is optimized for a cost and space saving power management solution. One outstanding feature of this controller IC is its multiprocessor compatibility, allowing it to work with both Intel and AMD microprocessors. Included are programmable VID codes for Intel VR11 as well as AMD 5-bit and 6-bit DAC tables. A circuit is provided for remote voltage sensing, compensating for any potential difference between remote and local grounds. The output voltage can also be positively or negatively offset through the use of a single external resistor. Another unique feature of the ISL6314 is the addition of a circuit that allows optimizing compensation to be added for flatter load transient response and well controlled dynamic VID response. The ISL6314 also includes advanced control loop features for optimal transient response to load apply and removal. One of these features is highly accurate, fully differential, continuous DCR current sensing for load line programming. Active Pulse Positioning (APP) and Adaptive Phase Alignment (APA) are two other unique features, allowing for quicker initial response to high di/dt load transients; the number of output bulk capacitors can be reduced, helping to reduce cost. Protection features of this controller IC include a set of sophisticated overvoltage, undervoltage, and overcurrent protection. Furthermore, the ISL6314 includes protection against an open circuit on the remote sensing inputs. Combined, these features provide advanced protection for the microprocessor and power system.

当前筛选条件