特性
- VR12 Serial Communications Bus
- Precision Voltage Regulation
- 5mV Steps with VID Fast/Slow Slew Rates
- Supports Two Current Sensing Methods
- Lossless Inductor DCR Current Sensing
- Precision Resistor Current Sensing
- Programmable 1, 2 or 3-Phase Operation
- Adaptive Body Diode Conduction Time Reduction
- Superior Noise Immunity and Transient Response
- Pin Programmable Output Voltage and Power State Mode
- Output Current Monitor and Thermal Monitor
- Differential Remote Voltage Sensing
- High Efficiency Across Entire Load Range
- Programmable Switching Frequency
- Resistor Programmable VBOOT, Power State Operation, SVID Address Setting, IMAX
- Excellent Dynamic Current Balance Between Phases
- OCP/WOC, OVP, OT Alert, PGOOD
- Small Footprint 40 Ld 5x5 TQFN Package
- Pb-Free (RoHS Compliant)
描述
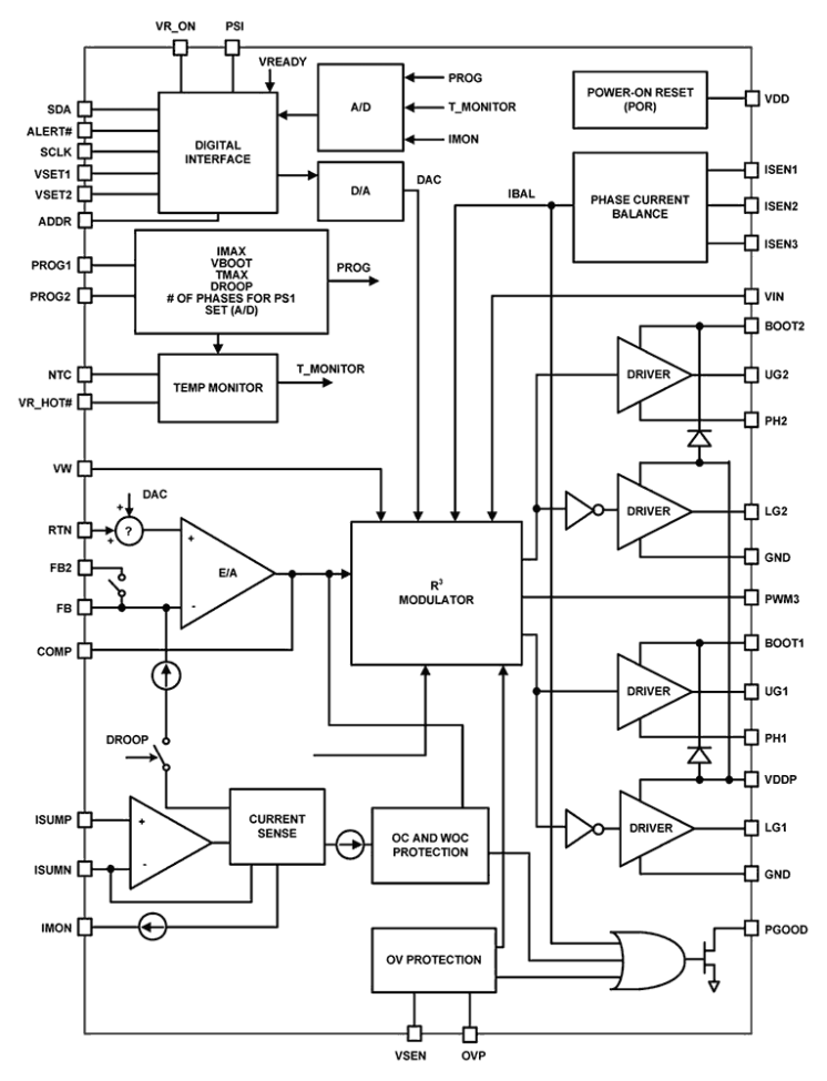
The ISL6353 is a three-phase PWM buck regulator controller for VR12 DDR memory applications. The multi-phase implementation results in better system performance, superior thermal management, lower component cost and smaller PCB area. The ISL6353 has two integrated power MOSFET drivers for implementing a cost effective and space saving power management solution. The PWM modulator of the ISL6353 is based on Renesas' Robust Ripple Regulator™ (R3) technology. Compared with the traditional multi-phase buck regulator, the R3 modulator commands variable PWM switching frequency during load transients, achieving faster transient response. R3 also naturally goes into pulse frequency modulation operation in light load conditions to achieve higher light load efficiency. The ISL6353 is designed to be completely compliant with VR12 specifications. The ISL6353 has a serial VID (SVID) bus communicating with the CPU. The output can be programmed for 1-, 2- or 3-phase interleaved operation. The output voltage and power state can also be controlled independent of the serial VID bus. The ISL6353 has several other key features. It supports DCR current sensing with a single NTC thermistor for DCR temperature compensation or accurate resistor current sensing. It also has remote voltage sense, adjustable switching frequency, current monitor, OC/OV protection and power-good. Temperature monitor and thermal alert is available too.
产品参数
| 属性 | 值 |
|---|---|
| Outputs (Max) (#) | 1 |
| Phases (Max) | 3 |
| Input Voltage (Min) (V) | 4.5 |
| Input Voltage (Max) (V) | 25 |
| Output Voltage (Max) (V) | 1.52 |
| Output Current (Max) [Rail 1] (A) | 120 |
| Bias Voltage Range (V) | 4.75 - 5.25 |
| Parametric Applications | VR12 DDR Memory Systems |
| Qualification Level | Standard |
| Temp. Range (°C) | 0 to +70°C |
封装选项
| Pkg. Type | Pkg. Dimensions (mm) | Lead Count (#) | Pitch (mm) |
|---|---|---|---|
| TQFN | 5.0 x 5.0 x 0.75 | 40 | 0.4 |
应用
- DDR Memory
当前筛选条件