跳转到主要内容

特性

  • Proprietary Phase Doubler Scheme with Phase Shedding Function (Patent Pending)
  • Enhanced Light to Full Load Efficiency
  • Patented Current Balancing with rDS(ON) Current Sensing and Adjustable Gain
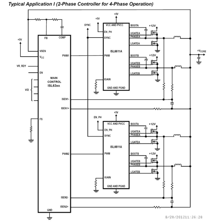
  • Quad MOSFET Drives for Two Synchronous Rectified Bridge with Single PWM Input
  • Channel Synchronization and Interleaving Options
  • Adaptive Zero Shoot-Through Protection
  • 0.4Ω On-Resistance and 4A Sink Current Capability
  • 36V Internal Bootstrap Schottky Diode
  • Bootstrap Capacitor Overcharging Prevention (ISL6611A)
  • Supports High Switching Frequency (Up to 1MHz)
  • Fast Output Rise and Fall
  • Tri-State PWM Input for Output Stage Shutdown
  • Phase Enable Input and PWM Forced High Output to Interface with Intersil's Controller for Phase Shedding
  • QFN Package
  • Compliant to JEDEC PUB95 MO-220 QFN-Quad Flat No Leads-Product Outline
  • Near Chip-Scale Package Footprint; Improves PCB Utilization, Thinner Profile
  • Pb-Free (RoHS Compliant)

描述

The ISL6611A utilizes Intersil’s proprietary Phase Doubler scheme to modulate two-phase power trains with single PWM input. It doubles the number of phases that Intersil’s ISL63xx multiphase controllers can support. At the same time, the PWM line can be pulled high to disable the corresponding phase or higher phase(s) when the enable pin (EN_PH) is pulled low. This simplifies the phase shedding implementation. For layout simplicity and improving system performance, the device integrates two 5V drivers (ISL6609) and current balance function. The ISL6611A is designed to minimize the number of analog signals interfacing between the controller and drivers in high phase count and scalable applications. The common COMP signal, which is usually seen with conventional cascaded configuration, is not required; this improves noise immunity and simplifies the layout. Furthermore, the ISL6611A provides low part count and a low cost advantage over the conventional cascaded technique. The IC is biased by a single low voltage supply (5V), minimizing driver switching losses in high MOSFET gate capacitance and high switching frequency applications. Bootstrapping of the upper gate driver is implemented via an internal low forward drop diode, reducing implementation cost, complexity, and allowing the use of higher performance, cost effective N-Channel MOSFETs. Adaptive shoot-through protection is integrated to prevent both MOSFETs from conducting simultaneously. The ISL6611A features 4A typical sink current for the lower gate driver, enhancing the lower MOSFET gate hold-down capability during PHASE node rising edge, preventing power loss caused by the self turn-on of the lower MOSFET due to the high dV/dt of the switching node. The ISL6611A also features an input that recognizes a high-impedance state, working together with Intersil multiphase PWM controllers to prevent negative transients on the controlled output voltage when operation is suspended. This feature eliminates the need for the Schottky diode that may be utilized in a power system to protect the load from negative output voltage damage. In addition, the ISL6611A’s bootstrap function is designed to prevent the BOOT capacitor from overcharging, should excessively large negative swings occur at the transitions of the PHASE node.

应用

  • High Current Low Voltage DC/DC Converters
  • High Frequency and High Efficiency VRM and VRD
  • High Phase Count and Phase Shedding Applications

当前筛选条件