特性
- Advanced linear digital modulation scheme
- Auto phase add/drop with PFM mode for excellent load vs efficiency profile
- Dual edge modulation with optional diode braking for faster transient response
- Excellent VOUT transition performance
- Zero latency synthetic current control for excellent high frequency current balance
- Flexible phase assignment from 1 to 12 phases
- Up to 2MHz switching frequency operation for high density designs
- Differential remote voltage sensing supports ±0.5% closed-loop system accuracy over load, line, and temperature
- Highly accurate current sensing for excellent load-line regulation and accurate OCP
- Supports the full range of Renesas Smart Power Stage (SPS) devices
- Comprehensive fault management enables high reliability systems
- Pulse-by-pulse (per phase) and total output current limiting
- Black Box status recording capability with first fault indicator
- Intuitive configuration using PowerNavigator
- SMBus/PMBus V1.3 compatible
- Up to 16 user configurations stored in device Non-Volatile Memory (NVM)
描述
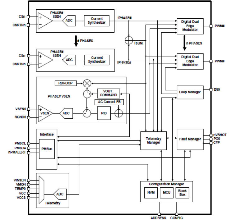
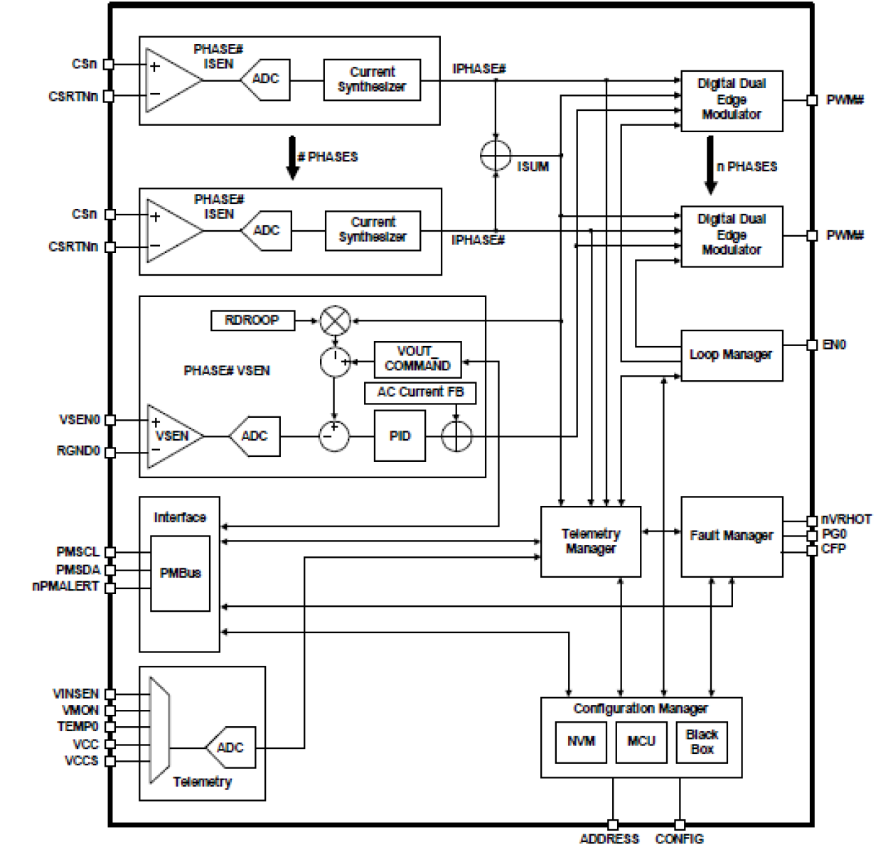
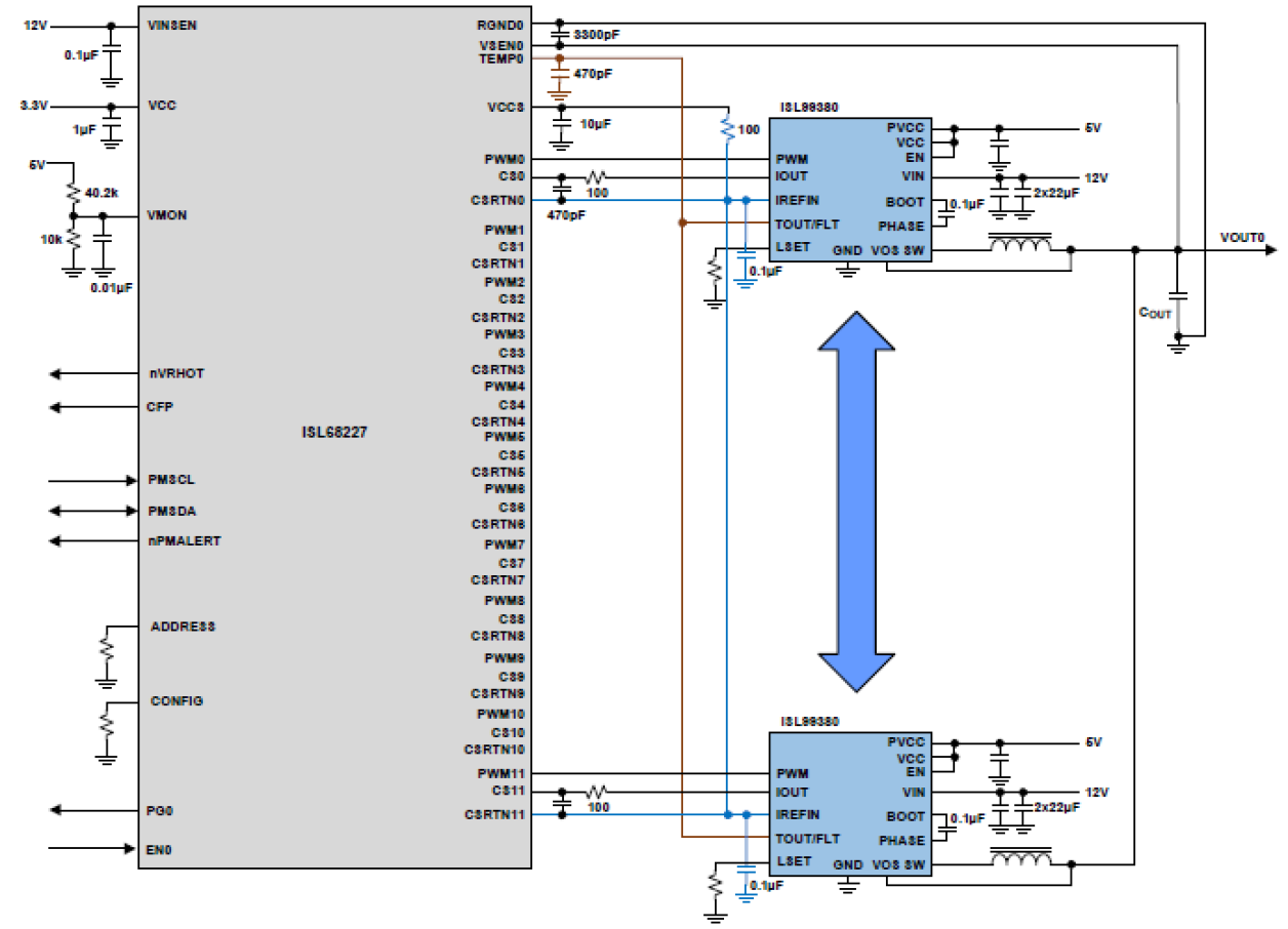
The ISL68227 is a digital multiphase (X ≤ 12) PWM controller with PMBus V1.3 compatibility. The digital multiphase controller can be configured to support any phase assignment up to a maximum of 12 phases. Increased power density, combined with support for PMBus V1.3 allows the ISL68227 to support any demanding power supply requirements.
The ISL68227 uses the proprietary Renesas digital synthetic current modulation scheme to achieve the industry-best combination of transient response, ease of tuning, and efficiency across the full load range. Diode emulation and automatic phase add/drop features allow you to extract maximum efficiency from the converter regardless of load conditions. You can use the intuitive Renesas PowerNavigator™ software to configure and monitor the device.
With minimal external components, easy configuration, robust fault management, and highly accurate regulation capability, implementing a high-performance, multiphase regulator has never been easier.
产品参数
| 属性 | 值 |
|---|---|
| Outputs (Max) (#) | 2 |
| Phases (Max) | 12 |
| Input Voltage (Min) (V) | 4.5 |
| Input Voltage (Max) (V) | 18 |
| Output Voltage (Max) (V) | 3.05 |
| Output Current (Max) [Rail 1] (A) | 1080 |
| Bias Voltage Range (V) | 3.135 - 3.465 |
| Parametric Applications | DDR Memory Solutions, Artificial intelligence/accelerator cards (FPGA, ASIC), Network Equipment, Server/storage equipment, Telecom/datacom equipment, POL Power Supplies (memory, DSP, ASIC, FPGA) |
| Qualification Level | Standard |
| Temp. Range (°C) | -40 to +85°C |
封装选项
| Pkg. Type | Pkg. Dimensions (mm) | Lead Count (#) | Pitch (mm) |
|---|---|---|---|
| QFN | 7.0 x 7.0 x 0.90 | 60 | 0.4 |
应用
- Network equipment
- Server/storage equipment
- Telecom/datacom equipment
- Point-of-load power supply (memory, DSP, ASIC, FPGA)
- Artificial intelligence/accelerator cards (FPGA, ASIC)
- DDR memory solutions
当前筛选条件