特性
- 先进的线性数字调制方案
- 具有 PFM 模式的自动相位添加/删除功能,可实现出色的负载与效率曲线
- 双边缘调制,可选二极管制动,瞬态响应更快
- 出色的 VOUT 转换性能
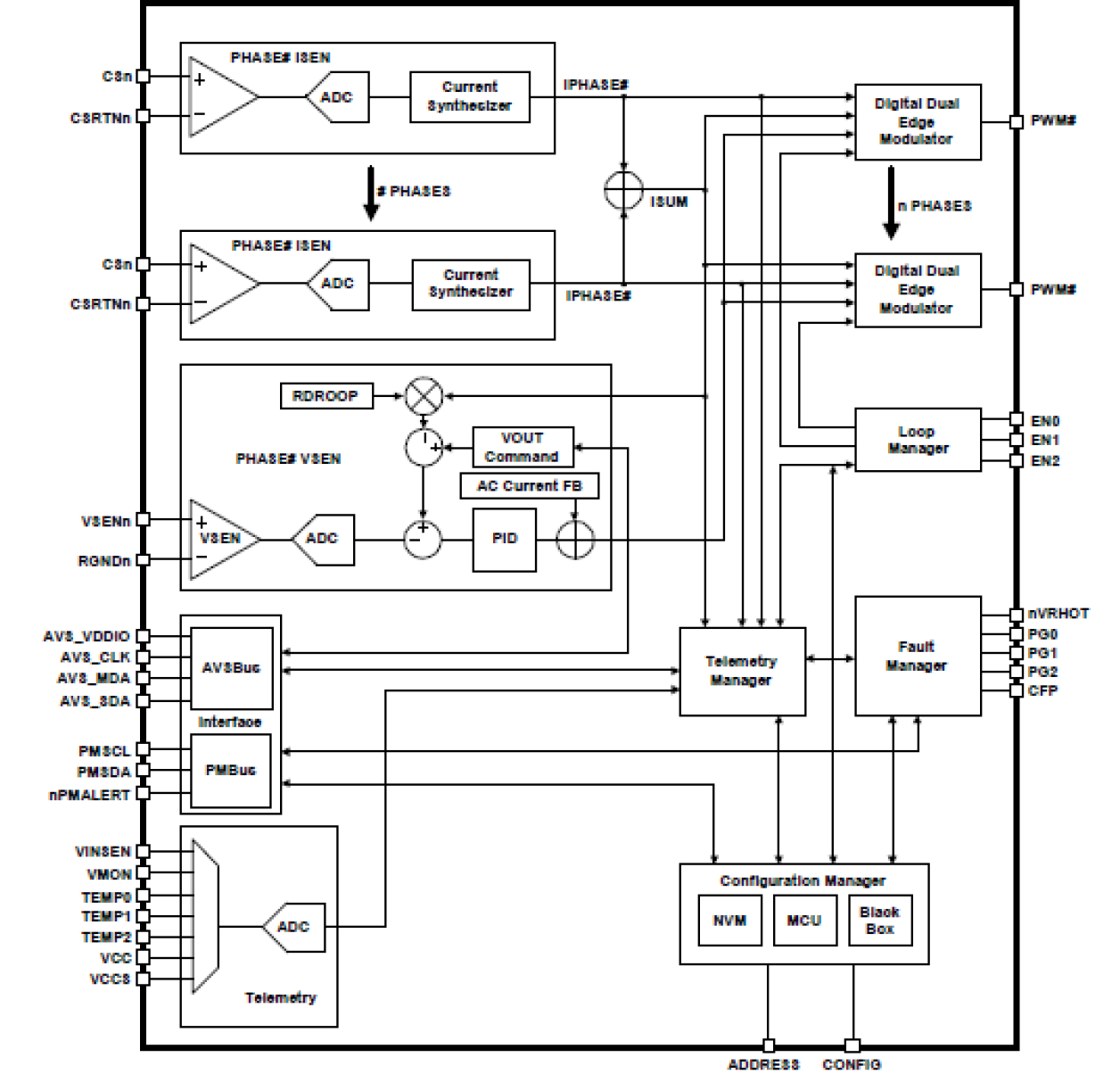
- 零延迟合成电流控制,实现出色的高频电流平衡
- 每个输出从 0 到 12 相的灵活相位分配
- 高达 2MHz 的开关频率操作,适用于高密度设计
- 差分远端电压检测在整个负载、线路和温度范围内支持 ±0.5% 的闭环系统精度
- 高精度电流检测,可实现出色的负载线调节和精确的 OCP
- 支持瑞萨电子的全系列智能功率级(SPS)器件
- 全面的故障管理可实现高可靠性系统
- 逐脉冲(每相)和总输出电流限制
- 黑匣子状态记录功能,带第一故障指示器
- 使用 PowerNavigator 进行直观配置
- 兼容 SMBus/PMBus V1.3
- 非易失性存储器 (NVM) 最多可存储 16 个用户配置
描述
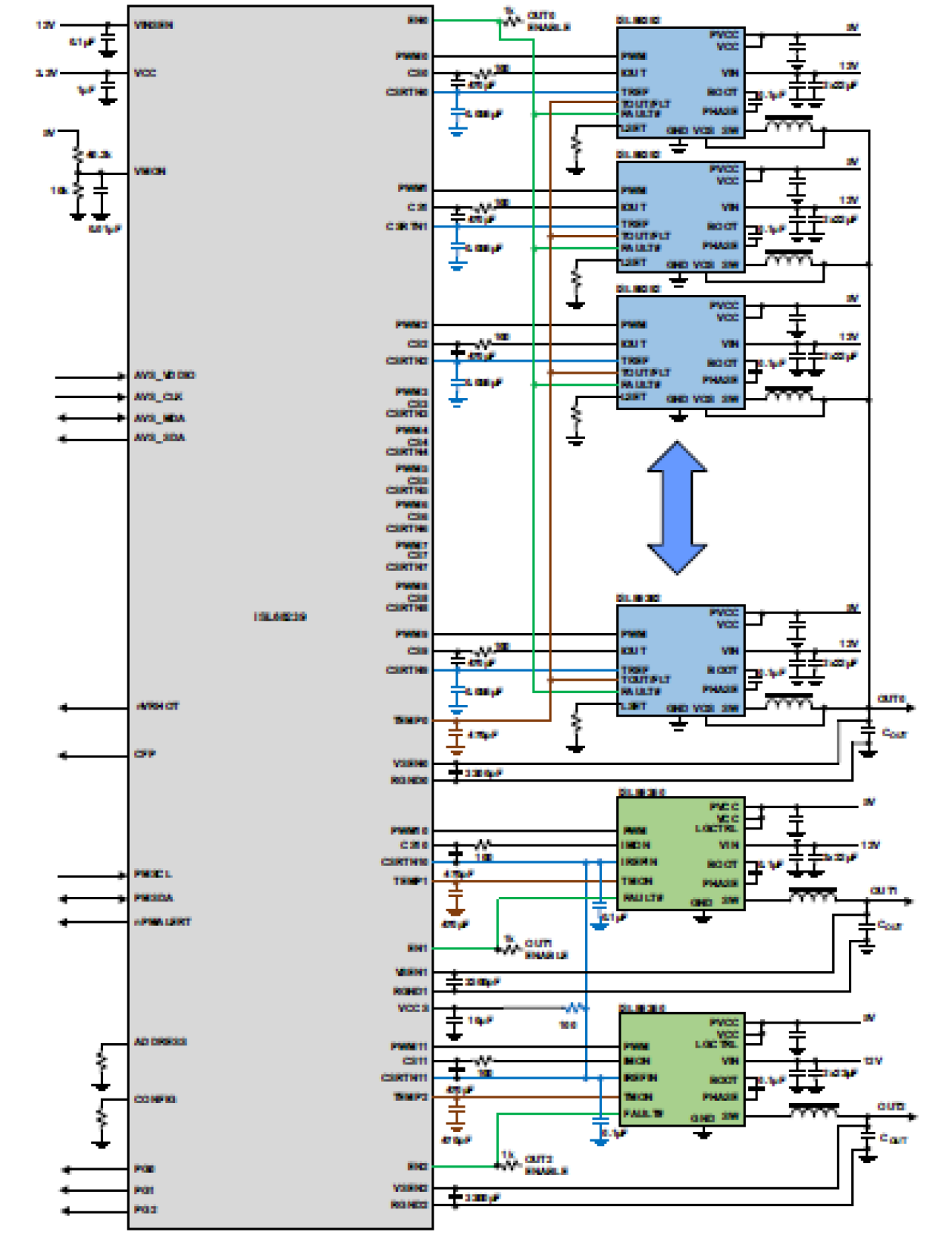
ISL68239 是一款数字三路输出多相(X+Y+Z ≤ 12)PWM 控制器,支持 PMBus V1.3/AVSBus 接口。 该控制器可以配置为支持三个输出(X、Y 和 Z)上最多 12 个相位分配。 例如,可支持 10+1+1、10+2、8+2+1、1+1,甚至单输出操作作为 12+0 配置。 更高的功率密度,加上对 PMBus V1.3 接口的支持,使该器件能够支持任何苛刻的电源要求。
此外,带有 AVSBus 的 ISL68239 通过提供通用的高速接口来加速控制器和负载之间的点对点通信,从而静态和动态地控制处理器电压,从而提供平衡、节能的设计,从而补充了 PMBus。
ISL68239 采用瑞萨电子专有的数字合成电流调制方案,在整个负载范围内实现了瞬态响应、易于调谐和效率的业界最佳组合。 二极管仿真和自动相位添加/删除功能使您能够从转换器中获取最大效率,而不受负载条件的影响。 可使用直观的 Renesas PowerNavigator™ 来配置和监控设备。
该产品利用最少的外部零件,简单配置,强大的故障管理和高度精确的调节能力实现 高性能,多相稳压器从未如此易于实现。
产品参数
属性 | 值 |
---|---|
Outputs (Max) (#) | 3 |
Phases (Max) | 12 |
Input Voltage (Min) (V) | 4.5 |
Input Voltage (Max) (V) | 18 |
Output Voltage (Min) (V) | 0 |
Output Voltage (Max) (V) | 3.05 |
Output Current (Max) [Rail 1] (A) | 1080 |
Bias Voltage Range (V) | 3.135 - 3.465 |
Parametric Applications | DDR Memory Solutions, Artificial intelligence/accelerator cards (FPGA, ASIC), Network Equipment, Server/storage equipment, Telecom/datacom equipment, POL Power Supplies (memory, DSP, ASIC, FPGA) |
Qualification Level | Standard |
Temp. Range (°C) | -40 to +85°C |
封装选项
Pkg. Type | Pkg. Dimensions (mm) | Lead Count (#) | Pitch (mm) |
---|---|---|---|
QFN | 8.0 x 8.0 x 0.85 | 68 | 0.4 |
应用
- DDR 内存解决方案
- 人工智能/加速卡(FPGA、ASIC)
- 网络设备
- 服务器/存储设备
- 电信/数据通信设备
- 负载点电源(存储器、DSP、ASIC、FPGA)
当前筛选条件
加载中